Запчасти Case 688C (2-12) - ENGINE COOLING, (-XXXXX) (01) - ENGINE

Схема запчастей Case 688C - (2-12) - ENGINE COOLING, (-XXXXX) (01) - ENGINE
42
42
21
39
5
12
35
48
2
32
3
28
27
7
19
43
44
16
34
31
41
9
10
46
37
52
51
14
25
17
8
30
45
47
4
40
18
15
26
11
50
49
24
20
38
22
36
43
26
29
33
19
1
6
4
23
13
FIT
1:1
100%

Артикул

Название

Примечание

Количество

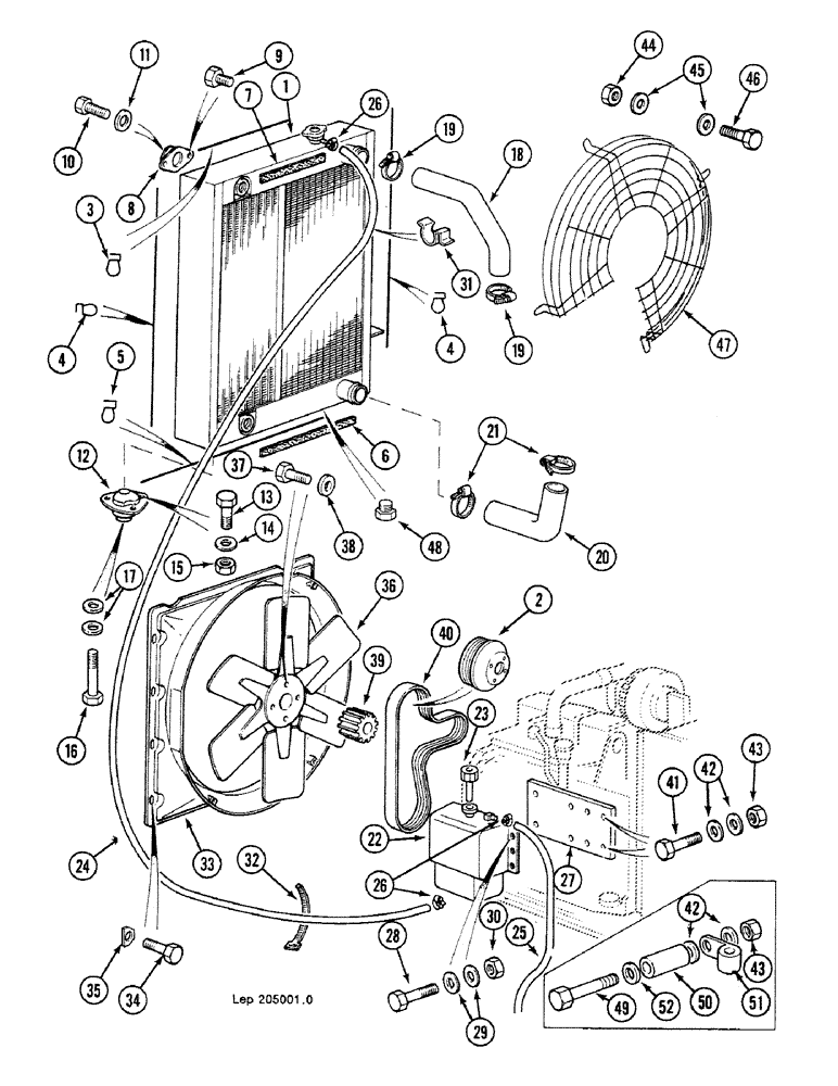
1

COOLER, See Figure : 2-20, 2-22

1шт.

2

J914462

PULLEY,163mm OD

1шт.

3

E4441419

PROFILE

SEAL Order Length : 340mm

1шт.

4

E4441419

PROFILE

SEAL Order Length : 616mm

2шт.

5

E4441419

PROFILE

SEAL Order Length : 566mm

1шт.

6

A403144

GASKET

SEAL Order Length : 710mm

1шт.

7

A403144

GASKET

SEAL Order Length : 310mm

1шт.

8

Z3841459

ELEC. TERMINAL PIN

BLOCK

2шт.

9

86977786

BOLT,Hex, M6 x 1 x 25mm, Cl 8.8

M6 x 12

4шт.

10

120100

BOLT,M6 x 20mm, Cl 8.8

2шт.

11

B3528799

WASHER

"6.25 x 4 x 15"

2шт.

12

V2241484

ISOLATOR,69mm OD x 47mm L

2шт.

13

43128

BOLT,M8 x 1.25 x 30mm, Cl 8.8

6шт.

14

V3528794

WASHER

"8.25 x 6 x 20"

6шт.

15

A134596

SAFETY NUT

M8

6шт.

16

814-10075

BOLT,Hex, M10 x 1.5 x 75mm, Cl 8.8

2шт.

17

W3528795

WASHER

"10.25 x 7 x 25"

4шт.

18

N5931988

LARGE HOSE

HOSE,LARGE

1шт.

19

W36935

COLLAR CLAMP

40-60

2шт.

20

P5931989

LARGE HOSE

HOSE,LARGE

1шт.

21

G136902

COLLAR CLAMP

60-80

2шт.

22

A184395

RESERVOIR

BOTTLE expansion

1шт.

23

A184079

CAP

PLUG

1шт.

24

G1103638

HOSE,7.94 mm ID, SAE 30R6

1шт.

25

G1103638

HOSE,7.94 mm ID, SAE 30R6

1шт.

26

P36951

COLLAR

10-16

3шт.

27

Z3122893

SUPPORT

1шт.

28

U1133803

SCREW,Hex, M6 x 22

M6 x 22

4шт.

29

U35001

WASHER

M6 N

8шт.

30

F234513

SAFETY NUT

M6

4шт.

31

D1736917

CLASP

2шт.

32

N51946

CLAMP

COLLAR 258mm

10шт.

33

H4540345

SHROUD

NOZZLE

1шт.

34

43127

BOLT,Hex, M8 x 1.25 x 25mm, Cl 8.8

8шт.

35

Z5123410

PLATE

Replace : V3528794

8шт.

36

A189064

FAN

1шт.

37

86508573

BOLT,Hex, M10 x 110mm, Cl 8.8

4шт.

38

T5428776

WASHER

"10.25 x 22 x 2.5"

4шт.

39

A184524

SPACER

1шт.

40

X938766

BELT

vee

1шт.

41

120112

BOLT,Hex, M10 x 1.5 x 40mm, Cl 8.8, Full Thd

(-XXXXX)::

1шт.

41

120112

BOLT,Hex, M10 x 1.5 x 40mm, Cl 8.8, Full Thd

(XXXXX-)::

2шт.

42

W3528795

WASHER

"10.25 x 7 x 25"

4шт.

43

G34598

SAFETY NUT

M10

3шт.

44

A134596

SAFETY NUT

M8

4шт.

45

V3528794

WASHER

"8.25 x 6 x 20"

8шт.

46

120106

BOLT,M8 x 1.25 x 45.45mm, Cl 8.8

4шт.

47

L2340490

PROTECTOR

1шт.

48

F1137424

PLUG

1шт.

49

86508573

BOLT,Hex, M10 x 110mm, Cl 8.8

(-XXXXX)::

1шт.

50

U1231875

TUBE

(-XXXXX)::

1шт.

51

L51921

CLAMP

COLLAR 31-38, (-XXXXX)::

1шт.

52

N4328796

WASHER

"10.25 x 7 x 20"

1шт.

Выбрано товаров: 53