Запчасти Case 688C (8G-108) - BEET GRAB CYLINDER, (XXXXX-) (07) - HYDRAULIC SYSTEM

Схема запчастей Case 688C - (8G-108) - BEET GRAB CYLINDER, (XXXXX-) (07) - HYDRAULIC SYSTEM
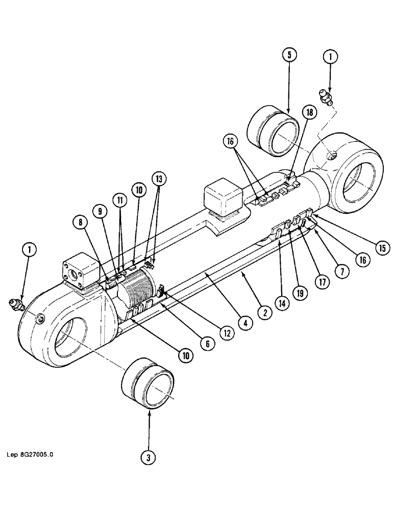
9
8
16
6
3
1
12
17
10
19
11
16
14
18
1
4
2
7
13
15
10
5
FIT
1:1
100%

Артикул

Название

Примечание

Количество

H8546761

CYLINDER ASSY.

Consist Of : 1-19

1шт.

1

W45836

LUBE NIPPLE,1/8"-27 NPT

2шт.

2

P1452440

JACK BODY

Consist Of : 3

1шт.

3

B1528673

BUSHING

1шт.

4

Q8849494

PISTON ROD

Consist Of : 5

1шт.

5

B1528673

BUSHING

1шт.

6

M1829960

PISTON

1шт.

7

E4429114

CYLINDER END CAP

BEARING

1шт.

E6049602

SEAL PACKAGE

Consist Of : 8-19

1шт.

8

F1432951

SET SCREW,M10 x 16mm

M10 x 16

1шт.

9

N827736

PIN

1шт.

10

Q1845281

BAND

2шт.

11

C1451233

SPECIAL MAT. SEAL

2шт.

12

X2030484

O-RING,0.139" Thk x 2.734" ID, -232, Cl 6, 90 Duro

"3.53 x 69.44-90"

1шт.

13

E9046019

BACK-UP RING

JOINT

2шт.

14

A2030486

SEAL,92.23mm ID x 98.23mm OD x 1.78mm Thk

JOINT

2шт.

15

D1251341

SCRAPER

SEAL

1шт.

16

M9046049

BAND

3шт.

17

F1951210

GASKET

1шт.

18

R730449

O-RING,0.103" Thk x 3.987" ID, -155, Cl 5, 75 Duro

"2.62 x 101.27-80"

1шт.

19

G1951211

SEAL

1шт.

Выбрано товаров: 21