Запчасти Case 688C (8G-130) - LINKED BOOM SAFETY VALVE (07) - HYDRAULIC SYSTEM

Схема запчастей Case 688C - (8G-130) - LINKED BOOM SAFETY VALVE (07) - HYDRAULIC SYSTEM
16
24
27
2
23
25
8
4
3
5
17
26
1
14
22
21
11
19
10
13
11
6
11
12
7
9
15
20
12
18
FIT
1:1
100%

Артикул

Название

Примечание

Количество

X4743334

SHIN

BLOCK Consist Of : 1-27

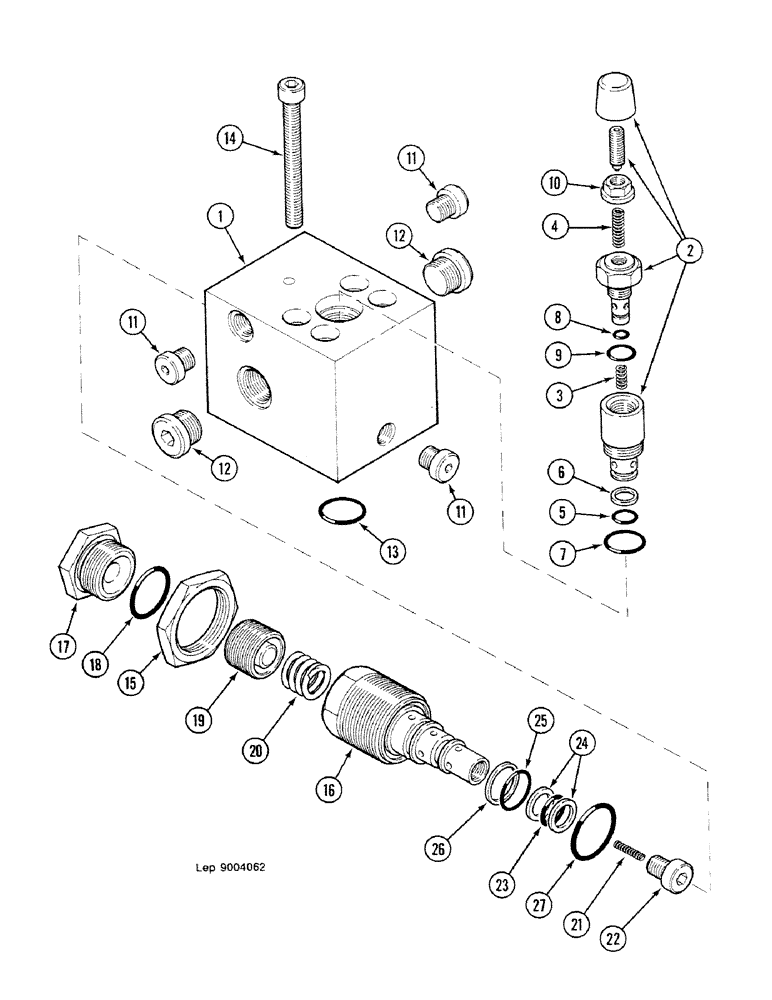
1шт.

1

BLOCK Order : X4743334

1шт.

P3143630

CARTRIDGE

Consist Of : 2-10

1шт.

2

BODY Order : P3143630

1шт.

3

B1038221

SPRING

1шт.

4

D1038223

SPRING

1шт.

P5449633

SEAL PACKAGE

Consist Of : 5-10

1шт.

5

O-RING Order : P5449633

1шт.

6

SEAL Order : P5449633

1шт.

7

O-RING Order : P5449633

1шт.

8

SEAL AND BUSHING Order : P5449633

1шт.

9

O-RING Order : P5449633

1шт.

10

NUT Order : P5449633

1шт.

11

U2537447

PLUG

3шт.

R7046042

GASKET

"11.5 x 16.5 x 1.5"

1шт.

12

H2537413

PLUG

2шт.

G1145268

GASKET

"9.6 x 24.3 x 1.5"

1шт.

13

M130490

O-RING,0.139" Thk x 0.921" ID, -213, Cl 5, 75 Duro

"3.53 x 23.39-80"

1шт.

14

N732976

SCREW

M10 x 100

4шт.

15

P0034243V

NUT

M45 x 2

4шт.

W4743333

GUARD

SLEEVE Consist Of : 16-27

1шт.

16

SLEEVE Order : W4743333

1шт.

17

B3337439

PLUG

1шт.

18

T945294

GASKET

"29.7 x 35.7 x 2"

1шт.

19

C6427835

PISTON

1шт.

20

A2838131

COMPRESSION SPRING

Replace : B2838109

1шт.

21

D1538197

COMPRESSION SPRING

1шт.

22

W3337435

PLUG

1шт.

B2230426

GASKET

"9.8 x 14.4 x 1.5"

1шт.

23

K930474

O-RING

"2 .62 x 15.54-80"

1шт.

24

M5946063

BACK-UP RING

2шт.

25

N330430

O-RING,0.103" Thk x 0.862" ID, -118, Cl 6, 90 Duro

"2.62 x 21.89-80", Order : 238-6118

1шт.

26

G1145245

BACK-UP RING

1шт.

27

W1130447

O-RING,0.139" Thk x 1.234" ID, -218, Cl 5, 75 Duro

"3.53 x 31.34-80"

1шт.

Выбрано товаров: 34