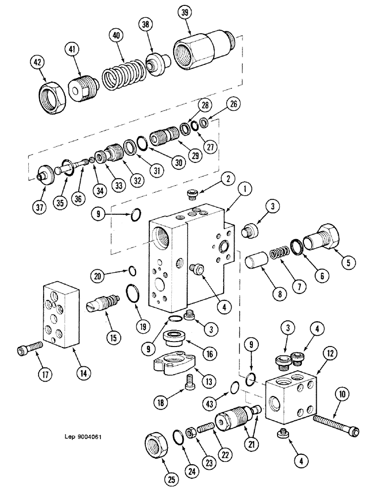
Запчасти Case 688C (8G-142) - DIPPERSTICK CYLINDER SAFETY VALVE, (10664-) (07) - HYDRAULIC SYSTEM

Схема запчастей Case 688C - (8G-142) - DIPPERSTICK CYLINDER SAFETY VALVE, (10664-) (07) - HYDRAULIC SYSTEM
5
36
20
32
19
28
40
23
7
35
14
4
8
42
13
18
27
6
9
39
3
29
26
21
4
4
41
37
17
15
3
25
1
31
43
12
9
24
2
3
22
9
16
38
30
34
33
10
FIT
1:1
100%

Артикул

Название

Примечание

Количество

R4743351

SHIN

BRACKET Consist Of : 1-43

1шт.

1

BODY Order : R4743351

1шт.

2

V2537448

PLUG

4шт.

S2230441

GASKET

"8.4 x 11.9 x 1"

1шт.

3

H2537413

PLUG

3шт.

G1145268

GASKET

"9.6 x 24.3 x 1.5"

1шт.

4

U2537447

PLUG

4шт.

R7046042

GASKET

"11.5 x 16.5 x 1.5"

1шт.

5

X3237432

PLUG

1шт.

6

T945294

GASKET

"29.7 x 35.7 x 2"

1шт.

7

P1538161

COMPRESSION SPRING

1шт.

8

H1729837

VALVE POPPET

1шт.

9

L1130483

O-RING

"3.53 x 24.99-80"

3шт.

10

F732969

SCREW

M10 x 100

4шт.

12

L4743346

BASIC BLOCK

1шт.

13

R4024256

SHIN

BRACKET

1шт.

14

U4223393

LARGE PLATE

PLATE, LARGE

1шт.

15

X4343387

LIMITER, TRAVEL

LIMITER

1шт.

16

W5327832

BLANK-OFF PLUG

1шт.

17

H332909

SCREW

M5 x 40

2шт.

18

14420331

HEX SOC SCREW,M10 x 1.5 x 35mm, Cl 10.9, Full Thd

4шт.

19

D330421

O-RING,0.139" Thk x 1.296" ID, -219, Cl 6, 90 Duro

"3.53 x 32.92-80"

1шт.

20

S1330405

O-RING,0.07" Thk x 0.864" ID, -20, Cl 7, 75 Duro

"1.78 x 21.95-80"

1шт.

C4043310

CARTRIDGE

Consist Of : 21-25

1шт.

21

CARTRIDGE Order : C4043310

1шт.

22

E32825

STUD

M8 x 35

1шт.

23

L34211

NUT,M8

1шт.

24

K30323

SEAL

3.6 x 30.8"

1шт.

25

F2434555

NUT

"M33 x 1.5"

1шт.

J4043385

CARTRIDGE

Consist Of : 26-38

1шт.

26

F1245248

BACK-UP RING

JOINT

1шт.

27

S1830425

O-RING

"2.62 x 13.11-80"

1шт.

28

G1145268

GASKET

"9.6 x 24.3 x 1.5"

1шт.

29

A1029434

GUIDE

1шт.

30

J30460

O-RING,0.103" Thk x 0.987" ID, -120, Cl 5, 75 Duro

"2.62 x 25.07-80"

1шт.

31

F1145267

BACK-UP RING

JOINT

1шт.

32

G2434556

NUT

"M33 x 1.5"

1шт.

33

E2434554

NUT

"M22 x 1.5"

1шт.

34

S151241

SPECIAL MAT. SEAL

1шт.

35

P630443

O-RING

"3.53 x 29.74-80"

1шт.

36

B6027841

SPOOL

VALVE

1шт.

37

B1329953

TAPPET

PUSHER

1шт.

38

S2728897

GUIDE

1шт.

39

V729786

CAP

1шт.

40

Q1538162

COMPRESSION SPRING

1шт.

41

A3533007

SCREW

1шт.

42

V34197

NUT

M48 x 2

1шт.

43

U1130445

O-RING,0.103" Thk x 0.674" ID, -115, Cl 6, 90 Duro

"2.62 x 17.12-80", Order : 238-6115

2шт.

Выбрано товаров: 48