Запчасти Case 688C (8H-02) - CENTRALIZED LUBRICATION, (-10981) (07) - HYDRAULIC SYSTEM

Схема запчастей Case 688C - (8H-02) - CENTRALIZED LUBRICATION, (-10981) (07) - HYDRAULIC SYSTEM
17
19
22
24
23
7
25
19
7
11
1
12
5
24
6
12
10
5
16
13
23
18
8
12
5
21
2
15
4
14
6
24
4
9
23
4
22
20
23
3
FIT
1:1
100%

Артикул

Название

Примечание

Количество

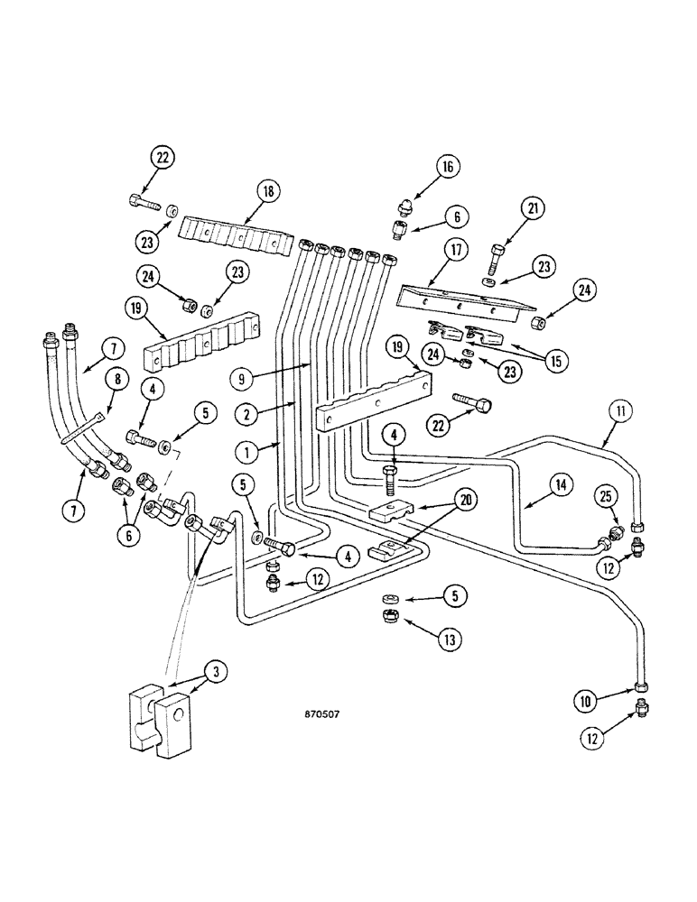
1

L6849111

PIPE

1шт.

2

M6849112

PIPE

1шт.

3

L4620319

SHIN

BRACKET

4шт.

4

J1133839

SCREW

M10 x 45 x 45

3шт.

5

W3528795

WASHER

"10.25 x 7 x 25"

3шт.

6

C3237597

FITTING

8шт.

7

J5931961

HOSE

700mm

2шт.

8

V336923

CLAMP

COLLAR 117mm

1шт.

9

G5849090

PIPE

1шт.

10

U5949175

PIPE

1шт.

11

W5949177

PIPE

1шт.

12

K3237581

UNION

3шт.

R7046042

GASKET

"11.5 x 16.5 x 1.5"

1шт.

13

G34598

SAFETY NUT

M10

1шт.

14

V5949176

PIPE

1шт.

15

R1436963

CLASP

14-20

2шт.

16

W45836

LUBE NIPPLE,1/8"-27 NPT

6шт.

17

U1831646

ANGLE BAR

1шт.

18

C4620334

SHIN

BRACKET

1шт.

19

E4620313

SHIN

BRACKET

2шт.

20

T4420364

SHIN

BRACKET

2шт.

21

86977786

BOLT,Hex, M6 x 1 x 25mm, Cl 8.8

2шт.

22

120102

BOLT,Hex, M6 x 40mm, Cl 8.8

6шт.

23

B3528799

WASHER

"6.25 x 4 x 15"

10шт.

24

F234513

SAFETY NUT

M6

8шт.

25

E3237530

UNION

1шт.

R7046042

GASKET

"11.5 x 16.5 x 1.5"

1шт.

Выбрано товаров: 27