Запчасти Case 688C (2-32) - TURBOCHARGER SYSTEM (01) - ENGINE

Схема запчастей Case 688C - (2-32) - TURBOCHARGER SYSTEM (01) - ENGINE
15
3
10
16
3
2
8
6
13
5
1
7
4
3
14
2
15
13
16
11
12
9
3
FIT
1:1
100%

Артикул

Название

Примечание

Количество

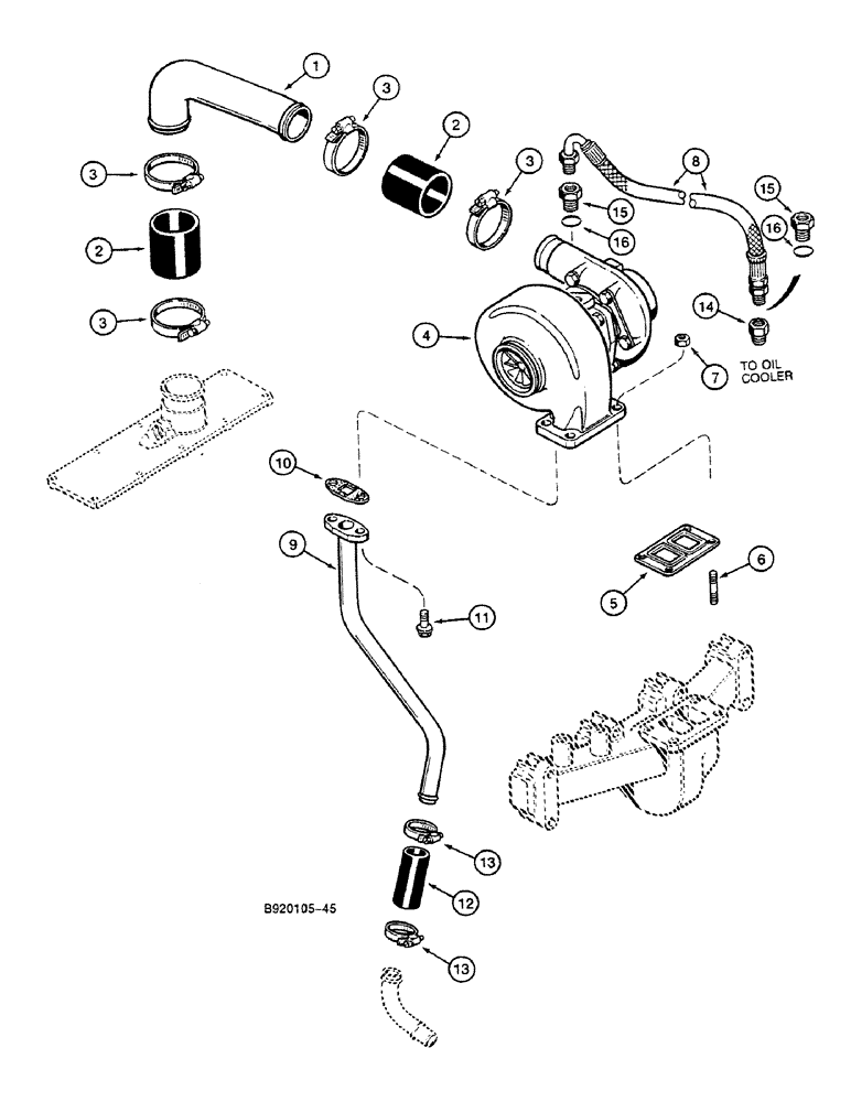
1

J906624

TUBE,2 mm OD x 265.1 mm L

PIECE elbow

1шт.

2

J916166

INTAKE AIR HOSE

SLEEVE Replace : J901804

2шт.

3

214-258

HOSE CLAMP,#28, 1.31" - 2.25", Type F Worm

Collar

4шт.

4

TURBOCHARGER, See Figure : 2-34

1шт.

5

J901356

GASKET,0.5mm Thk

1шт.

6

J905417

STUD

M10 x 40

4шт.

7

J901961

NUT

M10

4шт.

8

J909545

HOSE

1шт.

9

J903741

TUBE

1шт.

10

J914388

GASKET

1шт.

11

845-8020

BOLT,Hvy Hex, M8 x 20mm, Cl 8.8

2шт.

12

J903745

LARGE HOSE

HOSE,LARGE

1шт.

13

214-255

HOSE CLAMP,#16, 0.81" - 1.5", Type F Worm

Collar

2шт.

14

A77457

FITTING

CONNECTOR (-21092869)::

1шт.

15

J919687

HYD CONNECTOR

Consists Of : 16, (21092870-)::

2шт.

16

238-5013

O-RING,0.07" Thk x 0.426" ID, -13, Cl 5, 75 Duro

1шт.

Выбрано товаров: 16