Запчасти Case 688C (9B-02) - ENGINE MODULE (05.1) - UPPERSTRUCTURE CHASSIS/ATTACHMENTS

Схема запчастей Case 688C - (9B-02) - ENGINE MODULE (05.1) - UPPERSTRUCTURE CHASSIS/ATTACHMENTS
18
6
12
14
26
27
9
22
1
23
4
11
3
6
16
17
28
25
19
20
13
29
21
5
30
24
8
15
8
7
9
21
12
2
7
FIT
1:1
100%

Артикул

Название

Примечание

Количество

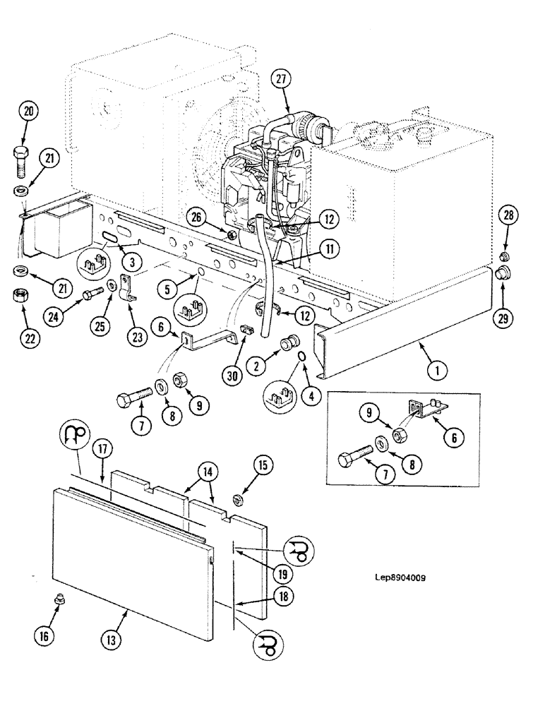
1

N1054976

CHASSIS

(-11048)::

1шт.

1

D2054938

CHASSIS

(11049-)::

1шт.

2

K41478

GROMMET

GUIDE

5шт.

3

B1303158

PROTECTOR

GUIDE Order Length : 195mm

2шт.

4

E1303161

GROMMET

GUIDE Order Length : 205mm

1шт.

5

B1303158

PROTECTOR

GUIDE Order Length : 105mm

2шт.

6

S7128222

SUPPORT

(-11048)::

1шт.

6

W3226184

SUPPORT

(11049-)::

1шт.

7

43140

BOLT,Hex, M10 x 1.5 x 30mm, Cl 8.8

2шт.

8

W3528795

WASHER

"10.25 x 7 x 25", (-11048)::

2шт.

8

W35003

WASHER

M10 N, (11049-)::

2шт.

9

G34598

SAFETY NUT

M10

2шт.

10

Q36998

COLLAR CLAMP

25-40

3шт.

11

A31901

HYDRAULIC HOSE

Order Length : 450mm, (-11048)::

1шт.

11

A31901

HYDRAULIC HOSE

Order Length : 500mm, (11049-)::

1шт.

12

N51946

CLAMP

258mm

1шт.

13

H8143847

COWL

COVER

1шт.

14

X4441459

FOAM

PANEL Replace : Q4241444

2шт.

15

K3036998

CLIP,ELECTRICAL

10шт.

16

X41467

STOP

4шт.

17

X1303155

PROFILE

Order Length : 1170mm

1шт.

18

X1303155

PROFILE

Order Length : 495mm

2шт.

19

X1303155

PROFILE

Order Length : 65mm

2шт.

20

11125221

BOLT,Hex, M20 x 75, 8.8

1шт.

21

K4328747

WASHER

21 x 14 x 35

2шт.

22

Q134564

SAFETY NUT

M20

1шт.

23

W926460

SUPPORT

2шт.

24

120112

BOLT,Hex, M10 x 1.5 x 40mm, Cl 8.8, Full Thd

2шт.

25

W3528795

WASHER

"10.25 x 7 x 25"

4шт.

26

G34598

SAFETY NUT

M10

2шт.

27

1989060C2

ENGINE ASSEMBLY

ENGINE ASSY Replace : A174251 / A174288, See Page : 2-27 - 2-63, 3-15 - 3-25

1шт.

27

1989092C2

BASIC ENGINE

See : N.I.T. 3214, See Page 2-27, 2-29, 2-37 - 2-65

1шт.

Includes all parts except : starter, alternator, fan, fan belt, fan bracket, air cleaner, muffler, exhaust manifold, flywheel and housing, oil fill and dipstick, fuel injection pump, injectors and lines front crank pulley, belt tensioner and turbocharger.::

1шт.

27

1989092C3R

REMAN-BASIC ENGINE

Includes all parts except : starter, alternator, fan, fan belt, fan bracket, air cleaner, muffler, exhaust manifold, flywheel and housing, oil fill and dipstick, fuel injection pump, injectors and lines front crank pulley, belt tensioner and turbocharger.::

1шт.

27

1989092C3C

CORE-BASIC ENGINE

Return Part Number

1шт.

28

W3237454

PLASTIC PLUG

1шт.

29

R3037441

PLASTIC PLUG

2шт.

30

G3036926

BASE

SUPPORT

1шт.

Выбрано товаров: 38