Запчасти Case 688C (9D-16) - SEAT, (-10949) (05.1) - UPPERSTRUCTURE CHASSIS/ATTACHMENTS

Схема запчастей Case 688C - (9D-16) - SEAT, (-10949) (05.1) - UPPERSTRUCTURE CHASSIS/ATTACHMENTS
27
33
1
1
24
21
23
27
19
10
1
1
26
8
22
18
29
13
22
14
15
6
3
7
17
4
1
30
2
29
28
16
20
21
31
26
9
12
25
1
32
11
1
1
1
5
25
FIT
1:1
100%

Артикул

Название

Примечание

Количество

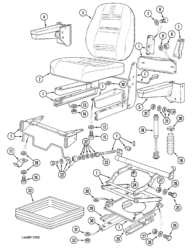
Q2047037

SEAT

Consist Of : 1-33, Order : K2047055

1шт.

1

SEAT Order : K2047055

1шт.

2

U1347059

CUSHION

See : N.I.T. 3150

1шт.

3

T1347058

BACKREST

See : N.I.T. 3150

1шт.

4

T2047040

ARMREST

Right, See : N.I.T. 3150

1шт.

5

S2047039

ARMREST

Left, See : N.I.T. 3150

1шт.

6

C1232917

HEX SOC SCREW,5/16" x 15.80mm

"5/16 x 15.8"

4шт.

7

T34609

WASHER

M8 U

4шт.

8

T34609

WASHER

M8 U

4шт.

9

G1334581

NUT

5/16

4шт.

10

U35001

WASHER

M6

4шт.

11

B1232916

SCREW,1/4" x 19mm

1/4 x 19

4шт.

12

U35001

WASHER

M6

4шт.

13

T34609

WASHER

M8 U

4шт.

14

9635082

NUT,5/16" - 18, Gr 5

4шт.

15

B1232916

SCREW,1/4" x 19mm

1/4 x 19

2шт.

16

U35001

WASHER

M6

4шт.

17

B2726674

SUPPORT

2шт.

18

E1343227

SHOCK ABSORBER

1шт.

19

J1340448

BELLOWS

11шт.

20

Q36998

COLLAR CLAMP

25-40

1шт.

21

N1047064

SUPPORT

1шт.

22

L1047062

PAWL

1шт.

23

N336318

RING, SNAP

RING SNAP

1шт.

24

N641436

STOP

2шт.

25

V1533038

SCREW

"M10 x 19.5"

4шт.

26

X35004

WASHER

M12 N

4шт.

27

G34598

SAFETY NUT

M10

4шт.

28

T34609

WASHER

M8 U

4шт.

29

M1047063

SET

Order : Q2047060

1шт.

30

N348301

BLOCK

SHIM

2шт.

31

715853R1

RING

M8 N

4шт.

32

A134596

SAFETY NUT

M8

4шт.

33

J2340465

BELLOWS

1шт.

Выбрано товаров: 34