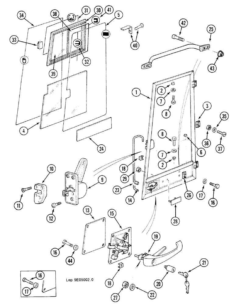
Запчасти Case 688C (9E-24) - CAB DOOR (SCANDINAVIAN) (05.1) - UPPERSTRUCTURE CHASSIS/ATTACHMENTS

Схема запчастей Case 688C - (9E-24) - CAB DOOR (SCANDINAVIAN) (05.1) - UPPERSTRUCTURE CHASSIS/ATTACHMENTS
11
35
2
24
30
22
9
7
15
16
13
17
5
32
43
39
18
2
14
36
41
29
3
37
23
17
10
7
40
25
31
42
44
38
12
8
27
21
20
18
8
33
34
6
26
28
1
16
16
4
19
FIT
1:1
100%

Артикул

Название

Примечание

Количество

J8143848

DOOR

SPARE PART Consist Of : 1-33, 38-44

1шт.

1

DOOR Order : J8143848

1шт.

2

E834513

RIVET

RIVET (-XXXXX)::

1шт.

3

A736667

HINGE

3шт.

C3337440

PLUG

2шт.

4

X2047021

GLASS

1шт.

5

Q203104

PACKAGE, REPAIR

COIL See : N.I.T. 3005

1шт.

6

P741441

SPACER

STOP

2шт.

7

P4328728

WASHER

"6.25 x 12 x 15", (-XXXXX)::

2шт.

8

120100

BOLT,M6 x 20mm, Cl 8.8

(-XXXXX)::

2шт.

9

K852067

MECHANISM

1шт.

10

U852053

CATCH PLATE

SHIM

1шт.

11

P32411

SCREW,Cross, M8 x 45, 10.9

3шт.

12

C32570

SCREW,M8 x 35mm, Cl 4.6

M8 x 35

1шт.

13

Z1325374

DOOR COVER

1шт.

14

N2130617

THREADED ROD

control

1шт.

15

W852055

MECHANISM

1шт.

16

U1133803

SCREW,Hex, M6 x 22

M6 x 22

6шт.

17

B3528799

WASHER

"6.25 x 4 x 15", (-XXXXX)::

6шт.

17

B3528799

WASHER

"6.25 x 4 x 15", (XXXXX-)::

2шт.

18

K1634573

NUT

M6

6шт.

19

C1352034

HANDLE

Consist Of : 20, 21

1шт.

20

P1352045

LOCK, CYLINDER

LOCK-CYLINDER Consist Of : 21

1шт.

21

A1352009

SET OF 2 KEYS

1шт.

22

U35001

WASHER

2шт.

23

E1037442

BLANK-OFF PLUG

1шт.

24

R522483

LARGE PLATE

PLATE, LARGE

1шт.

25

R1352047

HANDLE

Order : 3234209R1

1шт.

26

T7128246

CATCH PLATE

1шт.

27

F234513

SAFETY NUT

M6

2шт.

28

R1651599

TYPE PLATE

(-XXXXX)::

1шт.

29

Q2434587

NUT

"1/4", (-XXXXX)::

2шт.

30

Z2047022

WINDOW

Consist Of : 31, 32, 33, 38, 39, 40, 41

1шт.

31

J1303188

SLIPPER

Order Length : 2800mm

1шт.

32

H1303187

GASKET

Order Length : 662mm

1шт.

33

Q1352046

LOCK

1шт.

34

W9646013

DOOR SEAL

FRAME Replace : N7146043

1шт.

35

V34611

WASHER

M10 U

6шт.

36

G34598

SAFETY NUT

Nut M10

6шт.

37

J32415

HEX SOC SCREW,M10 x 35mm, Cl 10.9

6шт.

38

W2047043

GLASS

1шт.

39

X2047044

GLASS

Consist Of : 33

1шт.

40

J8646260

SPARE PART SET

See : N.I.T. 3096

1шт.

41

M9346038

SEAL

Order Length : 1400mm

1шт.

42

H32529

SCREW,Hex, M4 x 16

2шт.

43

B35444

RIVET

M4

2шт.

44

U35001

WASHER

M6 N, (XXXXX-)::

4шт.

Выбрано товаров: 47