Запчасти Case 688C (9F-10) - ADJUSTABLE BOOM (MOBILE SECTION) (05.1) - UPPERSTRUCTURE CHASSIS/ATTACHMENTS

Схема запчастей Case 688C - (9F-10) - ADJUSTABLE BOOM (MOBILE SECTION) (05.1) - UPPERSTRUCTURE CHASSIS/ATTACHMENTS
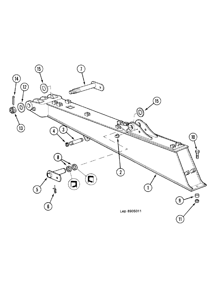
5
2
3
1
11
8
14
7
15
12
9
4
15
10
6
13
FIT
1:1
100%

Артикул

Название

Примечание

Количество

1

BOOM Consist Of : 2, See To Sales Department

1шт.

2

N1127863

SHAFT LOCK

1шт.

3

Q5327872

PIN

Dia 30

1шт.

4

F36322

RING, SNAP

RING SNAP

2шт.

5

U50388

PIN

Dia 60

1шт.

6

C36020

SPLIT PIN/SAFETY PIN

1шт.

7

D3430913

PIN

60, Replace : Q2930973

1шт.

8

R151309

SEAL,60mm ID x 75mm OD x 8mm Thk

6шт.

9

K4328747

WASHER

21 x 14 x 35

1шт.

10

9847023

BOLT,Hex, M20 x 2.5 x 50mm, Cl 8.8, Full Thd

1шт.

11

S34171

NUT

M20

1шт.

12

L34625

WASHER

M 42U

1шт.

13

X34337

NUT

M42

1шт.

14

PA35558

SPLIT PIN

1шт.

15

L145347

WASHER,61mm ID x 110mm OD x 2mm Thk

61 x 110 x 2

1шт.

Выбрано товаров: 15