Запчасти Case 688C (9G-48) - TRENCHING CLAMSHELLS (100L 0.32M) (05.1) - UPPERSTRUCTURE CHASSIS/ATTACHMENTS

Схема запчастей Case 688C - (9G-48) - TRENCHING CLAMSHELLS (100L 0.32M) (05.1) - UPPERSTRUCTURE CHASSIS/ATTACHMENTS
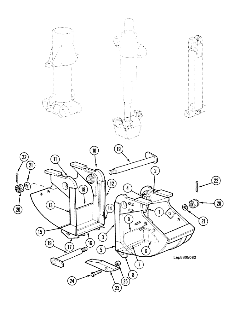
8
1
11
13
10
5
22
20
2
12
9
22
24
21
19
15
14
18
17
3
7
16
23
4
6
25
19
20
21
FIT
1:1
100%

Артикул

Название

Примечание

Количество

1

Z27116

ARM

1шт.

2

P0027117A

ARM

1шт.

3

L21722

STIFFENER

1шт.

4

M21723

STIFFENER

1шт.

5

A22149

STIFFENER

1шт.

6

B22150

STIFFENER

1шт.

7

L51829

BLADE

Consist Of : 8

1шт.

8

Q26740

CASE

1шт.

9

S224657

HOOD

PLATE

1шт.

10

Z27116

ARM

1шт.

11

CASA27117

RING, SNAP

1шт.

12

L21722

STIFFENER

1шт.

13

M21723

STIFFENER

1шт.

14

A22149

STIFFENER

1шт.

15

B22150

STIFFENER

1шт.

16

M51830

BLADE

Consist Of : 17

1шт.

17

Q26740

CASE

2шт.

18

S224657

HOOD

PLATE

1шт.

19

S30974

PIN

Dia 40

4шт.

20

T34333

DIODE

M30

4шт.

21

PG34621

WASHER

M30 U

4шт.

22

P35548

SPLIT PIN/SAFETY PIN

4шт.

23

C44645

TOOTH

3шт.

24

350616

BOLT,M16 x 2 x 90mm, Cl 8.8

6шт.

25

Q34169

NUT

M16

6шт.

Выбрано товаров: 25