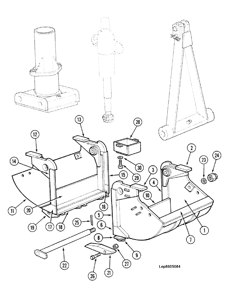
Запчасти Case 688C (9G-52) - TRENCHING CLAMSHELLS (210L 0.65M) (05.1) - UPPERSTRUCTURE CHASSIS/ATTACHMENTS

Схема запчастей Case 688C - (9G-52) - TRENCHING CLAMSHELLS (210L 0.65M) (05.1) - UPPERSTRUCTURE CHASSIS/ATTACHMENTS
20
9
6
14
25
27
16
23
1
28
24
11
29
18
8
21
26
17
3
2
19
12
15
30
10
13
5
4
22
7
FIT
1:1
100%

Артикул

Название

Примечание

Количество

1

K50241

SHELL

Consist Of : 2-10

1шт.

2

P0027117A

ARM

1шт.

3

Z27116

ARM

1шт.

4

M21723

STIFFENER

1шт.

5

L21722

STIFFENER

1шт.

6

A22149

STIFFENER

1шт.

7

B22150

STIFFENER

1шт.

8

CASR51834

BAR

Consist Of : 9

1шт.

9

Q26740

CASE

2шт.

10

U224659

HOOD

PLATE

1шт.

11

J50240

SHELL

Consist Of : 12-20

1шт.

12

CASA27117

RING, SNAP

1шт.

13

Z27116

ARM

1шт.

14

M21723

STIFFENER

1шт.

15

L21722

STIFFENER

1шт.

16

A22149

STIFFENER

1шт.

17

B22150

STIFFENER

1шт.

18

S51835

BLADE

Consist Of : 19

1шт.

19

Q26740

CASE

3шт.

20

U224659

HOOD

PLATE

1шт.

21

C44645

TOOTH

5шт.

22

D50304

PIN

40

4шт.

23

PG34621

WASHER

M30 U

4шт.

24

T34333

DIODE

M30

4шт.

25

P35548

SPLIT PIN/SAFETY PIN

4шт.

26

350616

BOLT,M16 x 2 x 90mm, Cl 8.8

4шт.

27

Q34169

NUT

M16

4шт.

28

PA52325

PROTECTOR

Protector

1шт.

29

P33869

BOLT,Hex, M14 x 30

2шт.

30

Z35005

WASHER

M14 U

2шт.

Выбрано товаров: 0