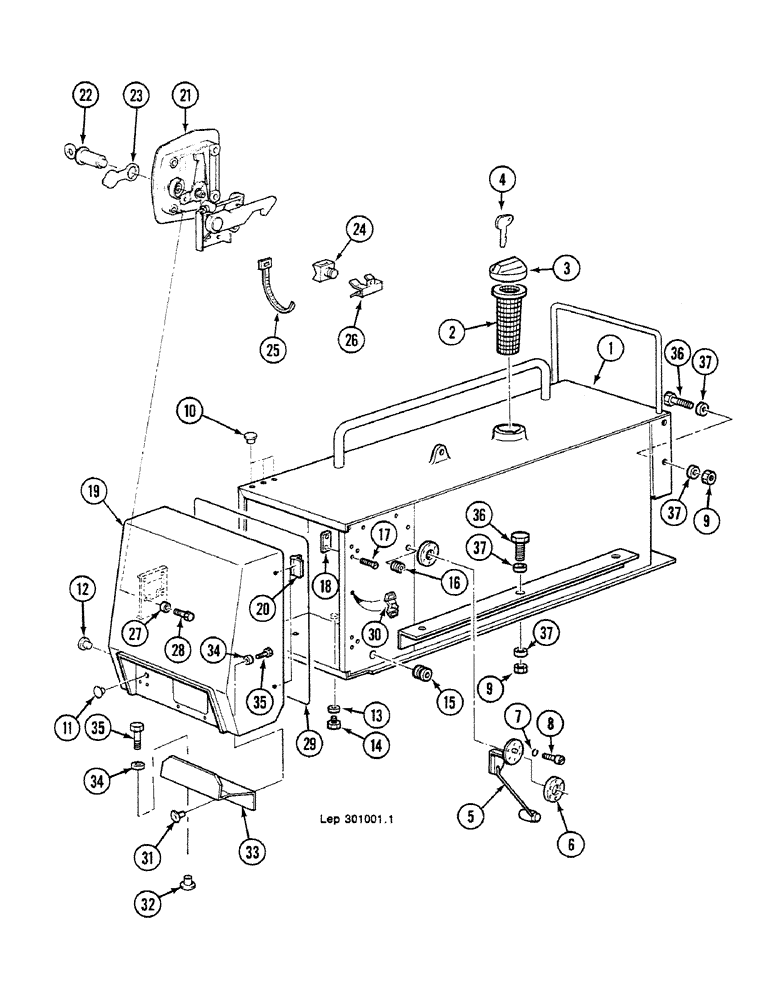
Запчасти Case 688C (3-06) - FUEL TANK, (11129, 11131-) (02) - FUEL SYSTEM

Схема запчастей Case 688C - (3-06) - FUEL TANK, (11129, 11131-) (02) - FUEL SYSTEM
17
31
9
13
15
29
35
6
37
18
35
19
2
16
20
33
28
12
11
26
24
5
4
14
9
34
22
1
8
30
37
36
10
37
3
25
34
7
36
27
32
23
37
21
FIT
1:1
100%

Артикул

Название

Примечание

Количество

1

E2440212

FUEL TANK

SPARE PART RESERVOIR

1шт.

2

G50537

FILTER BOWL

1шт.

3

P3337451

FILLER CAP

PLUG

1шт.

P8846020

SEAL

Consist Of : 4

1шт.

4

A1352009

SET OF 2 KEYS

1шт.

5

R1941836

ELECTRICAL GAUGE

Consist Of : 6

1шт.

6

L8846063

GASKET

1шт.

7

V34703

WASHER

W4

6шт.

8

J32530

SCREW,Sltd Fil Hd, M4 x 10

6шт.

9

Q134564

SAFETY NUT

M20

5шт.

10

N3337427

PLASTIC PLUG

3шт.

11

R3037441

PLASTIC PLUG

1шт.

12

W3237454

PLASTIC PLUG

1шт.

13

W146001

SEAL

SEAL WASHER DE14

1шт.

14

F37495

PLUG

1шт.

15

N141485

GROMMET

GUIDE 3

1шт.

16

J41477

GROMMET

GUIDE 20

1шт.

17

N32465

HEX SOC SCREW,M10 x 25mm, Cl 10.9

4шт.

18

D3523166

PLATE

2шт.

19

T7828251

DOOR

Consist Of : 20

1шт.

20

A736667

HINGE

2шт.

C3337440

PLUG

1шт.

21

C5242783

MECHANISM

LOCK Consist Of : 22, 23

1шт.

22

H152083

LOCK, CYLINDER

LOCK-CYLINDER

1шт.

A1352009

SET OF 2 KEYS

1шт.

23

V2340499

DOOR COVER

1шт.

24

P2036939

CLASP

1шт.

25

V336923

CLAMP

COLLAR 117mm

1шт.

26

Z2036902

CLASP

3-7

1шт.

27

U35001

WASHER

M6 N

5шт.

28

86508568

BOLT,Hex, M6 x 1 x 16mm, Cl 8.8

5шт.

29

E303167

DOOR SEAL

Order Length : 2160mm

1шт.

30

G3036926

BASE

CLASP

1шт.

31

F35448

RIVET,8mm OD x 18mm L

M8, Order : L234587

1шт.

32

G35449

RIVET

M8, Order : L234587

2шт.

33

R3326367

PROTECTION PLATE

1шт.

34

M4328795

WASHER

"8.25 x 6 x 15"

3шт.

35

43127

BOLT,Hex, M8 x 1.25 x 25mm, Cl 8.8

3шт.

36

11125221

BOLT,Hex, M20 x 75, 8.8

5шт.

37

K4328747

WASHER

21 x 14 x 35

10шт.

Выбрано товаров: 40