Запчасти Case 688C (4-02) - ALTERNATOR (06) - ELECTRICAL SYSTEMS

Схема запчастей Case 688C - (4-02) - ALTERNATOR (06) - ELECTRICAL SYSTEMS
16
9
19
4
25
10
17
1
3
13
26
2
18
27
12
15
6
14
23
11
9
21
11
24
8
7
22
20
28
5
FIT
1:1
100%

Артикул

Название

Примечание

Количество

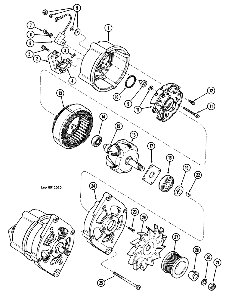
P941518

ALTERNATOR

Consist Of : 1-25

1шт.

1

N7946236

FLANGE

1шт.

2

C941530

GOVERNOR

Consist Of : 3, 4

1шт.

3

SPRING Order : C941530

2шт.

4

REGULATOR basic Order : C941530

1шт.

5

U2033034

SCREW

2шт.

6

Q2042437

CAPACITOR

CONDENSATOR

1шт.

7

NLS

NO LONGER SERVICED

1шт.

8

L34740

WASHER

1шт.

9

V941524

SET OF PARTS

1шт.

10

V1630466

O-RING

Order : 3079386R1

1шт.

11

W941525

RECTIFIER

1шт.

12

X3333066

SCREW

3шт.

13

U941523

STATOR

1шт.

14

M639641

BEARING

1шт.

15

Z6146082

BUSHING

1шт.

16

T941522

ROTOR

1шт.

17

N1340498

DUST CAP

Order : 3078379R1

1шт.

18

D639702

BEARING

1шт.

T641533

KIT

spare part Consist Of : 19-23

1шт.

19

SEAL Order : T641533

1шт.

20

WASHER Order : T641533

1шт.

21

H34116

NUT

M16

1шт.

22

KEY Order : T641533

1шт.

23

SCREW Order : T641533

4шт.

24

M7946235

FLANGE

1шт.

25

Z3333067

SCREW

4шт.

26

FAN, See Figure : 4-12, 4-16

1шт.

27

CONE, See Figure : 4-12, 4-16

1шт.

28

PULLEY, See Figure : 4-12, 4-16

1шт.

Выбрано товаров: 30