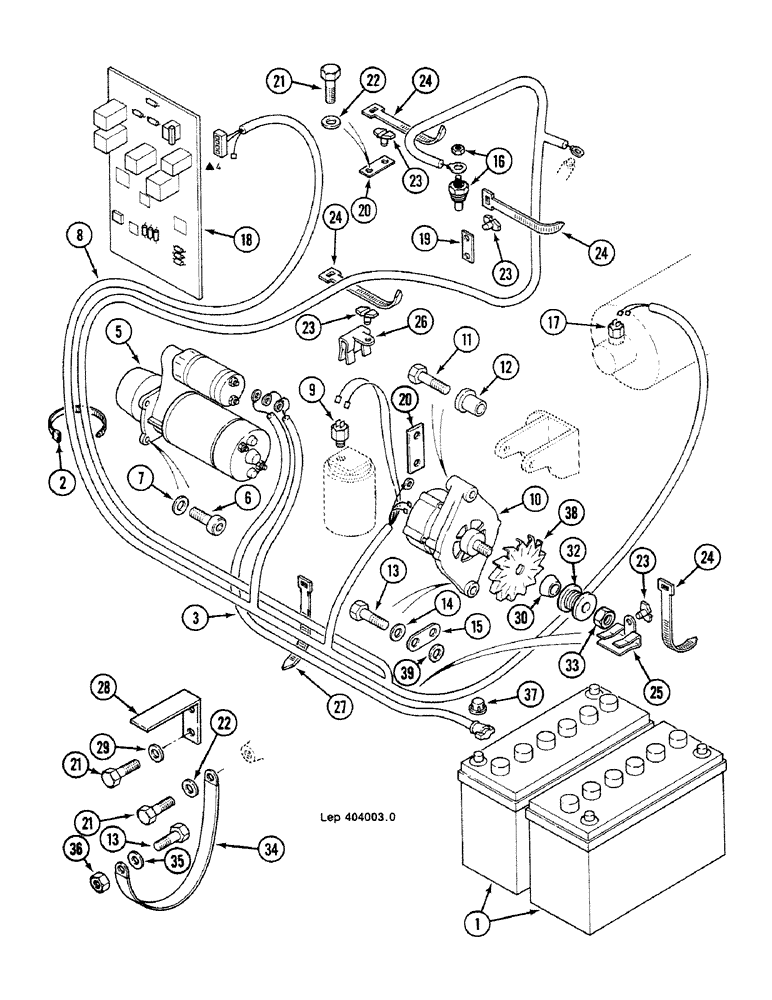
Запчасти Case 688C (4-16) - ENGINE ELECTRIC CIRCUIT, (11064-) (06) - ELECTRICAL SYSTEMS

Схема запчастей Case 688C - (4-16) - ENGINE ELECTRIC CIRCUIT, (11064-) (06) - ELECTRICAL SYSTEMS
24
15
22
16
5
37
23
18
2
34
20
23
23
11
10
25
24
7
23
38
30
26
20
24
21
27
21
19
13
13
8
9
21
12
36
1
39
28
35
33
14
32
3
22
6
24
17
29
FIT
1:1
100%

Артикул

Название

Примечание

Количество

1

BATTERY, See Figure : 4-42

1шт.

2

S1436941

MOUNTING CLIP

COLLAR

5шт.

3

S9247235

CABLE

1шт.

5

STARTER, See Figure : 4-04

1шт.

6

14420331

HEX SOC SCREW,M10 x 1.5 x 35mm, Cl 10.9, Full Thd

3шт.

7

V34611

WASHER

M10 N

3шт.

8

F1652233

HARNESS

wire

1шт.

8

E1652232

HARNESS

wire

1шт.

9

T1241879

ELECTRO/HYD CONTACT

1шт.

10

GENERATOR altern cur, See Figure : 4-02

1шт.

11

120075

BOLT,M10 x 1.5 x 106.58mm, Cl 8.8

1шт.

12

D2728884

BUSHING

1шт.

13

43127

BOLT,Hex, M8 x 1.25 x 25mm, Cl 8.8

3шт.

14

715853R1

RING

M8 N

2шт.

15

A4524192

SUPPORT

1шт.

16

E3743277

SENSOR,1/2" - 14

GAUGE

1шт.

17

INDICATOR, See Figure : 2-04

1шт.

18

CARD, See Figure : 4-44

1шт.

19

R2822851

PLATE

1шт.

20

Z3122847

PLATE

6шт.

21

9706687

BOLT,M12 x 1.75 x 30mm, Cl 8.8

4шт.

22

U3528793

WASHER

"12.5 x 8 x 30"

6шт.

23

PP2036939

CLASP

1шт.

24

V336923

CLAMP

COLLAR 117mm

1шт.

25

A2036903

CLASP

8-13

1шт.

26

Z2036902

CLASP

3-7

1шт.

27

N51946

CLAMP

COLLAR 258mm

1шт.

28

U5625634

ANGLE

PIECE

1шт.

29

P4328797

WASHER

"12.5 x 8 x 25"

2шт.

30

J908563

RETAINER

CONE

1шт.

31

U3528793

WASHER

"12.5 x 8 x 30"

2шт.

32

J908560

PULLEY

1шт.

33

H34116

NUT

M16

1шт.

34

T1047299

NEG BATTERY CABLE

STRIP

1шт.

35

V3528794

WASHER

"8.25 x 6 x 20"

1шт.

36

43362

NUT,M8 x 1.25, Cl 10

1шт.

37

U2340452

PROTECTION CAP

red

1шт.

38

W3543239

VENTILATOR

FAN

1шт.

39

L3145329

WASHER

1шт.

Выбрано товаров: 39