Запчасти Case 220B (8-092) - OPTIONAL CRANING VALVE HYDRAULIC CIRCUIT, ARM AND BOOM CYLINDERS (CONT) (08) - HYDRAULICS

Схема запчастей Case 220B - (8-092) - OPTIONAL CRANING VALVE HYDRAULIC CIRCUIT, ARM AND BOOM CYLINDERS (CONT) (08) - HYDRAULICS
FIT
1:1
100%

Артикул

Название

Примечание

Количество

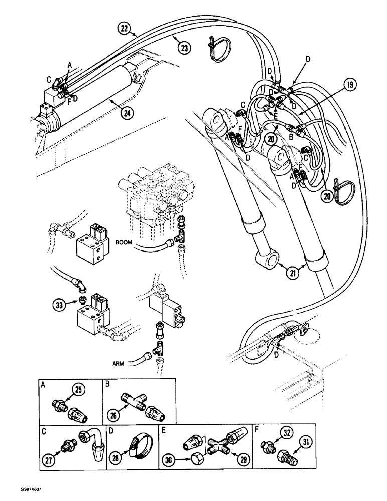
19

REF

INSTRUCTION

HOSE - control circuit, tee to craning valve at left-hand boom cylinder, 2000 mm (78-3/4 inch) long, cut from bulk hose P1103640 below, continued

1шт.

20

REF

INSTRUCTION

HOSE - control circuit, tees to craning valves, 2000 mm (78-3/4 inch) long, cut from bulk hose P1103640 below

2шт.

21

REF

INSTRUCTION

CYLINDER AND VALVE ASSEMBLY - boom, see figure 8-100 for craning valve circuit used with boom cylinders

2шт.

22

REF

INSTRUCTION

HOSE - control circuit, tee to craning valve at arm cylinder, 5000 mm (196-7/8 inch) long, cut from bulk hose P1103640 below

1шт.

23

REF

INSTRUCTION

HOSE - return, tee to craning valve at arm cylinder, 5000 mm (196-7/8 inch) long, cut from bulk hose P31901 below

1шт.

24

REF

INSTRUCTION

CYLINDER AND VALVE ASSEMBLY - arm, see figure 8-106 for craning valve circuit used with arm cylinder

1шт.

25

P4037571

UNION

ADAPTER - straight

3шт.

P7046042

SEAL

- adapter

1шт.

26

P937275

TEE

- male

1шт.

27

P4037571

UNION

ADAPTER ASSEMBLY - straight

3шт.

P7046042

SEAL

- adapter

1шт.

28

P36998

COLLAR CLAMP

CLAMP - hose

10шт.

29

P1237220

CROSS

- hydraulic, leak return lines

1шт.

30

P2537407

BLANK-OFF PLUG

CAP - hydraulic fitting, 18 mm - 1.5, if used

1шт.

31

P3837686

PIPE

FITTING - stem

3шт.

32

P3037504

UNION

ADAPTER ASSEMBLY - straight

3шт.

P945293

WASHER, SEALING

SEAL - adapter

1шт.

33

P4037573

UNION

ADAPTER ASSEMBLY - straight

1шт.

P945295

SEAL

- adapter

1шт.

P1103640

PIPE

HOSE - bulk, sold by the meter

1шт.

P31901

HOSE, BULK

HOSE - bulk, sold by the meter

1шт.

Выбрано товаров: 21