Запчасти Case 220B (8-146) - FOOT CONTROL VALVE, MONSUN-TISON MANUFACTURED, IF USED, P.I.N. 74510 THRU 74597, P.I.N. 03201 & AFT (08) - HYDRAULICS

Схема запчастей Case 220B - (8-146) - FOOT CONTROL VALVE, MONSUN-TISON MANUFACTURED, IF USED, P.I.N. 74510 THRU 74597, P.I.N. 03201 & AFT (08) - HYDRAULICS
FIT
1:1
100%

Артикул

Название

Примечание

Количество

P1643394

BLOCK ASSY.

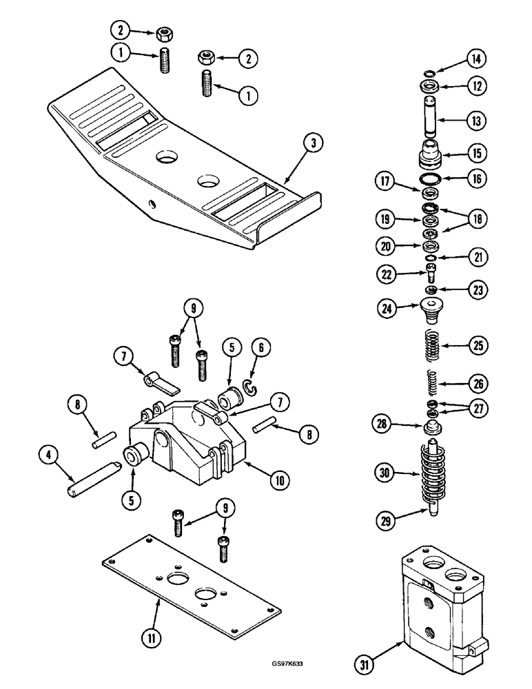
VALVE ASSEMBLY - control, foot, Includes: Ref. 1 - 31

2-3шт.

P5242748

PEDAL

ASSEMBLY - foot, Includes: Ref. 1 - 3

1шт.

1

P3533052

SCREW

- set, foot pedal

2шт.

2

P34211

NUT

- hex, jam

2шт.

3

NSS

NOT SOLD SEPARAT

PEDAL - valve control, order pedal assembly P5242748

1шт.

P6528252

SUPPORT

PLATE ASSEMBLY - foot pedal mounting, Includes: Ref. 4 - 11

1шт.

4

NSS

NOT SOLD SEPARAT

PIN - foot pedal pivot, order plate assembly P6528252

1шт.

5

NSS

NOT SOLD SEPARAT

BUSHING - mounting block, order plate assembly P6528252

2шт.

6

NSS

NOT SOLD SEPARAT

RING - snap, pin, order plate assembly P6528252

1шт.

7

NSS

NOT SOLD SEPARAT

LEVER - mounting block, order plate assembly P6528252

2шт.

8

NSS

NOT SOLD SEPARAT

PIN - roll, mounting block, order plate assembly P6528252

2шт.

9

NSS

NOT SOLD SEPARAT

BOLT - block to mounting plate, order plate assembly P6528252

4шт.

10

NSS

NOT SOLD SEPARAT

BLOCK - foot pedal mounting, order plate assembly P6528252

1шт.

11

NSS

NOT SOLD SEPARAT

PLATE - foot pedal mounting, order plate assembly P6528252

1шт.

P5949643

CARTRIDGE

KIT - cartridge and guide (Replaces kit P3143665), Includes: Ref. 12 - 21

2шт.

12

NSS

NOT SOLD SEPARAT

WASHER - guide, order kit P5949643

1шт.

13

NSS

NOT SOLD SEPARAT

PIN - guide, order kit P5949643

1шт.

14

NSS

NOT SOLD SEPARAT

O-RING - guide pin, order kit P5949643

1шт.

15

NSS

NOT SOLD SEPARAT

GUIDE - cartridge, order kit P5949643

1шт.

16

NSS

NOT SOLD SEPARAT

O-RING - guide, outer, order kit P5949643

1шт.

17

P8046003

OIL SEAL

SPACER - cartridge

1шт.

18

P936337

SPARE PART SET

KIT - retainer

1шт.

19

NSS

NOT SOLD SEPARAT

SPACER - cartridge, order kit P5949643

1шт.

20

NSS

NOT SOLD SEPARAT

SPACER - cartridge, order kit P5949643

1шт.

21

P2230446

O-RING

- guide, inner

1шт.

P3143664

CARTRIDGE

KIT - spring, Includes: Ref. 22 - 31

2шт.

22

NSS

NOT SOLD SEPARAT

SCREW - cartridge, order kit P3143664

1шт.

23

NSS

NOT SOLD SEPARAT

WASHER - screw, order kit P3143664

1шт.

24

NSS

NOT SOLD SEPARAT

GUIDE - spring, upper, order kit P3143664

1шт.

25

NSS

NOT SOLD SEPARAT

SPRING - cartridge, outer, order kit P3143664

1шт.

26

NSS

NOT SOLD SEPARAT

SPRING - cartridge, inner, order kit P3143664

1шт.

27

NSS

NOT SOLD SEPARAT

SHIM - spring, order kit P3143664

2шт.

28

NSS

NOT SOLD SEPARAT

GUIDE - spring, lower, order kit P3143664

1шт.

29

NSS

NOT SOLD SEPARAT

SPOOL - regulating, order kit P3143664

1шт.

30

NSS

NOT SOLD SEPARAT

SPRING - spool return, order kit P3143664

1шт.

31

NSS

NOT SOLD SEPARAT

SECTION - valve body, order valve assembly P1643394

1шт.

Выбрано товаров: 36