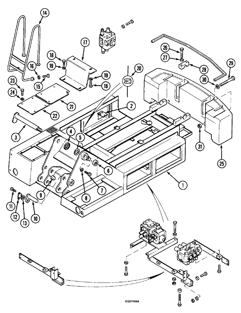
Запчасти Case 220B (9-006) - TURNTABLE AND COUNTERWEIGHT, P.I.N. 74441 THROUGH 74597, P.I.N. 03201 AND AFTER (09) - CHASSIS

Схема запчастей Case 220B - (9-006) - TURNTABLE AND COUNTERWEIGHT, P.I.N. 74441 THROUGH 74597, P.I.N. 03201 AND AFTER (09) - CHASSIS
FIT
1:1
100%

Артикул

Название

Примечание

Количество

P1653770

CHASSIS

TURNTABLE ASSEMBLY - excavator, Includes: Ref. 1 and 2

1шт.

1

NSS

NOT SOLD SEPARAT

TURNTABLE - weldment, order turntable assembly P1653770

1шт.

2

P736626

HINGE

- turntable

8шт.

3

P2530963

HEADED PIN

PIN, HEADED -, Serial Range: boom-turntable

1шт.

4

P251304

SEAL

- boom pivot pin

2шт.

5

P1945387

WASHER

- pin, 2 mm (0.08 inch) thick

1шт.

6

P1329171

NUT

COLLAR - threaded

1шт.

7

P1033093

SCREW

BOLT - special

1шт.

8

P34224A

NUT

- bolt

1шт.

9

P2630177

SHAFT LOCK

PIN - locking, boom cylinder pin, Serial Range: welded-turntable

2шт.

10

P2530964

PIN

HEADED - boom, Serial Range: cylinder-turntable

2шт.

11

614-12025

BOLT,Hex, M12 x 1.75 x 25mm, Cl 8.8, Full Thd

- pin, hex, full threads, 12 - 1.75 x 25 mm (Replaces bolt P33873)

6шт.

12

P523573

BRAKE

PLATE - locking

2шт.

13

P2630178

CAP

INSERT - pin

2шт.

14

P4247919

LADDER

- turntable access

1шт.

15

814-14060

BOLT,Hex, M14 x 2 x 60mm, Cl 8.8

ladder (Replaces bolt P633005) Hex, M14 x 60, 8.8

4шт.

16

P4328732

WASHER

SPACER - bolt

4шт.

17

P1426159

HOOD

COVER - turntable, rear

1шт.

18

614-14040

BOLT,Hex, M14 x 2 x 40mm, Cl 8.8, Full Thd

(Replaces bolt P533846) Hex, M14 x 40, 8.8, Full Thd

4шт.

19

P3528792

WASHER

SPACER - bolt

4шт.

20

REF

INSTRUCTION

SEAL - 600 mm (23-5/8 inch) long, cut from bulk seal P3109 below

2шт.

21

P348466

HOOD

COVER - turntable, middle

1шт.

22

P2148496

HOOD

COVER - turntable, front

1шт.

23

614-10030

BOLT,Hex, M10 x 1.5 x 30mm, Cl 8.8, Full Thd

Full Thd, Cover Hex, M10 x 30, 8.8

8шт.

24

P3528795

WASHER

SPACER - bolt

8шт.

25

P503895

BALANCER

COUNTERWEIGHT - rear

1шт.

26

P1033812

SCREW

BOLT - counterweight, vertical

4шт.

27

P3528796

WASHER

SPACER - bolt

4шт.

28

P1820385

PLATE,SMALL SQUARE

BRACKET - counterweight, upper

2шт.

29

P32638

SCREW

BOLT - counterweight, horizontal (Replaces bolt P154257)

2шт.

30

P646315

WASHER

SPACER - bolt

2шт.

31

P834544

SAFETY NUT

NUT - hex

2шт.

P3109

GASKET

SEAL - bulk, sold by the meter Continued on next figure

1шт.

Выбрано товаров: 33