Запчасти Case 220B (9-034) - SEAT, PRIOR TO P.I.N. 03213 (09) - CHASSIS

Схема запчастей Case 220B - (9-034) - SEAT, PRIOR TO P.I.N. 03213 (09) - CHASSIS
FIT
1:1
100%

Артикул

Название

Примечание

Количество

P2047037

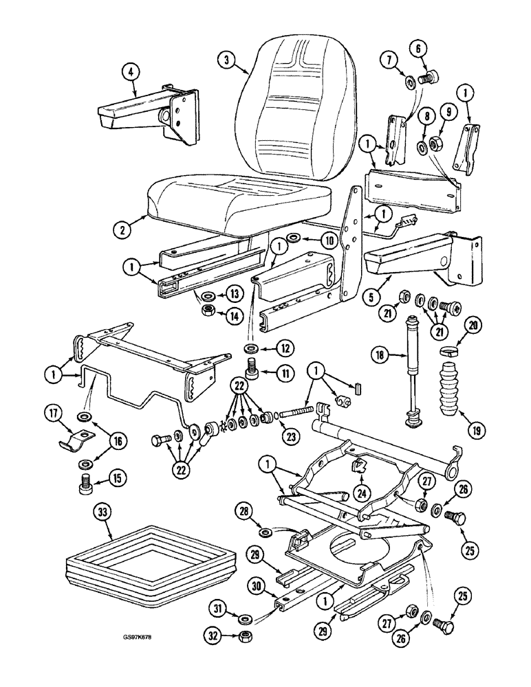
SEAT

ASSEMBLY - operator’s, no longer available, order seat assembly P2047055, parts list Figure 9-35, Includes: Ref. 1 - 32

1шт.

1

NSS

NOT SOLD SEPARAT

FRAME - seat, order seat assembly

1шт.

2

P1347059

CUSHION

- seat bottom

1шт.

See T.I.N. number 1110.

1шт.

3

P1347058

BACKREST

CUSHION - seat back

1шт.

See T.I.N. number 1110.

1шт.

4

P2047040

ARMREST

- seat, right-hand, no longer available, order armrest P2047061 on Figure 9-35

1шт.

See T.I.N. number 1110.

1шт.

5

P2047039

ARMREST

- seat, left-hand, no longer available, order armrest P2047062 on Figure 9-35

1шт.

See T.I.N. number 1110.

1шт.

6

P1232917

SCREW

BOLT - seat back

4шт.

7

P34609

WASHER

- seat bolt

4шт.

8

P34609

WASHER

- stud

4шт.

9

P1334581

NUT

- stud

4шт.

10

P35001

WASHER

- flat, 6 mm

4шт.

11

P1232916

SCREW

BOLT -, Serial Range: frame-cushion

4шт.

12

P35001

WASHER

- flat, 6 mm

4шт.

13

P34609

WASHER

- seat frame stud

4шт.

14

P34201

NUT

- seat frame stud

4шт.

15

P1232916

SCREW

BOLT - clamp

2шт.

16

P35001

WASHER

- flat, 6 mm

4шт.

17

P2726674

SUPPORT

CLAMP - rod

2шт.

18

P1343227

SHOCK ABSORBER

ABSORBER - shock, seat

1шт.

19

P1340448

BELLOWS

BOOT - shock absorber

1шт.

20

P36998

COLLAR CLAMP

CLAMP - boot

1шт.

21

P1047064

BOLT

KIT - shock absorber hardware

1шт.

22

P1047062

PAWL

- seat

1шт.

23

P336318

RING, SNAP

RING - retaining

1шт.

24

P641436

STOP

- seat

2шт.

25

P1533038

SCREW

BOLT - special

4шт.

26

P35004

WASHER

- special bolt

4шт.

27

832-10410

NUT,M10 x 1.5, Cl 8

NUT, LOCK, (Replaces nut P34598) M10 x 1.5, Cl 8

4шт.

28

P34609

WASHER

- lower plate

4шт.

29

P1047063

SET

TRACK - set, right-hand and left-hand, no longer available, order track kit P2047060, Ref. 22 on Figure 9-35

1шт.

See T.I.N. number 1110.

1шт.

30

P348301

BLOCK

RAIL - lower

2шт.

31

P35002

WASHER

- track stud

4шт.

32

832-10408

NUT,M8 x 1.25, Cl 8.8

NUT, (Replaces nut P134596) M8 x 1.25, Cl 8

4шт.

33

P2340465

BELLOWS

COVER - suspension mechanism

1шт.

Выбрано товаров: 39