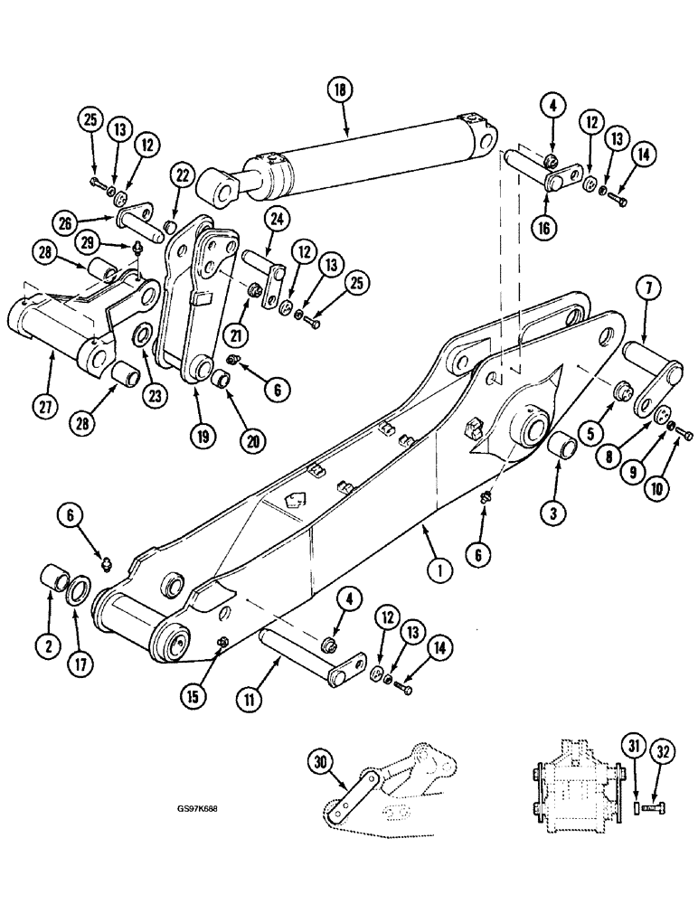
Запчасти Case 220B (9-054) - ARM, LINKS AND MOUNTING PINS, WITH 3.0 METER (9 FOOT, 10 INCH) ARM (09) - CHASSIS

Схема запчастей Case 220B - (9-054) - ARM, LINKS AND MOUNTING PINS, WITH 3.0 METER (9 FOOT, 10 INCH) ARM (09) - CHASSIS
FIT
1:1
100%

Артикул

Название

Примечание

Количество

1

REF

INSTRUCTION

ARM ASSEMBLY- 3.0 m (9 foot, 10 inch) long, machinery item, order from Machinery Price List, Includes: Ref. 2 - 5

1шт.

2

P4628747

BUSHING

- arm, at bucket

2шт.

3

P1528663

BUSHING

- arm pivot, at, Serial Range: arm-boom

2шт.

4

P2630177

SHAFT LOCK

PIN - locking, Serial Range: welded-arm

2шт.

5

P529989

SHAFT LOCK

PIN - locking, Serial Range: welded-arm

1шт.

6

J45801

LUBE NIPPLE,M8 x 1.25

straight M8 x 1.25

6шт.

7

P2530962

LARGE PIN

PIN - pivot, arm cylinder rod end mounting

1шт.

8

P530147

CAP

RETAINER - pin

1шт.

9

P4528701

WASHER

SPACER - bolt

3шт.

10

P433830

SCREW

BOLT - pivot pin

3шт.

11

P2530960

HEADED PIN

PIN, HEADED -, Serial Range: link-arm

1шт.

12

P2630178

CAP

RETAINER - pin

4шт.

13

P4328797

WASHER

SPACER - bolt

12шт.

14

614-12025

BOLT,Hex, M12 x 1.75 x 25mm, Cl 8.8, Full Thd

- pivot pin, hex, full threads, 12 - 1.75 x 25 mm (Replaces bolt P33873)

6шт.

15

P1437456

PLUG

ASSEMBLY - lubrication

2шт.

P945295

SEAL

- plug

1шт.

16

P2930916

PIVOT PIN

PIN - pivot, tool cylinder closed end mounting

1шт.

17

P245335

WASHER

SHIM - 2 mm (0.08 inch) thick, at, Serial Range: arm-tool

1шт.

18

REF

INSTRUCTION

CYLINDER ASSEMBLY - tool, parts list Figure 8-202 or 8-204, see Figure 8-110 for tool cylinder circuit

1шт.

P6853724

LINKAGE YOKE

LINK ASSEMBLY - cylinder to tool hinge and arm, Includes: Ref. 19 - 22

1шт.

19

NSS

NOT SOLD SEPARAT

LINK - cylinder to tool hinge and arm, order link assembly P6853724

1шт.

20

P4628748

BUSHING

- link

2шт.

21

P1927848

SHAFT LOCK

PIN - locking, link, left-hand, Serial Range: welded-link

1шт.

22

P3030104

STOP LOCK

PIN - locking, link, right-hand, Serial Range: welded-link

1шт.

23

P245424

WASHER

SHIM - 2 mm (0.08 inch) thick, at, Serial Range: link-arm

1шт.

24

P2930915

PIVOT PIN

PIN - pivot, tool, Serial Range: cylinder-link

1шт.

25

614-12035

BOLT,Hex, M12 x 1.75 x 35mm, Cl 8.8, Full Thd

Pivot pin Hex, M12 x 35, 8.8, Full Thd

6шт.

26

P2930917

PIVOT PIN

PIN - pivot, Serial Range: link-hinge

1шт.

P5853716

ROD, CONNECTING

HINGE ASSEMBLY - tool, Includes: Ref. 27 - 29

1шт.

27

NSS

NOT SOLD SEPARAT

HINGE - tool, order hinge assembly P5853716

1шт.

28

P4628797

BUSHING

- tool hinge

3шт.

29

J45801

LUBE NIPPLE,M8 x 1.25

straight M8 x 1.25

3шт.

30

P4823434

PLATE

LINK - transport, used when bucket is removed

2шт.

31

P4628738

WASHER

SPACER - bolt, 8 mm thick

4шт.

32

P33812

SCREW

BOLT - hex, 22 mm x 55 mm

4шт.

Выбрано товаров: 35