Запчасти Case 220B (3-12) - THROTTLE AND FUEL SHUTOFF CONTROLS, P.I.N. 74441 THROUGH 74597, P.I.N. 03201 AND AFTER (03) - FUEL SYSTEM

Схема запчастей Case 220B - (3-12) - THROTTLE AND FUEL SHUTOFF CONTROLS, P.I.N. 74441 THROUGH 74597, P.I.N. 03201 AND AFTER (03) - FUEL SYSTEM
FIT
1:1
100%

Артикул

Название

Примечание

Количество

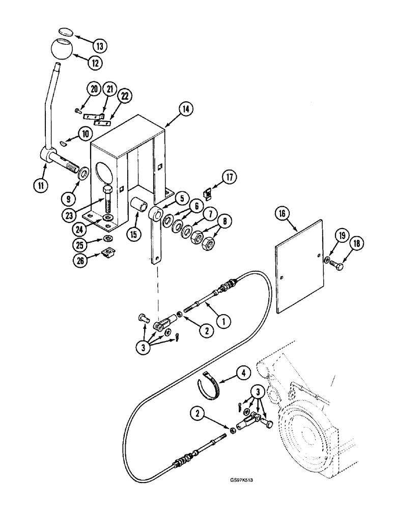
1

P4831332

CABLE

- throttle control

1шт.

2

825-1406

NUT,M6, Cl 8

Cable to yoke M6, Cl 8

2шт.

3

P2146214

CLEVIS

YOKE - cable end

2шт.

4

P51946

CLAMP

STRAP - tie, cable

10шт.

5

P4042787

CRANK LEVER

LEVER - throttle cable

1шт.

6

P34906

RUBBER WASHER

WASHER - spring

2шт.

7

P35005

WASHER

- special, throttle handle shaft

1шт.

8

P34546

NUT

- hex, throttle handle shaft

2шт.

9

P1245218

WASHER

- special, throttle handle shaft

1шт.

10

P1236106

BUCKET TOOTH KEY

KEY - shaft

1шт.

11

P4042788

CONTROL LEVER

LEVER - throttle control

1шт.

12

P152055

BALL KNOB

KNOB - lever

1шт.

13

P7147578

IDEOGRAM

PLATE - instruction, knob

1шт.

P5328216

SUPPORT

COVER ASSEMBLY - throttle control, Includes: Ref. 14 and 15

1шт.

14

NSS

NOT SOLD SEPARAT

COVER - throttle control, order cover assembly P5328216

1шт.

15

P29298

SELF LUB RING

BUSHING - self-lubricating

1шт.

16

P3122805

LARGE PLATE

PLATE - throttle control cover

1шт.

17

P1634573

NUT

- hex, cover plate bolt

2шт.

18

614-6020

BOLT,Hex, M6 x 1 x 20mm, Cl 8.8, Full Thd

- Throttle control cover plate, hex, full threads, 6 - 1.0 x 20 mm (Replaces bolt P33809)

2шт.

19

P3528799

WASHER

SPACER - cover plate bolt

2шт.

20

P35413

RIVET

- plate, lever detent

2шт.

21

P2426189

HOOD

PLATE - lever detent

1шт.

22

P1723282

PLATE

- spacer, lever detent

1шт.

23

P133865

SCREW

BOLT - throttle control cover

4шт.

24

P3528794

WASHER

SPACER - cover bolt

4шт.

25

P4328732

WASHER

SPACER - cover bolt

4шт.

26

P1334571

NUT

- cover bolt

4шт.

Выбрано товаров: 27