Запчасти Case 220B (4-06) - STARTER, P.I.N. 74441 THROUGH 74597, P.I.N. 03201 AND AFTER (04) - ELECTRICAL SYSTEMS

Схема запчастей Case 220B - (4-06) - STARTER, P.I.N. 74441 THROUGH 74597, P.I.N. 03201 AND AFTER (04) - ELECTRICAL SYSTEMS
FIT
1:1
100%

Артикул

Название

Примечание

Количество

P941506

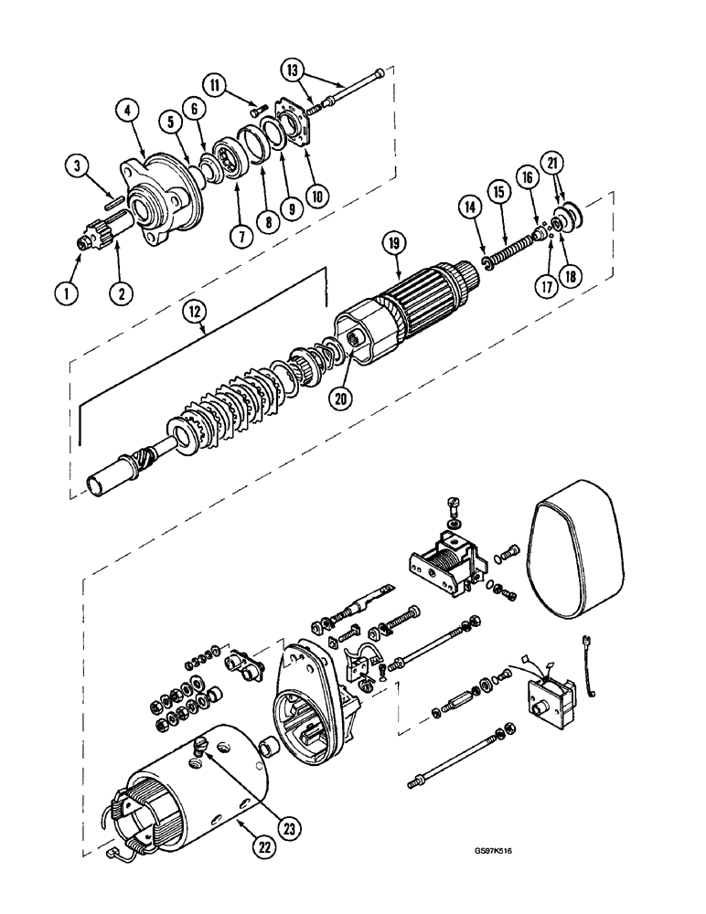
STARTING MOTOR

STARTER ASSEMBLY - 24 volt, Includes: Ref. 1 - 23 and 24 - 55 on figure 4-8

1шт.

1

P2434531

NUT

- engagement rod

1шт.

2

P4339302

PINION

GEAR - pinion, drive

1шт.

3

P236158

BUCKET TOOTH KEY

KEY - lock, pinion gear

1шт.

P7646265

FLANGE

COVER ASSEMBLY - drive end, Includes: Ref. 4 - 8

1шт.

4

NSS

NOT SOLD SEPARAT

COVER - drive end, order cover assembly P7646265

1шт.

5

NSS

NOT SOLD SEPARAT

RING - tension spring, order cover assembly P7646265

1шт.

6

NSS

NOT SOLD SEPARAT

SEAL - shaft, order cover assembly P7646265

1шт.

7

NSS

NOT SOLD SEPARAT

BEARING - shaft, order cover assembly P7646265

1шт.

8

NSS

NOT SOLD SEPARAT

RACE - bearing, order cover assembly P7646265

1шт.

9

P1545369

WASHER

RING - wear, bushing

1шт.

10

P39569

CYLINDER END CAP

CAP - end, armature

1шт.

11

P732605

BOLT

BOLT - end cap

4шт.

12

1334734C1

CLUTCH

- starter (Replaces clutch P7646264)

1шт.

P1928004

SHAFT

ROD ASSEMBLY - engagement, Includes: Ref. 13 - 18

1шт.

13

NSS

NOT SOLD SEPARAT

ROD - engagement, order rod assembly P1928004

1шт.

14

NSS

NOT SOLD SEPARAT

RING - spring retaining, order rod assembly P1928004

1шт.

15

NSS

NOT SOLD SEPARAT

SPRING - return, order rod assembly P1928004

1шт.

16

NSS

NOT SOLD SEPARAT

BUSHING - rod, order rod assembly P1928004

1шт.

17

NSS

NOT SOLD SEPARAT

BALL - thrust, order rod assembly P1928004

3шт.

18

NSS

NOT SOLD SEPARAT

RING - retaining, bushing, order rod assembly P1928004

1шт.

P941509

ARMATURE

ASSEMBLY - starter, Includes: Ref. 19 and 20

1шт.

19

NSS

NOT SOLD SEPARAT

ARMATURE - starter, order armature assembly P941509

1шт.

20

NSS

NOT SOLD SEPARAT

BEARING - needle, drive end, order armature assembly P941509

1шт.

21

1334739C1

SHIM

- 0.20 mm (0.008 inch) thick, commutator end (Replaces kit P1545379)

1шт.

21

P1545380

WASHER

KIT - shim, 0.30 mm (0.012 inch) thick, commutator end

1шт.

21

P1545381

WASHER

KIT - shim, 0.50 mm (0.020 inch) thick, commutator end

1шт.

22

NSS

NOT SOLD SEPARAT

HOUSING - coil and brushes, order starter assembly P941506

1шт.

23

P32425

SCREW

- coil to housing Continued on next figure

8шт.

Выбрано товаров: 0