Запчасти Case 220B (4-08) - STARTER, P.I.N. 74441 THROUGH 74597, P.I.N. 03201 AND AFTER (CONT) (04) - ELECTRICAL SYSTEMS

Схема запчастей Case 220B - (4-08) - STARTER, P.I.N. 74441 THROUGH 74597, P.I.N. 03201 AND AFTER (CONT) (04) - ELECTRICAL SYSTEMS
FIT
1:1
100%

Артикул

Название

Примечание

Количество

REF

INSTRUCTION

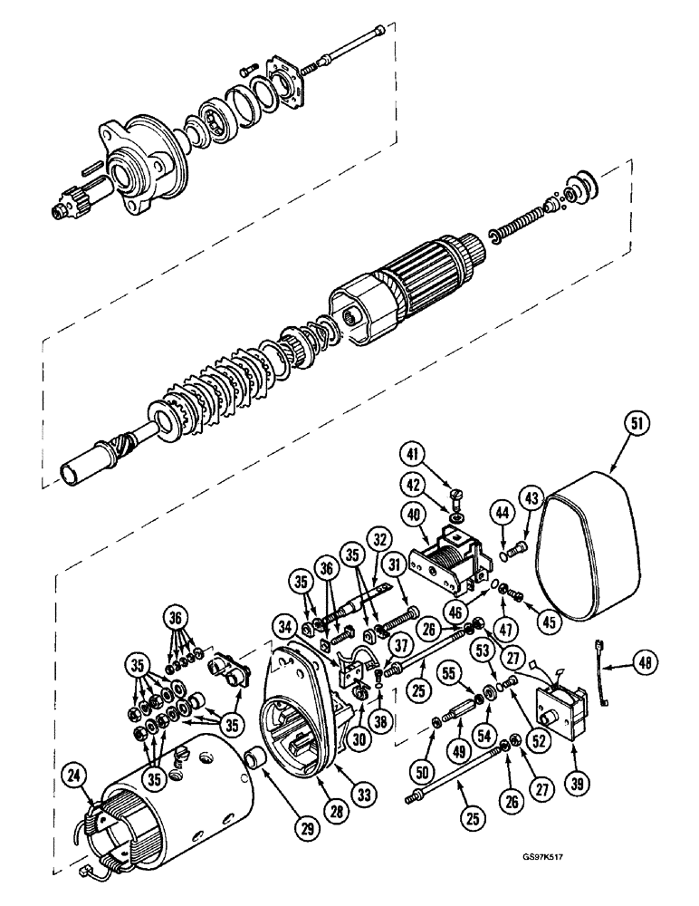
STARTER ASSEMBLY - 24 volt, continued, Includes: Ref. 24 - 55

1шт.

24

P941508

CABLE WINDER

COIL - field

1шт.

25

P2527742

STUD

- drive end cover to brush holder

3шт.

26

P1846362

WASHER

- lock, no longer available

3шт.

27

825-1406

NUT,M6, Cl 8

3шт.

P39567

CYLINDER END CAP

HOLDER ASSEMBLY - brush, Includes: Ref. 28 - 32

1шт.

28

NSS

NOT SOLD SEPARAT

HOLDER - brush, starter, order holder assembly P39567

1шт.

29

P1528607

BEARING LINER

BUSHING - brush holder

1шт.

30

1334729C1

SPRING

- brush holder (Replaces spring P38081)

4шт.

31

814-10050

BOLT,Hex, M10 x 1.5 x 50mm, Cl 8.8

Brush holder (Replaces bolt P133813) Hex, M10 x 50, 8.8

1шт.

32

P1533083

SCREW

BOLT - connector, battery, attaches to Ref. 41 screw

1шт.

33

P5346038

SEAL

O-RING - brush holder, large

1шт.

34

P1241274

SET

KIT - starter brushes

1шт.

35

1334732C91

SET

KIT - hardware, insulator mounting, includes washers and hex nuts (Replaces kit P7646263)

1шт.

36

1334731C1

CLAMP

KIT - hardware, insulator terminal mounting, center hole (Replaces kit P7646262)

1шт.

37

1334742C1

SCREW,Fil Hd

- brush terminal, 14 mm long (Replaces screw P3333024)

2шт.

37

1334750C1

SCREW,Fil Hd

- brush terminal, 10 mm long

2шт.

38

P34405

THUMB SCREW

WASHER - lock, brush terminal screws (Replaces washer P34404)

4шт.

39

P841889

SOLENOID SWITCH

SOLENOID - magnetic switch

1шт.

40

P441191

RELAY

- starter control

1шт.

41

1334750C1

SCREW,Fil Hd

- battery connector bolt

1шт.

42

P34704

DEUTZ PART

WASHER - lock, order from Deutz

1шт.

43

P533813

SCREW

BOLT - relay mounting

2шт.

44

892-11006

LOCK WASHER,M6

WASHER, LOCK, , Relay mounting bolt (Replaces washer P734704) M6

2шт.

45

1334750C1

SCREW,Fil Hd

BOLT - relay

3шт.

46

P34704

DEUTZ PART

WASHER - lock, order from Deutz

3шт.

47

P1045329

DEUTZ PART

WASHER - flat, order from Deutz

3шт.

48

1334758C1

CABLE

WIRE - relay (Replaces wire P3547216)

1шт.

49

P1727721

STUD

BOLT - special, and cover attaching

2шт.

50

1334753C1

WASHER

- flat (Replaces washer P1545382)

2шт.

51

1334755C1

COVER

- end, brush holder (Replaces cover P1540409)

1шт.

52

K965151

SCREW

BOLT - brush holder end cover to special bolt (Replaces bolt P32516)

2шт.

53

P534702

WASHER

- lock

2шт.

54

P1545383

DISC

RETAINER - seal

2шт.

55

P5346056

SEAL

- cover

2шт.

Выбрано товаров: 35