Запчасти Case 220B (4-31) - CAB ELECTRICAL COMPONENTS, P.I.N. 03048 AND AFTER (04) - ELECTRICAL SYSTEMS

Схема запчастей Case 220B - (4-31) - CAB ELECTRICAL COMPONENTS, P.I.N. 03048 AND AFTER (04) - ELECTRICAL SYSTEMS
FIT
1:1
100%

Артикул

Название

Примечание

Количество

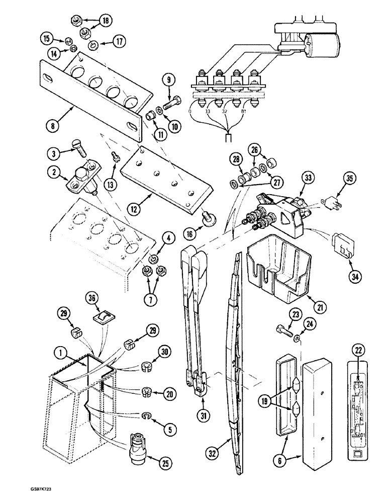
1

P1652224

HARNESS - cab wiring, no longer available

1шт.

2

P41676

IGNITION SWITCH

SWITCH - terminal, wiper motor

4шт.

3

P32427

SCREW

- terminal to bracket, 4 mm x 10 mm

8шт.

4

P34703V

WASHER, LOCK

WASHER - lock, 4 mm

8шт.

5

P141458

GROMMET

GUARD - edge, harness

1шт.

6

P841718

COURTESY LIGHT

LAMP - cab, includes cover

1шт.

7

P34107X

NUT,M4, Cl 8

- hex, 4 mm

12шт.

8

P7628277

SUPPORT

BRACKET - mounting, insulator and contact button

1шт.

9

614-6025

BOLT,Hex, M6 x 1 x 25mm, Cl 8.8, Full Thd

- hex, full threads, 6 - 1.0 x 25 mm, Bracket to cab (Replaces bolt P33807)

2шт.

10

P3528799

WASHER

SPACER - bolt, 4 mm

2шт.

11

P834513

NUT

RETAINER - bolt, sleeve type, 6 mm

2шт.

12

P4441435

RUBBER INSULATOR

INSULATOR - contact, Serial Range: button-bracket

1шт.

13

P32506

SCREW

- insulator to bracket, 3 mm x 12 mm

2шт.

14

P34803

WASHER

- lock

2шт.

15

825-1403

NUT,M3, Cl 8

- hex, 3 mm - 0.5 (Replaces nut P34105)

2шт.

16

P1033082

SCREW

BUTTON - electrical contact

4шт.

17

P34706Z

WASHER

- lock, 5 mm

4шт.

18

825-1405

NUT,M5, Cl 8

(Replaces nut P34108) M5, Cl 8

8шт.

19

P40565

LAMP

BULB - cab lamp

2шт.

20

P3141475

HALF-BUSHING

GROMMET - rubber, 0.63 inch diameter

1шт.

21

P2125335

HOUSING

COVER - wiper motor

1шт.

22

P6747257

ELECTRICAL WIRE

WIRE - lamp, upper

1шт.

23

P32529

SCREW,Hex Soc Hd, M4 x 16

- lamp to cab, 4 mm x 16 mm

2шт.

24

P4328717

WASHER

SPACER - lamp screw, 3 mm

2шт.

25

P40746

CONNECTOR,ELECTRIC

PLUG - cab harness, seven-way

1шт.

26

P1128594

WASHER

SPACER - motor shaft, long

4шт.

27

P1446361

WASHER

SPACER - motor shaft, short

4шт.

28

P2541402

GROMMET

BUSHING - motor shaft

2шт.

29

P41447

GROMMET

- rubber, Serial Range: harness-cab

3шт.

30

P3141476

HALF-BUSHING

GROMMET - rubber, 0.79 inch diameter

1шт.

31

P4143211

WIPER ARM

ARM - wiper

1шт.

32

P4143212

WIPER BLADE

WIPER - windshield

1шт.

33

P1941861

WIPER MOTOR

MOTOR - wiper

1шт.

34

P1941862

CASE

TIME-DELAY - motor

1шт.

35

P1941863

RELAY

- motor

1шт.

36

P1241413

CLIP,ELECTRICAL

CLIP -, Serial Range: harness-cab

2шт.

Выбрано товаров: 36