Запчасти Case 220B (4-50) - TURNTABLE ELECTRICAL COMPONENTS, P.I.N. 74441 THROUGH 74597, P.I.N. 03201 AND AFTER (04) - ELECTRICAL SYSTEMS

Схема запчастей Case 220B - (4-50) - TURNTABLE ELECTRICAL COMPONENTS, P.I.N. 74441 THROUGH 74597, P.I.N. 03201 AND AFTER (04) - ELECTRICAL SYSTEMS
FIT
1:1
100%

Артикул

Название

Примечание

Количество

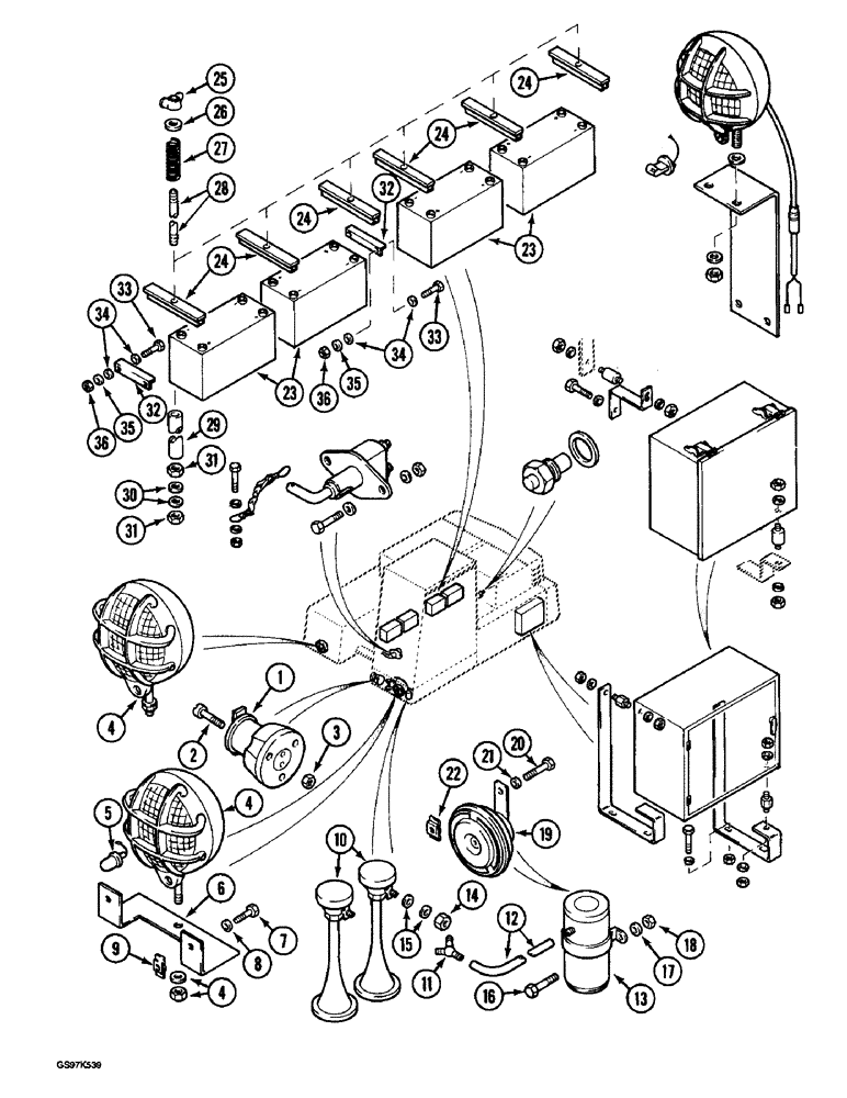
1

P1340721

PEDESTAL

SOCKET - trouble lamp

1шт.

2

P32550

SCREW

BOLT - socket

3шт.

3

832-10406

NUT,M6 x 1, Cl 8

LOCK, (Replaces nut P234513) M6 x 1, Cl 8

3шт.

4

P841725

SPOTLIGHT

LAMP - turntable, includes washer and nut

2шт.

5

P340501

LAMP

BULB - turntable lamp

2шт.

6

P4825675

SUPPORT

BRACKET - lamp mounting, used with left-hand turntable lamp only

1шт.

7

614-8025

BOLT,Hex, M8 x 1.25 x 25mm, Cl 8.8, Full Thd

- bracket to turntable, hex, full threads, 8 - 1.25 x 25 mm (Replaces bolt P33815)

2шт.

8

P3528794

WASHER

SPACER - bolt

2шт.

9

P1334571

NUT

- bracket bolt

2шт.

P141768

BUZZER

HORN ASSEMBLY - air, Includes: Ref. 10 - 13, Serial Range: 74441-74529

1шт.

10

P141767

HORN

- air, includes Ref. 14 below

2шт.

11

P537241

TEE

- air compressor

1шт.

12

P1031978

TUBE

HOSE - to air compressor

1шт.

13

NSS

NOT SOLD SEPARAT

COMPRESSOR - air, electric, horn, order horn assembly P141768

1шт.

14

P34113E

NUT,M8, Cl 8

- horn stud, Serial Range: 74441-74529

2шт.

15

P3528799

WASHER

SPACER - horn stud, Serial Range: 74441-74529

4шт.

16

614-8030

BOLT,Hex, M8 x 1.25 x 30mm, Cl 8.8, Full Thd

HH, CL 8.8, M8 x 1.25 x 30

2шт.

17

P3528794

WASHER

SPACER - bolt, Serial Range: 74441-74529

2шт.

18

P34113E

NUT,M8, Cl 8

- bolt, Serial Range: 74441-74529

2шт.

19

P4143205

BUZZER

HORN - electric, P.I.N. 74530 and after (Replaces horn P841746)

1шт.

20

614-8025

BOLT,Hex, M8 x 1.25 x 25mm, Cl 8.8, Full Thd

- hex, full threads, 8 - 1.25 x 25 mm, horn mounting, Start Serial: 74530

1шт.

21

P3528794

WASHER

SPACER - horn mounting bolt, Start Serial: 74530

1шт.

22

P1334571

NUT

- cage type, horn mounting bolt, Start Serial: 74530

1шт.

23

P941895

DRY BATTERY

- 6 volt, dry-type (Replaces battery P941879)

4шт.

23a

P2340487

HOLE PLUG BUTTON

WASHER - special, used to prevent corrosion on battery, not shown

1шт.

24

P3141474

CONNECTING STRIP

BRACKET - battery hold down

6шт.

25

P34409B

NUT, WING

NUT - wing, stud

6шт.

26

P35002

WASHER

SPACER - wing nut

6шт.

27

P138125

COMPRESSION SPRING

SPRING - tension

6шт.

28

P1727752

TRUSS ROD

STUD - battery retaining

6шт.

29

P902644

TUBE

SLEEVE - stud

6шт.

30

P35002

WASHER

SPACER - sleeve

12шт.

31

P34113E

NUT,M8, Cl 8

- stud retaining

12шт.

32

P2231567

RUBBER STRIP

BRACKET - battery, if used

4шт.

33

814-10050

BOLT,Hex, M10 x 1.5 x 50mm, Cl 8.8

Bracket, If used (Replaces bolt P133813) Hex, M10 x 50, 8.8

8шт.

34

P828558

BUSHING

SPACER - bolt, if used

16шт.

35

P34611

WASHER

- bolt, if used

8шт.

36

832-10410

NUT,M10 x 1.5, Cl 8

NUT, LOCK, , If used (Replaces nut P34598) Continued on next figure M10 x 1.5, Cl 8

8шт.

Выбрано товаров: 38