Запчасти Case 220B (4-52) - TRNTBL ELEC COMPNTS,PIN 74441-74597/03201 & AFT (04) - ELECTRICAL SYSTEMS

Схема запчастей Case 220B - (4-52) - TRNTBL ELEC COMPNTS,PIN 74441-74597/03201 & AFT (04) - ELECTRICAL SYSTEMS
FIT
1:1
100%

Артикул

Название

Примечание

Количество

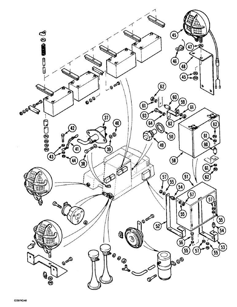
37

P2141263

CIRCUIT-BREAKER

SWITCH - battery disconnect (Replaces switch P641221) continued

1шт.

38

614-6025

BOLT,Hex, M6 x 1 x 25mm, Cl 8.8, Full Thd

- hex, full threads, 6 - 1.0 x 25 mm, Switch mounting

2шт.

39

P3528799

WASHER

SPACER - bolt

4шт.

40

825-1406

NUT,M6, Cl 8

2шт.

41

Q2631352

CHAIN (CE)

CHAIN - battery disconnect

1шт.

42

P833886

SCREW

BOLT - chain mounting

1шт.

43

P4328717

WASHER

SPACER - bolt

2шт.

44

P34107X

NUT,M4, Cl 8

- bolt

1шт.

45

P841725

SPOTLIGHT

LAMP - attachment, boom, includes washer and nut

2шт.

46

P340501

LAMP

BULB - attachment lamp

2шт.

47

P35004

WASHER

- lamp mounting

2шт.

48

P4225650

PLATE

BRACKET - attachment lamp mounting, at boom cylinder tube clamp, uses existing hardware

2шт.

49

P641661

PROBE

SENDER - temperature, hydraulic reservoir

1шт.

50

P28430

COMPOSITE SEAL

SEAL - temperature sender

1шт.

51

REF

INSTRUCTION

BOX - electrical, main control, see figures 4-56 through 4-62 for correct electrical box components, mounting parts, side hinged access door

1шт.

52

P3126319

SUPPORT

BRACKET - electrical box, left-hand, mounting parts, side hinged access door

1шт.

53

P3126318

SUPPORT

BRACKET - electrical box, right-hand, mounting parts, side hinged access door

1шт.

54

P41474

STOP

MOUNT - rubber, electrical box, mounting parts, side hinged access door

4шт.

55

P3528795

WASHER

SPACER - rubber mount to brackets, mounting parts for electrical box, side hinged access door

12шт.

56

814-10040

BOLT,Hex, M10 x 1.5 x 40mm, Cl 8.8

- bracket, hex, 10 - 1.5 x 40 mm (Replaces bolt P933818), mounting parts for electrical box, side hinged access door

4шт.

57

832-10410

NUT,M10 x 1.5, Cl 8

NUT, LOCK, (Replaces nut P34598), mounting parts for electrical box, side hinged access door M10 x 1.5, Cl 8

12шт.

58

REF

INSTRUCTION

BOX - electrical, main control, see figures 4-64 and 4-66 for electrical box components, mounting parts, side hinged access door

1шт.

59

P3226128

SUPPORT

BRACKET - mounting, electrical box, mounting parts, side hinged access door

2шт.

60

P41474

STOP

MOUNT - rubber, electric box, mounting parts, side hinged access door

4шт.

61

P3528795

WASHER

SPACER - rubber mount to brackets, mounting parts, side hinged access door

8шт.

62

832-10410

NUT,M10 x 1.5, Cl 8

NUT, LOCK, (Replaces nut P34598), mounting parts for electrical box, side hinged access door M10 x 1.5, Cl 8

8шт.

63

614-10020

BOLT,Hex, M10 x 1.5 x 20mm, Cl 8.8, Full Thd

(Replaces bolt P33826), mounting parts for electrical box, side hinged access door Hex, M10 x 20, 8.8, Full Thd

2шт.

64

P34611

WASHER

- flat, 10 mm, mounting parts for electrical box, side hinged access door

2шт.

Выбрано товаров: 28