Запчасти Case 220B (4-64) - ELECTRICAL BOX, WITH TOP LATCHED ACCESS DOOR, P.I.N. 74595 - 74597, P.I.N. 03201 AND AFTER (04) - ELECTRICAL SYSTEMS

Схема запчастей Case 220B - (4-64) - ELECTRICAL BOX, WITH TOP LATCHED ACCESS DOOR, P.I.N. 74595 - 74597, P.I.N. 03201 AND AFTER (04) - ELECTRICAL SYSTEMS
FIT
1:1
100%

Артикул

Название

Примечание

Количество

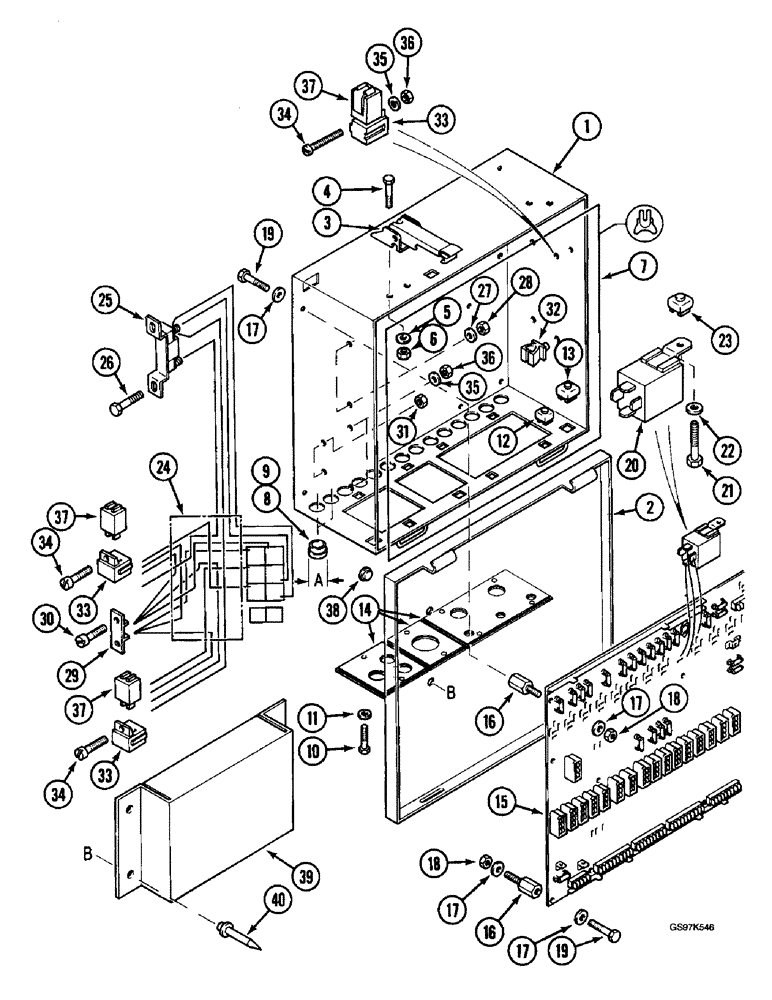
1

P2241093

CONTROL PANEL

BOX - electrical, printed circuit components

1шт.

2

P8143811

DOOR

- electrical box

1шт.

3

P3036980

FASTENER

LATCH - door

2шт.

4

P433811

SCREW

BOLT - hex, 4 mm x 10 mm

4шт.

5

P34603

WASHER

- flat, 4 mm

4шт.

6

P34107X

NUT,M4, Cl 8

- hex, 4 mm

4шт.

7

P2047020

WINDOW FRAME

SEAL - door, rubber

1шт.

8

P1337491

PLASTIC PLUG

PLUG - electrical box, A dimension is 20 mm (25/32 inch)

7шт.

9

P2537453

PLASTIC PLUG

PLUG - electrical box, A dimension is 25 mm (1 inch)

6шт.

10

P32549

SCREW

BOLT - hex, 6 mm x 16 mm

8шт.

11

P34607

WASHER

- flat, 6 mm

8шт.

12

P1334574

NUT

- cage type, 6 mm

8шт.

13

P1334560

NUT

- cage type, 10 mm

4шт.

14

REF

INSTRUCTION

PLATE - insulator, see figure 4-66 for plates and related parts

3шт.

15

REF

INSTRUCTION

CIRCUIT - printed, electrical box, see figure 4-66 for circuit board and related parts

1шт.

16

P2329172

SPACER

- special, printed, Serial Range: circuit-box

12шт.

17

P34603

WASHER

- flat, 4 mm

24шт.

18

P2434505

SAFETY NUT

NUT - hex, self-locking, 4 mm

12шт.

19

614-4008

BOLT,Hex, M4 x 0.7 x 8mm, Cl 8.8, Full Thd

- hex, full threads, 4 - 0.7 x 8 mm (Replaces bolt P232604)

12шт.

20

REF

INSTRUCTION

SWITCH - magnetic, bolt-on type, see figure 4-66

1шт.

21

P133857

SCREW

BOLT - hex, 6 mm x 12 mm

1шт.

22

P35001

WASHER

- flat, 6 mm

1шт.

23

P1334574

NUT

- cage type, 6 mm

1шт.

24

P1652212

HARNESS

- electrical box (Replaces harness P8547278)

1шт.

25

P242406

DEUTZ PART

RESISTOR - electrical circuit, order from Deutz

1шт.

26

P133857

SCREW

BOLT - hex, 6 mm x 12 mm

2шт.

27

P3528799

WASHER

SPACER - bolt, 4 mm thick

2шт.

28

825-1406

NUT,M6, Cl 8

2шт.

29

P40826

SLIDER

CONNECTOR - electrical circuit

1шт.

30

P32531

SCREW

- slotted head, 4 mm x 20 mm

2шт.

31

P34107X

NUT,M4, Cl 8

- hex, 4 mm

2шт.

32

P2036942

SUPPORT

CLAMP - harness, electrical box

3шт.

33

P40710

PLATE

RECEPTACLE - harness, magnetic switch

3шт.

34

P32538

SCREW

- slotted, 5 mm x 16 mm

3шт.

35

P4328717

WASHER

SPACER - screw, 3 mm thick

3шт.

36

825-1405

NUT,M5, Cl 8

(Replaces nut P34108) M5, Cl 8

3шт.

37

P3041116

IGNITION SWITCH

SWITCH - magnetic, plug-in type

3шт.

38

P2537472

PLASTIC PLUG

PLUG - plastic, electrical box door, if used

4шт.

39

P2125317

DOOR

BOX - parts catalog, if used

1шт.

40

P35418

RIVET

- pop, 4.8 mm x 17 mm, if used

4шт.

Выбрано товаров: 40