Запчасти Case 220B (8-006) - HYDRAULIC PUMP LINES, RESERVOIR TO PUMPS AND VALVES, P.I.N. 74441 - 74597, P.I.N. 03201 AND AFTER (08) - HYDRAULICS

Схема запчастей Case 220B - (8-006) - HYDRAULIC PUMP LINES, RESERVOIR TO PUMPS AND VALVES, P.I.N. 74441 - 74597, P.I.N. 03201 AND AFTER (08) - HYDRAULICS
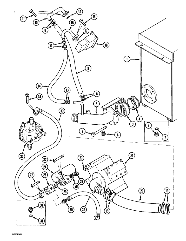
FIT
1:1
100%

Артикул

Название

Примечание

Количество

1

REF

INSTRUCTION

RESERVOIR - hydraulic oil, see Figure 8-2 for breather and return oil filters

1шт.

2

814-16090

BOLT,Hex, M16 x 2 x 90mm, Cl 8.8

Shutoff valve (Replaces bolt P33855) Hex, M16 x 90, 8.8

4шт.

P837806

VANEUM GAUGE

VALVE ASSEMBLY - shutoff, Includes: Ref. 3 and 4

1шт.

3

NSS

NOT SOLD SEPARAT

BODY - valve, order valve assembly P837806

1шт.

4

P7546015

BUSHING

- valve

1шт.

5

P1250133

MANIFOLD

TUBE - suction, at reservoir, no longer available

1шт.

6

P1737444

PLUG

- tube

1шт.

7

238-6123

O-RING,0.103" Thk x 1.174" ID, -123, Cl 6, 90 Duro

Plug (Replaces O-ring R30990) -123, 90 Duro, 1.174" ID x .103" Thk

1шт.

6

P1437458

PLUG

ASSEMBLY - tube, Start Serial: 74570

1шт.

P5746063

SEAL

O-RING - plug

1шт.

8

P36935

COLLAR CLAMP

CLAMP - suction hose, cooler pump

4шт.

9

REF

INSTRUCTION

HOSE - cooler suction, 900 mm (35-7/16 inch) long, cut from bulk hose P31810 below

1шт.

10

P1250141

PIPE

TUBE - cooler suction, at pump

1шт.

11

P732909

SCREW

BOLT - tube flange

2шт.

12

P30481

O-RING,0.139" Thk x 1.984" ID, -226, Cl 5, 75 Duro

- flange

1шт.

13

P36998

COLLAR CLAMP

CLAMP - suction hose, pilot circuit pump

4шт.

14

REF

INSTRUCTION

HOSE - pilot suction, 1000 mm (39-3/8 inch) long, cut from bulk hose P1103609 below

1шт.

15

P1250143

PIPE

TUBE - pilot suction, at pump

1шт.

16

P732958

SCREW

BOLT - tube flange

2шт.

17

238-6118

O-RING,0.103" Thk x 0.862" ID, -118, Cl 6, 90 Duro

Flange (Replaces O-ring P330430) -118, 90 Duro, .862" ID x .103" Thk

1шт.

18

P943578

PUMP

ASSEMBLY - cooler and pilot supply, parts list Figure 8-118

1шт.

19

214-1456

HOSE CLAMP,#56, 3.06" - 4", Type F Worm

CLAMP - suction hose, high pressure pump, adjustable, 3-1/16 - 4 inch diameter (Replaces clamp P1236903)

4шт.

20

P1031930

LARGE HOSE

HOSE - suction, high pressure pump

1шт.

21

P3443516

PUMP

ASSEMBLY - high pressure, parts list Figure 8-116

1шт.

22

P832916

SCREW

BOLT - accumulator

4шт.

23

238-6125

O-RING,0.103" Thk x 1.299" ID, -125, Cl 6, 90 Duro

- accumulator, 1-5/16 ID x 3/32 inch wide

1шт.

P4237794

SHOCK ABSORBER

ACCUMULATOR ASSEMBLY - swing control valve, Includes: Ref. 24 - 26

1шт.

24

NSS

NOT SOLD SEPARAT

BODY - accumulator, order accumulator assembly P4237794

1шт.

25

P933005

SCREW

- bleeder

5шт.

26

P1446072

WASHER

SEAL - bleeder screw

5шт.

27

P1232979

SCREW

BOLT - hose to pump at accumulator

2шт.

28

P3237733

JUNCTION

BLOCK - junction

1шт.

29

P1528828

JUNCTION

UNION - junction block

1шт.

30

P3037546

UNION

ADAPTER - pilot hose

1шт.

31

238-6116

O-RING,0.103" Thk x 0.737" ID, -116, Cl 6, 90 Duro

Adapter (Replaces O-ring L33215) -116, 90 Duro, .737" ID x .103" Thk

1шт.

30

P4037573

UNION

ADAPTER ASSEMBLY - pilot hose, Start Serial: 74570

1шт.

P945295

SEAL

O-RING - adapter

1шт.

32

P4831901

HOSE

- pilot, swing to power sensing valve, see figure 8-8 for connecting, Serial Range: parts-valve

1шт.

32

P6631920

HOSE

- pilot, swing to power sensing valve, see figures 8-12 for connecting parts to valve, Start Serial: 74570

1шт.

33

P3731961

HOSE

- pump to swing valve

1шт.

34

14420331

HEX SOC SCREW,M10 x 1.5 x 35mm, Cl 10.9, Full Thd

Flange to swing valve Hex Soc Hd, M10 x 35, 10.9

2шт.

35

P2443638

BLOCK ASSY.

VALVE ASSEMBLY - control, parts list Figure 8-136

1шт.

P31810

HOSE, BULK

HOSE - bulk, sold by the meter

1шт.

P1103609

LARGE HOSE

HOSE - bulk, sold by the meter

1шт.

Выбрано товаров: 44