Запчасти Case 220B (8-026) - HYDRAULIC CIRCUIT, RETURN LINES FROM VALVES, P.I.N. 74570 - 74597, P.I.N. 03201 & AFTER (08) - HYDRAULICS

Схема запчастей Case 220B - (8-026) - HYDRAULIC CIRCUIT, RETURN LINES FROM VALVES, P.I.N. 74570 - 74597, P.I.N. 03201 & AFTER (08) - HYDRAULICS
FIT
1:1
100%

Артикул

Название

Примечание

Количество

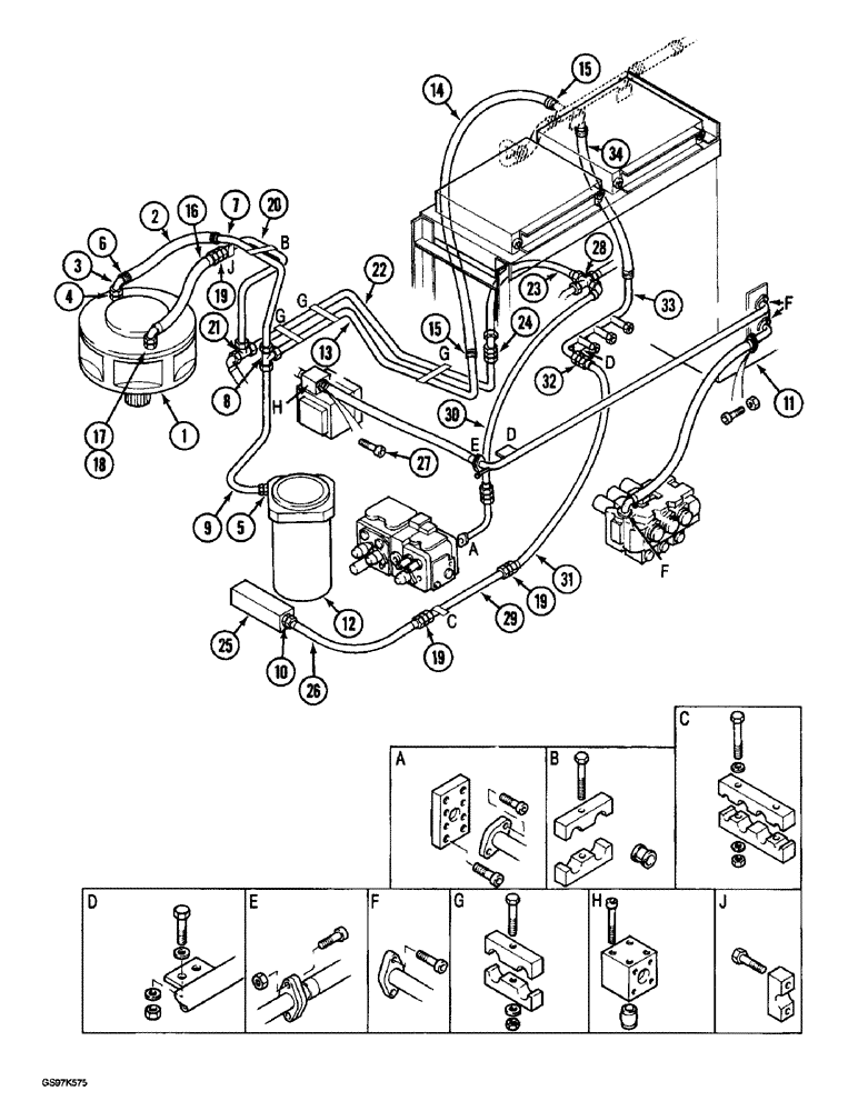
1

P1943722R

REMAN-HYD MOTOR

MOTOR ASSEMBLY - swing, parts list Figures 8-178 and 8-180

1шт.

2

REF

INSTRUCTION

HOSE - swing motor return, 1000 mm (39-3/8 inch) long, cut from bulk hose P1103608 below

1шт.

3

P5847163

PIPE

ADAPTER - 90 degree, return hose

1шт.

4

P3037501

UNION

ADAPTER ASSEMBLY - straight, swing motor

1шт.

P5746063

SEAL

- adapter

1шт.

5

P3037515

UNION

ADAPTER ASSEMBLY - straight, Serial Range: tube-swivel

1шт.

P5746063

SEAL

- adapter

1шт.

6

P36998

COLLAR CLAMP

CLAMP - swing motor return hose

4шт.

7

P5749002

PIPE

TUBE - hose to tee, no longer available

1шт.

8

P37268

TEE

- swing motor tube to swivel tube

1шт.

9

P7447640

PIPE

TUBE -, Serial Range: tee-swivel

1шт.

10

P2337592

UNION

ADAPTER ASSEMBLY - straight, manifold

1шт.

P945293

WASHER, SEALING

SEAL - adapter

1шт.

11

P840272

OIL RESERVOIR

RESERVOIR - hydraulic oil, see Figure 8-2 for breather and return oil filters

1шт.

12

P1737754

HYDRAULIC SWIVEL

SWIVEL ASSEMBLY - hydraulic, parts list Figure 8-186

1шт.

13

P5449099

PIPE

TUBE - tee to oil cooler hose

1шт.

14

REF

INSTRUCTION

HOSE - tube to oil cooler, 700 mm (27-9/16 inch) long, cut from bulk hose P1103609 below

1шт.

15

P36998

COLLAR CLAMP

CLAMP - oil cooler return hose

4шт.

16

P4431991

HOSE

- swing motor warm-through

1шт.

17

P3037511

UNION

ADAPTER - straight, hose to swing motor

1шт.

18

P245217

WASHER, SEALING

O-RING - adapter

1шт.

18

P245217

WASHER, SEALING

O-RING - adapter

1шт.

19

P37550

UNION

ADAPTER - straight, Serial Range: hose-tube

3шт.

20

P5749001

PIPE

TUBE -, Serial Range: hose-tee

1шт.

21

P37241

TEE

- tube to warm-through tube

1шт.

22

P5449097

PIPE

TUBE - warm-through

1шт.

23

P3231993

HOSE

- warm-through

1шт.

24

P37551

UNION

ADAPTER -, Serial Range: hose-tube

1шт.

25

REF

INSTRUCTION

BLOCK - manifold, return circuit, see Figures 8-66 - 8-70

1шт.

26

P3731901

HOSE

- manifold

1шт.

27

J532918

SCREW,Hex Skt, M12 x 40mm, Cl 10.9

Hose flange to block Hex Skt Hd, M12 x 40, 10.9

2шт.

28

REF

INSTRUCTION

CROSS - hydraulic, see figure 8-36 for related, Serial Range: hydraulics-cooler

1шт.

29

P1137610

PIPE

TUBE - manifold hose, no longer available

1шт.

30

P3231994

HOSE

- parallel control valve to hydraulic cross

1шт.

31

P3231989

HOSE

- tube to manifold tube

1шт.

32

P37368

UNION

ADAPTER - hose to manifold tube

1шт.

33

P3550146

MANIFOLD

TUBE - manifold, return circuit

1шт.

34

REF

INSTRUCTION

HOSE - manifold tube to cooler, 800 mm (31-1/2 inch) long, cut from bulk hose P1103609 below

1шт.

P1103608

PIPE

HOSE - bulk, sold by the meter

1шт.

P1103609

LARGE HOSE

HOSE - bulk, sold by the meter Continued on next figure

1шт.

Выбрано товаров: 40