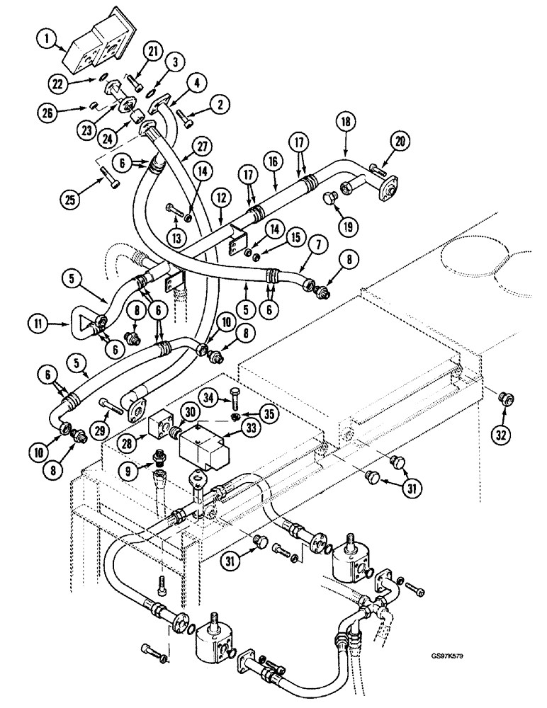
Запчасти Case 220B (8-034) - HYDRAULIC CIRCUIT TO COOLER, P.I.N. 74570 THROUGH 74597, P.I.N. 03201 AND AFTER (08) - HYDRAULICS

Схема запчастей Case 220B - (8-034) - HYDRAULIC CIRCUIT TO COOLER, P.I.N. 74570 THROUGH 74597, P.I.N. 03201 AND AFTER (08) - HYDRAULICS
FIT
1:1
100%

Артикул

Название

Примечание

Количество

1

P943578

PUMP

ASSEMBLY - gear type, parts list Figure 8-118

1шт.

2

P732909

SCREW

BOLT - tube mounting

4шт.

3

P30481

O-RING,0.139" Thk x 1.984" ID, -226, Cl 5, 75 Duro

-, Serial Range: tube-pump

1шт.

4

P1250145

TUBE - from pump, no longer available

1шт.

5

REF

INSTRUCTION

HOSE - cooler circuit, 400 mm (15-3/4 inch) long, cut from bulk hose P1103610 below

3шт.

6

P36902

COLLAR CLAMP

CLAMP - hose

12шт.

7

P3547124

TUBE - at cooler, no longer available

1шт.

8

P2337595

UNION

ADAPTER ASSEMBLY - straight, at coolers

4шт.

P945294

SEAL

O-RING - adapter

1шт.

9

P4037573

UNION

ADAPTER ASSEMBLY - straight

1шт.

P945295

SEAL

- adapter

1шт.

10

P1947175

PIPE

TUBE - at cooler

2шт.

11

P1250135

PIPE

TUBE - at cooler

1шт.

12

P3050105

MANIFOLD

TUBE - between coolers, no longer available

1шт.

13

814-10040

BOLT,Hex, M10 x 1.5 x 40mm, Cl 8.8

- tube brackets, hex, 10 - 1.5 x 40 mm (Replaces bolt P933818)

4шт.

14

P3528795

WASHER

SPACER - bolt

8шт.

15

832-10410

NUT,M10 x 1.5, Cl 8

NUT, LOCK, , Bracket bolts (Replaces nut P34598) M10 x 1.5, Cl 8

4шт.

16

REF

INSTRUCTION

HOSE - cooler circuit, 300 mm (11-13/16 inch) long, cut from bulk hose P31810 below

1шт.

17

P36935

COLLAR CLAMP

CLAMP - hose

4шт.

18

P3050132

MANIFOLD

TUBE - at cooler

1шт.

19

P137413

PLUG

CAP - tube

1шт.

20

P532924

SCREW

BOLT - tube mounting

2шт.

21

P732958

SCREW

BOLT - tube mounting

2шт.

22

P1230443

O-RING

-, Serial Range: tube-pump

1шт.

23

P1250140

PIPE

TUBE - from pump

1шт.

24

P1737758

JUNCTION

ADAPTER - tube flange

1шт.

25

P1432903

SCREW

BOLT - tube

2шт.

26

825-1408

NUT,M8, Cl 8

Tube bolt M8, Cl 8

2шт.

27

P3731961

HOSE

- pump to pressure regulator

1шт.

28

P3237733

JUNCTION

BLOCK - junction

1шт.

29

P1232979

SCREW

BOLT - hose mounting

2шт.

30

P1528828

JUNCTION

UNION - block to pressure regulating valve

1шт.

31

P1437459

PLUG

ASSEMBLY - cooler ports

3шт.

P945294

SEAL

- plug

1шт.

32

P2337598

RESTRICTOR

ADAPTER ASSEMBLY - cooler port

1шт.

P2343269

DEUTZ PART

SEAL - adapter (Replaces seal P945254)

1шт.

33

REF

INSTRUCTION

VALVE ASSEMBLY - pressure regulating, 35 bar, parts list Figure 8-160 or 8-162

1шт.

34

614-10030

BOLT,Hex, M10 x 1.5 x 30mm, Cl 8.8, Full Thd

Full Thd, Valve mounting Hex, M10 x 30, 8.8

2шт.

35

P3528795

WASHER

SPACER - mounting bolt

2шт.

P1103610

PIPE

HOSE - bulk, sold by the meter

1шт.

P31810

HOSE, BULK

HOSE - bulk, sold by the meter Continued on next figure

1шт.

Выбрано товаров: 41