Запчасти Case 220B (8-038) - HYDRAULIC CIRCUIT RETURN LINES, OPTIONAL OIL TEMPERATURE REGULATING VALVE PARTS (08) - HYDRAULICS

Схема запчастей Case 220B - (8-038) - HYDRAULIC CIRCUIT RETURN LINES, OPTIONAL OIL TEMPERATURE REGULATING VALVE PARTS (08) - HYDRAULICS
FIT
1:1
100%

Артикул

Название

Примечание

Количество

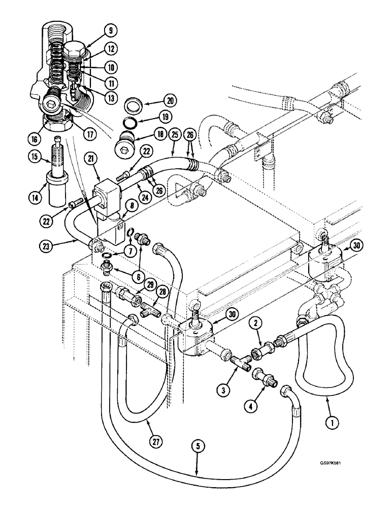
1

P1031969

HOSE

- fan motor circuit, see Figures 8-30 - 8-36 for complete cooler circuit

1шт.

2

P2337687

PIPE

TUBE - adapter, at cooler fan inlet

1шт.

3

P37233

TEE

- hose to cooler fan inlet

1шт.

4

P137532

FITTING

TUBE - adapter, tee to regulator valve hose

1шт.

5

P3231999

HOSE

- tee to regulator valve

1шт.

6

P237586

UNION

ADAPTER - straight, hose to temperature regulating valve

2шт.

7

P245217

WASHER, SEALING

SEAL - adapter

2шт.

8

P5137748

SHIN

VALVE ASSEMBLY - oil temperature regulating, Includes: Ref. 9 - 20

1шт.

9

NSS

NOT SOLD SEPARAT

BODY - valve, order valve assembly P5137748

1шт.

10

P1943314

VALVE

- relief

1шт.

11

P1038254

SPRING

- relief valve

1шт.

12

P8846093

SEAL

- valve, upper

1шт.

13

P8846094

SEAL

- valve, lower

1шт.

P5449680

KIT

- repair, valve, Includes: Ref. 14 - 20

1шт.

14

NSS

NOT SOLD SEPARAT

VALVE - regulator, order kit P5449680

1шт.

15

NSS

NOT SOLD SEPARAT

SEAL - regulator valve, order kit P5449680

1шт.

16

NSS

NOT SOLD SEPARAT

O-RING - valve body, order kit P5449680

1шт.

17

NSS

NOT SOLD SEPARAT

SEAL - valve body, order kit P5449680

1шт.

18

NSS

NOT SOLD SEPARAT

PLUG - valve body, order kit P5449680

1шт.

19

NSS

NOT SOLD SEPARAT

O-RING - plug, order kit P5449680

1шт.

20

NSS

NOT SOLD SEPARAT

RING - backup, plug, order kit P5449680

1шт.

21

P5137759

BODY

BLOCK - manifold, Serial Range: tubes-valve

1шт.

22

J532918

SCREW,Hex Skt, M12 x 40mm, Cl 10.9

4шт.

23

P2947151

PIPE

TUBE - manifold block to front cooler

1шт.

24

P3437625

PIPE

TUBE - manifold block to rear cooler

1шт.

25

REF

INSTRUCTION

HOSE - 200 mm (7-7/8 inch) long, return, tube to cooler, cut from bulk hose P1103610 below

1шт.

26

P36902

COLLAR CLAMP

CLAMP - hose

4шт.

27

P4931964

HOSE

- 630 mm (24-13/16 inch) long, Serial Range: valve-tee

1шт.

28

P37230

TEE

- hose to cooler motor

1шт.

29

P1137673

TUBE,16.75 mm OD x 45 mm L

- adapter, fan motor

1шт.

30

REF

INSTRUCTION

MOTOR ASSEMBLY - cooler fan, parts list Figure 8-182 or 8-184

2шт.

P1103610

PIPE

HOSE - bulk, sold by the meter

1шт.

Выбрано товаров: 32