Запчасти Case 220B (8-040) - HYDRAULIC CIRCUIT DRAIN RETURN LINES, P.I.N. 74441 THROUGH 74569 (08) - HYDRAULICS

Схема запчастей Case 220B - (8-040) - HYDRAULIC CIRCUIT DRAIN RETURN LINES, P.I.N. 74441 THROUGH 74569 (08) - HYDRAULICS
FIT
1:1
100%

Артикул

Название

Примечание

Количество

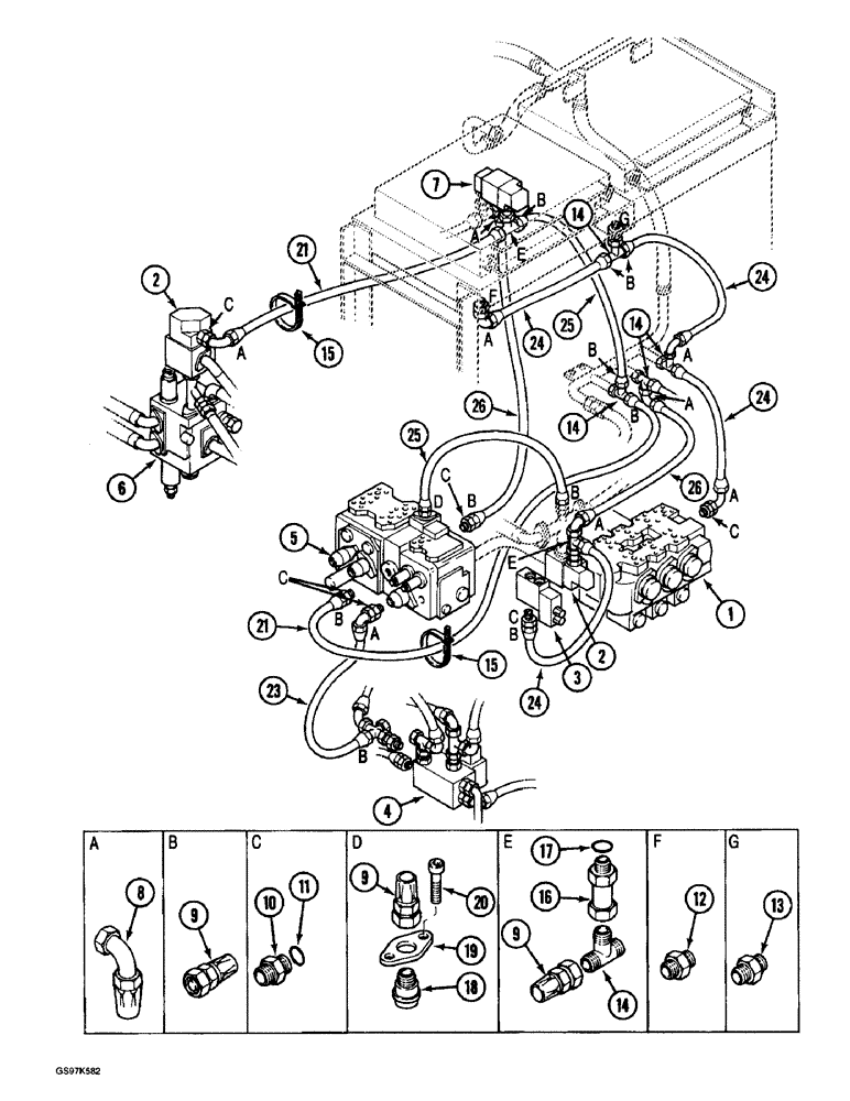
1

P2243644

BLOCK ASSY.

VALVE ASSEMBLY - attachment control, parts list Figures 8-122

1шт.

2

REF

INSTRUCTION

VALVE ASSEMBLY - pressure regulating, 13 bar, parts list Figure 8-164 or 8-166

2шт.

3

P3143306

BLOCK

VALVE ASSEMBLY - parallel supply control, parts list Figure 8-154

1шт.

4

P1843371

SHIN

VALVE ASSEMBLY - solenoid control, 35 bar, parts list Figure 8-148, see Figure 8-46 for connecting lines

1шт.

5

REF

INSTRUCTION

VALVE ASSEMBLY - parallel and drive control, parts list Figures 8-126 - 8-134

1шт.

6

P2443638

BLOCK ASSY.

VALVE ASSEMBLY - swing control, parts list Figure 8-136

1шт.

7

REF

INSTRUCTION

VALVE ASSEMBLY - pressure regulating, 35 bar, parts list Figure 8-160 or 8-162

1шт.

8

P4037537

END FITTING

ADAPTER - 90 degree, hose ends

8шт.

9

B506378

END FITTING

ADAPTER - straight, hose ends (Replaces adapter P4037535)

14шт.

10

P3037546

UNION

ADAPTER - straight

6шт.

11

238-6116

O-RING,0.103" Thk x 0.737" ID, -116, Cl 6, 90 Duro

Adapter (Replaces O-ring L33215) -116, 90 Duro, .737" ID x .103" Thk

6шт.

12

P4037504

UNION

ADAPTER ASSEMBLY - straight

1шт.

P7046042

SEAL

- adapter

1шт.

13

P4037546

FITTING

ADAPTER ASSEMBLY - straight

1шт.

P7046042

SEAL

- adapter

1шт.

14

P37236

TEE

- male

6шт.

15

P51946

CLAMP

STRAP - tie, hoses

1шт.

16

P3037561

FITTING

ADAPTER - straight

2шт.

17

238-6116

O-RING,0.103" Thk x 0.737" ID, -116, Cl 6, 90 Duro

Adapter (Replaces O-ring L33215) -116, 90 Duro, .737" ID x .103" Thk

2шт.

18

P3237571

FITTING

ADAPTER - straight

1шт.

19

P724185

SHIN

PLATE - retainer

1шт.

20

14420331

HEX SOC SCREW,M10 x 1.5 x 35mm, Cl 10.9, Full Thd

Retainer plate Hex Soc Hd, M10 x 35, 10.9

2шт.

21

REF

INSTRUCTION

HOSE - return circuit, 1600 mm (63 inch) long, cut from bulk hose P1103640 below

2шт.

23

REF

INSTRUCTION

HOSE - return circuit, 500 mm (19-11/16 inch) long, cut from bulk hose P1103640 below

1шт.

24

REF

INSTRUCTION

HOSE - return circuit, 700 mm (27-9/16 inch) long, cut from bulk hose P1103640 below

4шт.

25

REF

INSTRUCTION

HOSE - return circuit, 800 mm (31-1/2 inch) long, cut from bulk hose P1103640 below

2шт.

26

REF

INSTRUCTION

HOSE - return circuit, 1000 mm (39-3/8 inch) long, cut from bulk hose P1103640 below

2шт.

P1103640

PIPE

HOSE - bulk, sold by the meter

1шт.

Выбрано товаров: 28