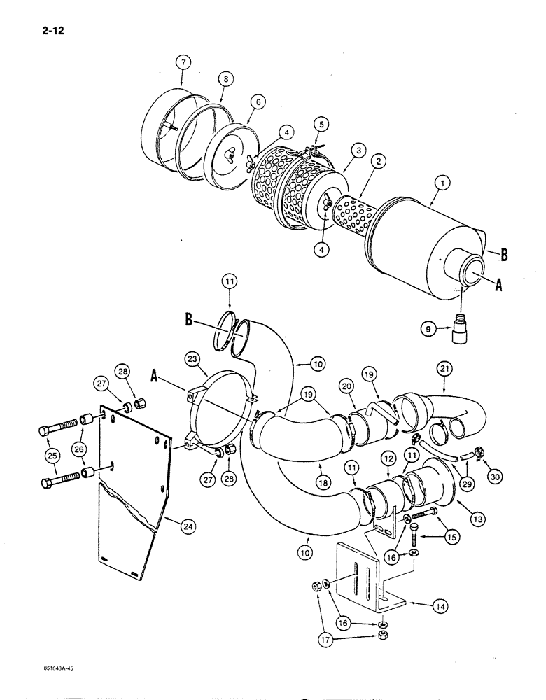
Запчасти Case 170B (2-12) - STANDARD AIR CLEANER AND AIR INTAKE PARTS, P.I.N. 74364 THROUGH 74456 (02) - ENGINE

Схема запчастей Case 170B - (2-12) - STANDARD AIR CLEANER AND AIR INTAKE PARTS, P.I.N. 74364 THROUGH 74456 (02) - ENGINE
FIT
1:1
100%

Артикул

Название

Примечание

Количество

P850543

AIR CLEANER

CLEANER ASSEMBLY - air, complete, Includes: Refs. 1-8

1шт.

1

NSS

NOT SOLD SEPARAT

BODY - air cleaner

1шт.

2

P850561

ELEMENT

- secondary, inner

1шт.

3

S231996

AIR FILTER

ELEMENT - primary, outer

1шт.

4

P34406

THUMB SCREW

NUT - wing, Serial Range: element-body

2шт.

5

P1036959

CLAMP

- body to dust cup

1шт.

6

P850564

BAFFLE

- dust cup

1шт.

7

P850563

COVER

CUP - dust

1шт.

8

P1246069

SEAL

- dust, Serial Range: cup-body

1шт.

9

P2141684

INDICATOR

SENDER - air intake to air cleaner

1шт.

10

P5931983

LOOM

HOSE - air intake to air cleaner

1шт.

11

P2036959

COLLAR CLAMP

CLAMP - air intake hose

3шт.

12

P3450146

CONDUIT

TUBE - air cleaner intake

1шт.

13

P8046066

GASKET

ADAPTER - intake tube, rubber

1шт.

14

P1831651

ANGLE BAR

BRACKET - support, intake tube

1шт.

15

P133813

SCREW

BOLT - support bracket

4шт.

16

P3528795

WASHER

SPACER - bracket bolt

8шт.

17

P34598

SAFETY NUT

NUT - hex, bracket bolt

4шт.

18

P2431928

ELBOW

HOSE - air, Serial Range: cleaner-engine

1шт.

19

P2036959

COLLAR CLAMP

CLAMP - hose to air cleaner and tube

3шт.

20

P3450159

MANIFOLD

TUBE - air, Serial Range: cleaner-engine

1шт.

21

P5931906

LARGE HOSE

HOSE - air cleaner, at engine

1шт.

22

P36946

COLLAR CLAMP

CLAMP - hose, at engine

1шт.

23

P136947

COLLAR CLAMP

CLAMP - air cleaner, includes bolt and nut

2шт.

24

P1323571

LARGE PLATE

BRACKET - support, air cleaner

1шт.

25

P133813

SCREW

BOLT - clamp to bracket and, Serial Range: bracket-engine

8шт.

26

P4328730

WASHER

SPACER - clamp and bracket bolt, thick

8шт.

27

P3528795

WASHER

SPACER - clamp and bracket bolt, thin

8шт.

28

P34598

SAFETY NUT

NUT - hex, clamp and bracket bolt

8шт.

29

REF

INSTRUCTION

HOSE - ventilation,15-3/4"(400 mm) long, cut from P1103608

1шт.

30

P36998

COLLAR CLAMP

CLAMP - hose

1шт.

Выбрано товаров: 31