Запчасти Case 170B (5-100) - TRACK ADJUSTMENT CYLINDER AND TRACK SHOES, P.I.N. 74341 THRU 74456 (11) - TRACKS/STEERING

Схема запчастей Case 170B - (5-100) - TRACK ADJUSTMENT CYLINDER AND TRACK SHOES, P.I.N. 74341 THRU 74456 (11) - TRACKS/STEERING
FIT
1:1
100%

Артикул

Название

Примечание

Количество

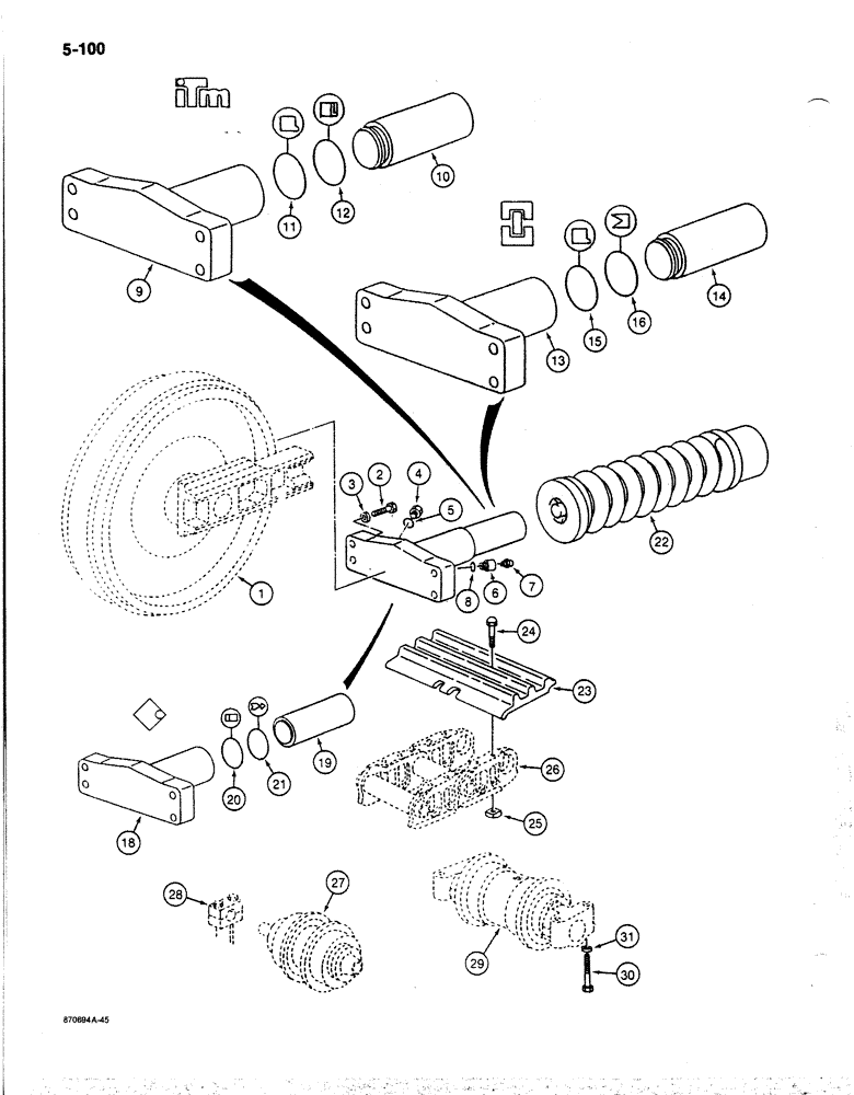
1

P1642334

FLEETING PULLEY

IDLER ASSEMBLY - track, parts list Figure 5-102

2шт.

2

P33879

SCREW

BOLT - hex head, 24 mm x 100 mm, adjustment, Serial Range: cylinder-idler

8шт.

3

P4528704

WASHER

SPACER - cylinder bolt, 17 mm thick

8шт.

P2537413

PLUG

ASSEMBLY - adjustment cylinder, Includes: Refs. 4, 5

2шт.

4

NSS

NOT SOLD SEPARAT

PLUG - adjustment cylinder

1шт.

5

P1145268

SEAL

- plug

1шт.

P3043319

BLOCK ASSY.

ADAPTER ASSEMBLY - grease fitting, Includes: Refs. 6-8

2шт.

6

NSS

NOT SOLD SEPARAT

ADAPTER - grease fitting

1шт.

7

J45801

LUBE NIPPLE,M8 x 1.25

track adjustment M8 x 1.25

1шт.

8

P1145268

SEAL

- adapter

1шт.

P6546272

TIGHTENER

CYLINDER ASSEMBLY - track adjustment, ITM identification, if used, Includes: Refs. 9-12

2шт.

9

NSS

NOT SOLD SEPARAT

BRACKET AND CYLINDER - track adjustment

1шт.

10

P5327889

PISTON

- adjustment cylinder

1шт.

11

P151232

WIPER SEAL

SEAL - piston, inner

1шт.

12

P8046039

SEAL

- piston, outer; 75 x 100 x 11 mm

1шт.

P6546272

TIGHTENER

CYLINDER ASSEMBLY - track adjustment, INTERTRAC identification, if used, Includes: Refs. 13-17

2шт.

13

NSS

NOT SOLD SEPARAT

BRACKET AND CYLINDER - track adjustment

1шт.

14

P5327890

PISTON

- adjustment cylinder

1шт.

15

P151233

WIPER SEAL

SEAL - piston, inner

1шт.

16

P8046040

SEAL

- piston, outer; 75 x 100 x 24 mm

1шт.

17

RESERVED

1шт.

P6546272

TIGHTENER

CYLINDER ASSEMBLY - track adjustment, POCLAIN identification, if used, Includes: Refs. 18-21

2шт.

18

NSS

NOT SOLD SEPARAT

BRACKET AND CYLINDER - track adjustment

1шт.

19

P8349476

STEM

PISTON - adjustment cylinder

1шт.

20

P246072

SPECIAL MAT. SEAL

SEAL - piston, inner

1шт.

21

P1251303

SCRAPER

SEAL - piston, outer

1шт.

22

P6546271

SHOCK ABSORBER

SPRING - track shock absorber

2шт.

23

P1642317

TRACK SHOE

SHOE - track, grouser, 20.0" (500 mm) long

102шт.

23

P1642318

TRACK SHOE

SHOE - track, grouser, 24.0" (600 mm) long

102шт.

23

P1842356

TRACK SHOE

SHOE - track, grouser, 28.0" (700 mm) long

102шт.

23

P1842355

TRACK SHOE

SHOE - track, grouser, 34.0" (850 mm) long

102шт.

24

P233006

SCREW

BOLT - special, track shoe

408шт.

25

P234504

NUT

- special, track shoe

408шт.

26

P1642342

CHAIN (CE)

CHAIN ASSEMBLY - track, parts list Figure 5-106

2шт.

27

P1842311

ROLLER, TRACK

ROLLER ASSEMBLY - track carrier, no service parts available, order complete assembly

6шт.

28

P4620371

CAP

BRACKET - mounting, carrier roller, see Figure 5-96, Ref. 13 (see Ref. 14 for mounting bolts)

6шт.

29

P1642329

ROLLER, TRACK

ROLLER ASSEMBLY - track, parts list Figure 5-104

18шт.

30

P833815

SCREW

BOLT - hex head, 24 mm x 120 mm, track, Serial Range: roller-frame

72шт.

31

P4528704

WASHER

SPACER - track roller bolt, 17 mm thick

72шт.

Выбрано товаров: 0