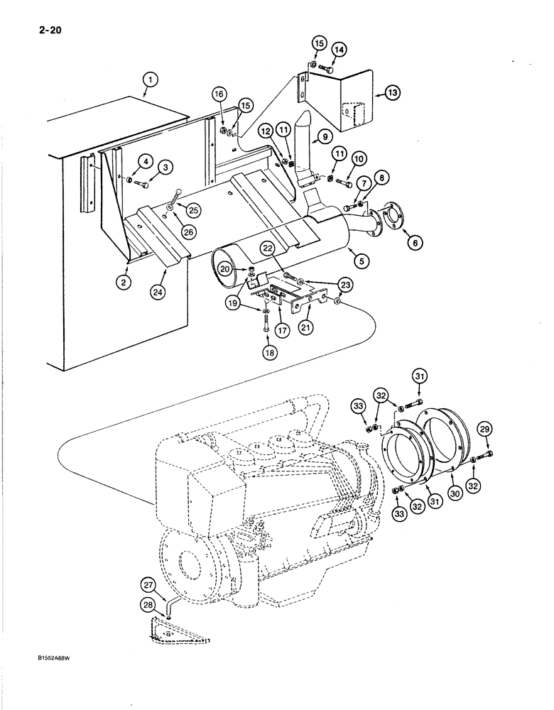
Запчасти Case 170B (2-20) - EXHAUST SYSTEM AND ENGINE AIR COOLING ADAPTING PARTS, P.I.N. 74425 THRU 74456 (02) - ENGINE

Схема запчастей Case 170B - (2-20) - EXHAUST SYSTEM AND ENGINE AIR COOLING ADAPTING PARTS, P.I.N. 74425 THRU 74456 (02) - ENGINE
FIT
1:1
100%

Артикул

Название

Примечание

Количество

1

P1540226

FUEL TANK

TANK ASSEMBLY - fuel, parts list Figure 3-30

1шт.

2

P2254804

DEFLECTOR

SHIELD - heat, muffler, upper

1шт.

3

P1133839

SCREW

BOLT - heat shield to fuel tank

4шт.

4

P3528795

WASHER

SPACER - shield bolt

4шт.

5

P3141450

MUFFLER

- engine

1шт.

6

P1246096

SEAL

GASKET -, Serial Range: muffler-engine

1шт.

7

814-10030

BOLT,Hex, M10 x 1.5 x 30mm, Cl 8.8, Full Thd

4шт.

8

P4328796

WASHER

SPACER - muffler bolt

4шт.

9

P2750152

PIPE, EXHAUST SYSTEM

PIPE - engine exhaust, includes clamp

1шт.

10

P233830

SCREW

BOLT - exhaust pipe

1шт.

11

P6522798

PLATE

SPACER - exhaust pipe bolt

2шт.

12

P34113E

NUT,M8, Cl 8

- hex, exhaust pipe bolt

1шт.

13

P4127154

PROTECTOR

SHIELD - heat, exhaust pipe

1шт.

14

814-8030

BOLT,Hex, M8 x 1.25 x 30mm, Cl 8.8, Full Thd

exhaust pipe shield Hex, M8 x 30, 8.8

3шт.

15

P3528794

WASHER

SPACER - exhaust pipe bolt

6шт.

16

P134596

SAFETY NUT

NUT - hex, exhaust pipe bolt

3шт.

17

P2826192

ANGLE

BRACKET - support, muffler to engine, at muffler

1шт.

18

P133884

SCREW

BOLT -, Serial Range: bracket-muffler

4шт.

19

P3528794

WASHER

SPACER - bracket bolt

8шт.

20

P134596

SAFETY NUT

NUT - hex, bracket bolt

4шт.

21

P4327157

SUPPORT

BRACKET - support, muffler to engine, at engine

1шт.

22

P1633845

BOLT

BOLT -, Serial Range: bracket-engine

2шт.

23

P4328796

WASHER

SPACER - bracket bolt, at engine

4шт.

24

P3126371

LARGE PLATE

SHIELD - heat, muffler, lower

1шт.

25

814-10030

BOLT,Hex, M10 x 1.5 x 30mm, Cl 8.8, Full Thd

3шт.

26

P3528795

WASHER

SPACER - shield mounting bolt

3шт.

27

REF

INSTRUCTION

HOSE - 70-7/8"(1800 mm) long, crankcase breather, cut from P31901

1шт.

28

P36998

COLLAR CLAMP

CLAMP - hose

2шт.

29

P9428110

ENGINE VENT SLEEVE

ADAPTER -, Serial Range: flange-engine

1шт.

30

P1446073

SEAL, RUBBER

FLANGE - rubber, engine air cooling

1шт.

31

P733035

SCREW

BOLT - flange and, Serial Range: adapter-engine

12шт.

32

P3528799

WASHER

SPACER - flange and adapter bolt

24шт.

33

P234513

SAFETY NUT

NUT - hex, flange and adapter bolt

12шт.

Выбрано товаров: 33