Запчасти Case 170B (3-38) - THROTTLE AND FUEL SHUTOFF CONTROLS, P.I.N. 74400 THROUGH 74456 (03) - FUEL SYSTEM

Схема запчастей Case 170B - (3-38) - THROTTLE AND FUEL SHUTOFF CONTROLS, P.I.N. 74400 THROUGH 74456 (03) - FUEL SYSTEM
FIT
1:1
100%

Артикул

Название

Примечание

Количество

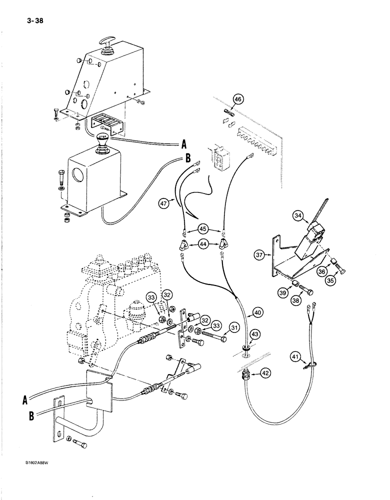
31

P32915

SCREW

BOLT - hex socket head, throttle control lever

1шт.

32

P35001

WASHER

- flat, throttle lever bolt

2шт.

33

825-1106

NUT,Hex, M6, Cl 8

- hex, throttle lever bolt

2шт.

34

P2741608

SWITCH

CONTROL - electrical, engine speed

1шт.

35

814-5016

BOLT,Hex, M5 x 0.8 x 16mm, Cl 8.8, Full Thd

- hex head, 5 mm - 0.8 x 16 mm, plated

2шт.

36

P4328718

WASHER

SPACER - mounting, Serial Range: bolt-bracket

2шт.

37

P4327141

SUPPORT

BRACKET - mounting, speed control

1шт.

38

120104

BOLT,Hex, M8 x 1.25 x 20mm, Cl 8.8

BOLT, Hex, M8 x 20, 8.8, Mounting bracket to engine

3шт.

39

P3528794

WASHER

SPACER - bracket mounting bolt

3шт.

40

P9547223

CABLE

HARNESS - electrical, speed control to electrical box

1шт.

41

P51946

CLAMP

STRAP - tie, harness

1шт.

42

P141431

GLAND

BUSHING - harness locking, at electrical box

1шт.

43

P141439

NUT

- bushing, harness locking

1шт.

44

P640964

FITTING

CONNECTOR - electrical, two wire

2шт.

45

P9547222

ELECTRICAL WIRE

WIRE - connector, electrical box to two wire connector

2шт.

46

P841297

FUSE

- electrical box, speed control circuit, 5 amp

1шт.

47

P8547233

HARNESS

WIRE - instrument panel harness, see Figure 4-58 for connections to electrical box

1шт.

Выбрано товаров: 17