Запчасти Case 170B (4-90) - HEATER AND OIL LINES TO ENGINE, P.I.N. 74341 THROUGH 74456 (04) - ELECTRICAL SYSTEMS

Схема запчастей Case 170B - (4-90) - HEATER AND OIL LINES TO ENGINE, P.I.N. 74341 THROUGH 74456 (04) - ELECTRICAL SYSTEMS
FIT
1:1
100%

Артикул

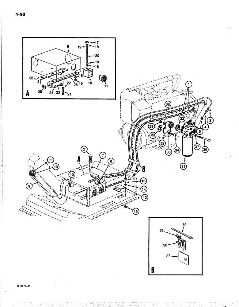
Название

Примечание

Количество

1

P4931955

HOSE

- 98-7/16" (2500 mm) long, oil filter, Serial Range: head-heater

2шт.

2

P2531352

CONTROL SLIDE

CABLE - control, heater oil flow

1шт.

3

P32813

SCREW

- set, retainer

1шт.

4

P5846265

STOP LOCK

RETAINER - cable

1шт.

5

825-1106

NUT,Hex, M6, Cl 8

- lock, retainer

1шт.

6

P1241846

HEATER ASSY.

HEATER ASSEMBLY - engine oil, parts list Figure 4-92

1шт.

7

P4931987

LOOM

HOSE - air flow

1шт.

8

P136922

CLAMP

- hose

2шт.

9

P5931910

LOOM

HOSE - heater to windshield diffuser

1шт.

10

P1236903

CLAMP

- hose

2шт.

11

P3543238

DIFFUSER

- air

3шт.

12

P2726331

HOOD

BRACKET - oil heater

1шт.

13

120100

BOLT,M6 x 20mm, Cl 8.8

Bracket Hex, M6 x 20, 8.8

2шт.

14

P3528799

WASHER

SPACER - bolt

2шт.

15

P1334574

NUT

- bracket bolt, clip type

2шт.

16

P3441421

FOAM

BLOCK - mounting, air diffuser

2шт.

17

P1334560

NUT

- stud

2шт.

18

P34611

WASHER

- flat, mounting stud

6шт.

19

100016

NUT,M10 x 1.5, Cl 8

Mounting Stud M10, Cl 8

6шт.

20

P2527720

TRUSS ROD

STUD - heater mounting

2шт.

21

P33808

SCREW

BOLT - mounting bracket

4шт.

22

P3528799

WASHER

SPACER - mounting bolt

4шт.

23

814-10030

BOLT,Hex, M10 x 1.5 x 30mm, Cl 8.8, Full Thd

2шт.

24

P3528795

WASHER

SPACER - bolt

2шт.

25

P1334560

NUT

- mounting bracket bolt

2шт.

26

P4625683

SUPPORT

BRACKET - heater mounting

2шт.

27

P2122762

PLATE

- clip mounting

2шт.

28

P2036902

CLASP

CLIP -, Serial Range: retainer-plate

2шт.

29

PP2036939

CLASP

RETAINER - tie strap

2шт.

30

P51946

CLAMP

STRAP - tie, hose and cable

10шт.

Выбрано товаров: 30