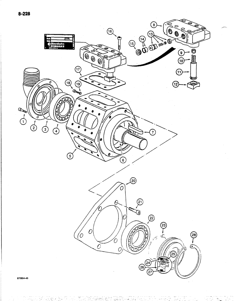
Запчасти Case 170B (8-228) - HYDRAULIC PUMP, P.I.N. 74341 THROUGH 74456 (08) - HYDRAULICS

Схема запчастей Case 170B - (8-228) - HYDRAULIC PUMP, P.I.N. 74341 THROUGH 74456 (08) - HYDRAULICS
FIT
1:1
100%

Артикул

Название

Примечание

Количество

P3443505

PUMP

ASSEMBLY - high pressure, Includes: Refs. 1-28

1шт.

1

P732909

SCREW

BOLT - suction flange

6шт.

2

P6046250

FLANGE

- suction

1шт.

3

P2030411

O-RING,0.094" Thk x 5.25" ID, -160, Cl 5, 75 Duro

O-BEARING - flange

1шт.

4

P2339837

BEARING

- pump

1шт.

5

P2740386

HOUSING

- pump

1шт.

6

P6046247

CRANKSHAFT

SHAFT - pump

1шт.

7

P236135

KEY

- shaft

1шт.

P1144347

HEAD (CYLINDER)

HEAD ASSEMBLY - cylinder, pump pistons, Includes: Refs. 8-15

6шт.

8

NSS

NOT SOLD SEPARAT

HEAD - cylinder, pump pistons

1шт.

P3637753

PISTON

ASSEMBLY - pump, Includes: Refs. 9-12

3шт.

9

NSS

NOT SOLD SEPARAT

GUIDE - piston

1шт.

10

P1838156

COMPRESSION SPRING

SPRING - piston, Includes: Ref. 11

1шт.

11

NSS

NOT SOLD SEPARAT

PISTON - pump

1шт.

12

P1628973

SKID/SHOE

SHOE - piston

1шт.

P2937778

VALVE

ASSEMBLY - discharge, Includes: Refs. 13, 14

3шт.

13

NSS

NOT SOLD SEPARAT

POPPET ASSEMBLY - valve

1шт.

14

P3446067

GASKET

SEAL - set, includes (1) O-ring and (1) backup ring

1шт.

15

P1037446

SCREW

PLUG - cylinder head

3шт.

16

P32937

SCREW

BOLT - cylinder head mounting

48шт.

17

P7046040

SEAL

GASKET - cylinder head

6шт.

18

P933005

SCREW

- air removal

1шт.

19

P1446072

WASHER

SEAL - air removal screw

1шт.

20

P5630116

FLANGE

PLATE - adapter, pump housing

1шт.

21

864-10030

HEX SOC SCREW,M10 x 30mm, Cl 8.8

SCREW, Hex Soc Hd, M10 x 30, 8.8

6шт.

22

P2339837

BEARING

- pump shaft

1шт.

P5949609

SEAL PACKAGE

KIT - shaft and bearing seal ( replaced P1644302 ), Includes: Refs. 23-28

1шт.

23

P36256

RING, SNAP

RING - snap, seal retainer

1шт.

24

P30335

O-RING

- seal retainer

1шт.

25

P2030436

O-RING,0.103" Thk x 2.55" ID, -145, Cl 5, 75 Duro

- seal retainer

1шт.

26

NSS

NOT SOLD SEPARAT

RETAINER - seal

1шт.

27

P30351

O-RING

- seal retainer

1шт.

28

P36261

RING, SNAP

RING - snap, seal retainer

1шт.

Выбрано товаров: 33