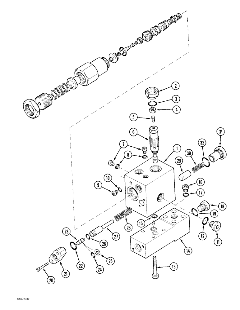
Запчасти Case 170C (8-140) - CRANING VALVE, USED WITH BOOM CYLINDER CIRCUIT (08) - HYDRAULICS

Схема запчастей Case 170C - (8-140) - CRANING VALVE, USED WITH BOOM CYLINDER CIRCUIT (08) - HYDRAULICS
FIT
1:1
100%

Артикул

Название

Примечание

Количество

P4043311

SHIN

VALVE ASSEMBLY - craning, boom cylinder, Includes: Ref. 1-32

2шт.

1

NSS

NOT SOLD SEPARAT

BODY - craning valve, order valve assembly P4043311

1шт.

P4043310

CARTRIDGE

VALVE ASSEMBLY - relief, adjustable (Replaces valve assembly P2543347), Includes: Ref. 2-6

1шт.

2

P1734524

NUT

RING - locking, relief valve

1шт.

3

P30323

SEAL

O-RING - locking ring

1шт.

Part of seal repair kit P/N P4349653.

1шт.

4

P34211

NUT

- hex, self-locking, 8 mm

1шт.

5

P32825

SCREW

- adjusting, relief valve

1шт.

6

NSS

NOT SOLD SEPARAT

CARTRIDGE - relief valve, order valve assembly P4043310

1шт.

7

P2337468

PLUG

ASSEMBLY - valve body

3шт.

8

P2230441

SEAL

O-RING - plug

1шт.

9

P1437455

PLUG

ASSEMBLY - valve body

1шт.

10

P7046042

SEAL

O-RING - plug

1шт.

11

P1337445

PLUG

ASSEMBLY - valve body

1шт.

12

P945293

WASHER, SEALING

O-RING - plug

1шт.

13

814-10070

BOLT,Hex, M10 x 1.5 x 70mm, Cl 8.8

- hex, 10 - 1.5 x 70 mm (Replaces bolt P933835)

4шт.

14

P2643359

SHIN

BLOCK - mounting

1шт.

15

238-6118

O-RING,0.103" Thk x 0.862" ID, -118, Cl 6, 90 Duro

Mounting block (Replaces O-ring R30989) -118, 90 Duro, .862" ID x .103" Thk

2шт.

16

P1437455

PLUG

ASSEMBLY - mounting block

1шт.

17

P7046042

SEAL

O-RING - plug

1шт.

18

P1337445

PLUG

ASSEMBLY - mounting block

1шт.

19

P945293

WASHER, SEALING

O-RING - plug

1шт.

20

864-6030

HEX SOC SCREW,M6 x 30mm, Cl 8.8

BOLT - hex socket, 6 - 1.0 x 30 mm (Replaces bolt P32913)

2шт.

21

P2823418

SHIN

BLOCK - craning valve, no longer available

1шт.

22

238-6118

O-RING,0.103" Thk x 0.862" ID, -118, Cl 6, 90 Duro

Block (Replaces O-ring R30989) -118, 90 Duro, .862" ID x .103" Thk

1шт.

Part of seal repair kit P/N P4349653.

1шт.

P8346239

VALVE POPPET

POPPET ASSEMBLY - craning valve, Includes: Ref. 23-26

1шт.

23

NSS

NOT SOLD SEPARAT

POPPET - craning valve

1шт.

24

P1730422

O-RING,0.07" Thk x 0.18" ID, -8, Cl 5, 75 Duro

- poppet

1шт.

Part of seal repair kit P/N P4349653.

1шт.

25

P1145230

BACK-UP RING

RING - backup, poppet O-ring

1шт.

Part of seal repair kit P/N P4349653.

1шт.

26

238-6113

O-RING,0.103" Thk x 0.549" ID, -113, Cl 6, 90 Duro

Spool (Replaces O-ring D48359) -113, 90 Duro, .549" ID x .103" Thk

1шт.

Part of seal repair kit P/N P4349653.

1шт.

27

P5627833

PISTON

SPOOL - craning valve, no longer available

1шт.

28

P2138138

COMPRESSION SPRING

SPRING - spool, craning valve

1шт.

29

P1729837

VALVE POPPET

POPPET - check valve (Replaces poppet P1429869)

1шт.

30

P1838130

COMPRESSION SPRING

SPRING - check valve poppet

1шт.

31

P1637498

PLUG

- check valve

1шт.

32

P130486

O-RING

- plug

1шт.

Part of seal repair kit P/N P4349653.

1шт.

P4349653

SEAL PACKAGE

KIT - seal repair, Includes: Ref. 3, 22, 24 - 26 and 32, continued on next figure

1шт.

Выбрано товаров: 42