Запчасти Case 170C (8-146) - CRANING VALVE, USED WITH ARM CYLINDER CIRCUIT (08) - HYDRAULICS

Схема запчастей Case 170C - (8-146) - CRANING VALVE, USED WITH ARM CYLINDER CIRCUIT (08) - HYDRAULICS
FIT
1:1
100%

Артикул

Название

Примечание

Количество

REF

INSTRUCTION

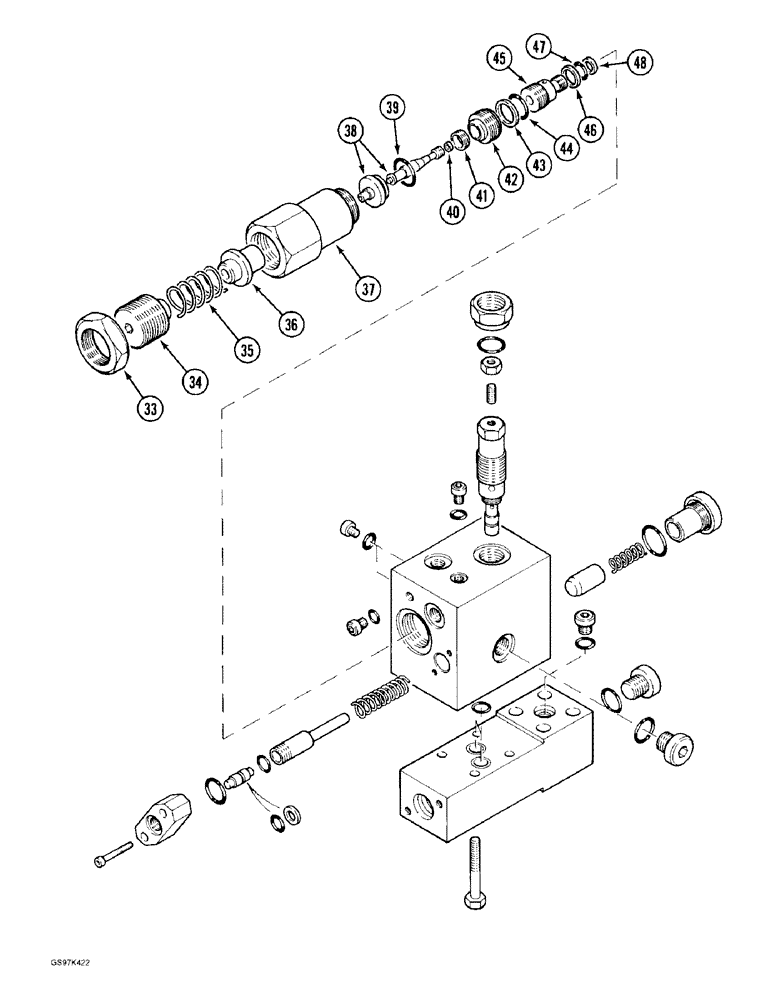
VALVE ASSEMBLY - craning, arm cylinder, continued, Includes: Ref. 33-48

1шт.

33

P1734569

NUT

- locking, adjusting screw

1шт.

34

P1933047

SCREW

- adjusting, relief valve

1шт.

35

P2138129

COMPRESSION SPRING

SPRING - poppet

1шт.

36

P1129470

GUIDE

POPPET - relief valve

1шт.

37

P1029781

CAP

BODY - relief valve

1шт.

P3143333

CARTRIDGE

ASSEMBLY - relief valve, Includes: Ref. 38-48

1шт.

38

NSS

NOT SOLD SEPARAT

POPPET - relief valve, includes plunger, order cartridge assembly P3143333

1шт.

39

P630443

O-RING

- poppet

1шт.

Part of seal repair kit P/N P4349653.

1шт.

40

P151241

SPECIAL MAT. SEAL

SEAL - plunger (Replaces seal P7046090)

1шт.

Part of seal repair kit P/N P4349653.

1шт.

41

NSS

NOT SOLD SEPARAT

SEAL - poppet, order cartridge assembly P3143333

1шт.

42

NSS

NOT SOLD SEPARAT

RING - seal retaining, order cartridge assembly P3143333

1шт.

43

P1145267

BACK-UP RING

RING - backup, seat O-ring, large

1шт.

Part of seal repair kit P/N P4349653.

1шт.

44

P30460

O-RING,0.103" Thk x 0.987" ID, -120, Cl 5, 75 Duro

- seat, large

1шт.

Part of seal repair kit P/N P4349653.

1шт.

45

NSS

NOT SOLD SEPARAT

SEAT - relief valve, order cartridge assembly P3143333

1шт.

46

P1145268

SEAL

- seat

1шт.

Part of seal repair kit P/N P4349653.

1шт.

47

P1830425

O-RING

- seat, small

1шт.

Part of seal repair kit P/N P4349653.

1шт.

48

P5746079

BACK-UP RING

RING - backup, seat O-ring, small

1шт.

Part of seal repair kit P/N P4349653.

1шт.

P4349653

SEAL PACKAGE

KIT - seal repair, Includes: Ref. 39, 40, 43, 44 and 46 - 48

1шт.

Выбрано товаров: 26