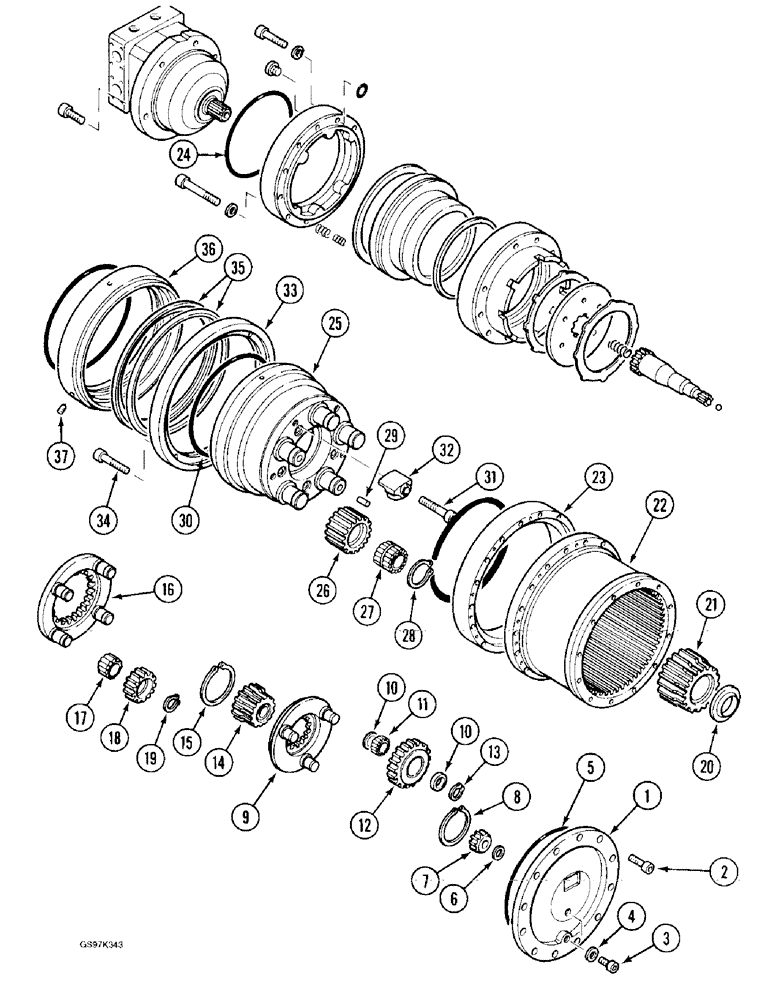
Запчасти Case 170C (6-02) - FINAL DRIVE TRANSMISSION, FINAL DRIVE PRIOR TO SERIAL NUMBER 813-7-06-0011 (06) - POWER TRAIN

Схема запчастей Case 170C - (6-02) - FINAL DRIVE TRANSMISSION, FINAL DRIVE PRIOR TO SERIAL NUMBER 813-7-06-0011 (06) - POWER TRAIN
FIT
1:1
100%

Артикул

Название

Примечание

Количество

P2348566

REDUCER

TRANSMISSION ASSEMBLY - final drive, Includes: Ref. 1-27

2шт.

1

P4540370

COVER

- planetary

1шт.

2

J532918

SCREW,Hex Skt, M12 x 40mm, Cl 10.9

Planetary cover Hex Skt Hd, M12 x 40, 10.9

12шт.

3

P2537486

PLUG

- oil fill

2шт.

4

P1145442

DEUTZ PART

SEAL - fill plug, order from Deutz

2шт.

5

NSS

NOT SOLD SEPARAT

O-RING - planetary cover

1шт.

Part of transmission seal kit P/N P5449609.

1шт.

6

800-1138

SNAP RING,M38, Ext

SPACER - sun gear (Replaces spacer P36332)

1шт.

7

P4839326

PINION

GEAR - sun, first stage (Replaces gear P4339341)

1шт.

8

934432R1

SNAP RING,M88, Ext

RING - snap, sun gear (Replaces ring P536312)

1шт.

9

P7946275

DOOR

CARRIER - pinion, first stage

1шт.

10

P1946306

WASHER

SPACER - pinion gear

6шт.

P4339343

PINION

GEAR ASSEMBLY - pinion, first stage, Includes: Ref. 17, 18

3шт.

11

NSS

NOT SOLD SEPARAT

BEARING - pinion gear, order gear assembly P4339343

3шт.

12

NSS

NOT SOLD SEPARAT

GEAR - pinion, first stage, order gear assembly P4339343

3шт.

13

800-1130

SNAP RING,M30, Ext

Pinion gear (Replaces ring P36322) M30, Ext

3шт.

14

P4339313

PINION

GEAR - sun, second stage

1шт.

15

P536328

RING, SNAP

RING - snap, sun gear

1шт.

16

P7946276

DOOR

CARRIER - pinion, second stage

1шт.

P4339341

PINION

GEAR ASSEMBLY - pinion, second stage

4шт.

17

NSS

NOT SOLD SEPARAT

BEARING - pinion gear, order gear assembly P4339341

1шт.

18

NSS

NOT SOLD SEPARAT

GEAR - pinion, second stage, order gear assembly P4339341

1шт.

19

P936346

RING

- snap, pinion gear

4шт.

20

P8846008

GASKET

SPACER - sun gear

1шт.

21

P4339312

PINION

GEAR - sun, third stage

1шт.

22

P5140311

HOUSING

HUB - planetary

1шт.

23

P1139865

BEARING

- hub (Replaces bearing P2039828)

1шт.

24

238-5268

O-RING,0.139" Thk x 8.484" ID, -268, Cl 5, 75 Duro

- transmission to drive motor

1шт.

25

P7946277

DOOR

CARRIER - pinion, third stage

1шт.

P4339342

PINION

GEAR ASSEMBLY - pinion, third stage

5шт.

26

NSS

NOT SOLD SEPARAT

GEAR - pinion, third stage, order gear assembly P4339342

1шт.

27

NSS

NOT SOLD SEPARAT

BEARING - pinion gear, order gear assembly P4339342

1шт.

28

P936347

RING

- snap, pinion gear

5шт.

29

P36098

SPLIT PIN/SAFETY PIN

MAGNET - transmission housing

1шт.

30

NSS

NOT SOLD SEPARAT

O-RING - planetary carrier

1шт.

Part of transmission seal kit P/N P5449609.

1шт.

31

828-20070

BOLT,Hex, M20 x 2.5 x 70mm, Cl 10.9

- hex, 20 - 2.5 x 70 mm, class 10.9, Bearing retainer (Replaces bolt P1633895)

5шт.

32

P7946204

MANDREL

RETAINER - bearing

5шт.

33

P8646264

ENGINE VENT SLEEVE

RETAINER - seal, outer (Replaces retainer P150206)

1шт.

34

P632935

SCREW

BOLT - hex socket, 12 mm x 70 mm, class 10.9, seal retainer

8шт.

35

P8046041

SEAL

- face, planetary

2шт.

36

P8646265

ENGINE VENT SLEEVE

RETAINER - seal, inner (Replaces retainer P150207)

1шт.

37

P32827

SCREW

- set, seal retainer

4шт.

P5449609

SEAL PACKAGE

KIT seal, transmission, Includes: Ref. 5 and 30 plus 38 and 59 from figure 6-04

1шт.

P5449610

SEAL PACKAGE

KIT seal, transmission brake, Includes: Ref. 45, 47 and 49 from Figure 6-04, continued on next page

1шт.

Выбрано товаров: 45