Запчасти Case 170C (8-008) - HYDRAULIC PUMP LINES, RESERVOIR TO HYDRAULIC PUMP, P.I.N. 74501 THRU 74662, P.I.N. 02301 THRU 02370 (08) - HYDRAULICS

Схема запчастей Case 170C - (8-008) - HYDRAULIC PUMP LINES, RESERVOIR TO HYDRAULIC PUMP, P.I.N. 74501 THRU 74662, P.I.N. 02301 THRU 02370 (08) - HYDRAULICS
FIT
1:1
100%

Артикул

Название

Примечание

Количество

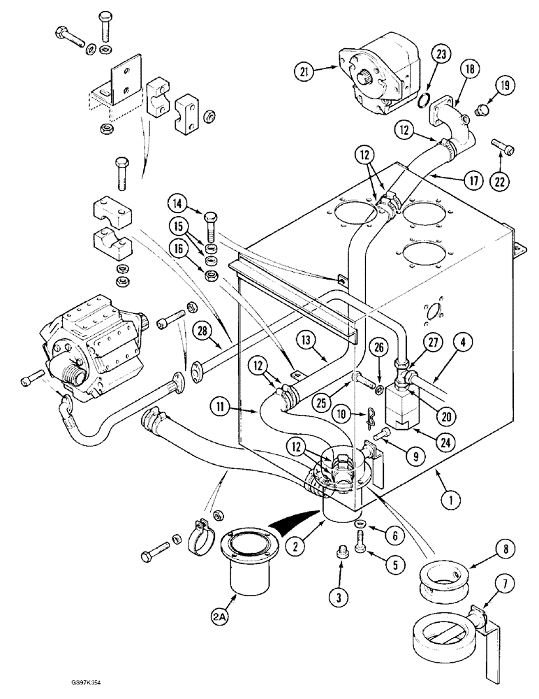
1

P1540224

OIL RESERVOIR

RESERVOIR - hydraulic oil, see Figure 8-2 for mounting

1шт.

2

P3050103

MANIFOLD

SUMP - hydraulic oil, no longer available, order sump P405116, item 2A

1шт.

2a

P405116

SUMP - hydraulic oil, no longer available

1шт.

3

P1437458

PLUG

ASSEMBLY - sump drain, Includes: O-ring P5746063

1шт.

P5746063

SEAL

O-RING - drain plug

1шт.

4

REF

INSTRUCTION

TUBE - pilot circuit, see Figure 8-20 for continuation of circuit

1шт.

5

814-16100

BOLT,Hex, M16 x 2 x 100mm, Cl 8.8

- hex, 16 - 2.0 x 100 mm, used with sump P3050103, item 2 (Replaces bolt P33857)

4шт.

5

614-16050

BOLT,Hex, M16 x 2 x 50mm, Cl 8.8, Full Thd

Used with sump P405116, item 2A (replaces bolt P33854) Hex, M16 x 50, 8.8

4шт.

6

P3528790

WASHER

SPACER - bolt, 11 mm thick

4шт.

P837806

VANEUM GAUGE

VALVE ASSEMBLY - shutoff, Includes: Ref. 7,8

1шт.

7

NSS

NOT SOLD SEPARAT

VALVE - shutoff, order valve assembly P837806

1шт.

8

P7546015

BUSHING

- shutoff valve

1шт.

9

P27863

CLEVIS PIN

PIN - lock, valve handle

1шт.

10

P36018

SPLIT PIN/SAFETY PIN

PIN - cotter, lock pin

1шт.

11

P131990

LARGE HOSE

HOSE - suction, sump pump to cooler pump

1шт.

12

P136901

CLAMP

- hose (Replaces clamp P36946)

8шт.

13

P4050150

MANIFOLD

TUBE - suction, to cooler pump (Replaces tube P3950108)

1шт.

14

814-10045

BOLT,Hex, M10 x 1.5 x 45mm, Cl 8.8

- hex, 10 - 1.5 x 45 mm (Replaces bolt P1133839)

3шт.

15

P3528795

WASHER

SPACER - bolt, 7 mm thick

6шт.

16

832-10410

NUT,M10 x 1.5, Cl 8

NUT, LOCK, (Replaces nut P34598) M10 x 1.5, Cl 8

3шт.

17

P131990

LARGE HOSE

HOSE - suction, to cooler pump

1шт.

18

P3450183

MANIFOLD

TUBE - suction, at pump

1шт.

19

P2537447

PLUG

ASSEMBLY - suction tube, Includes: Seal P7046042

1шт.

P7046042

SEAL

- tube plug

1шт.

20

P3037507

FITTING

ADAPTER ASSEMBLY - tee to valve, Includes: O-ring P945294

1шт.

P945294

SEAL

O-RING - adapter

1шт.

21

P3943533

PUMP, HYDRAULIC

PUMP ASSEMBLY - hydraulic oil cooler, parts list Figure 8-96

1шт.

22

P732909

SCREW

BOLT - hex socket, 8 mm x 25 mm

4шт.

23

P2030483

O-RING,0.139" Thk x 2.109" ID, -227, Cl 5, 75 Duro

- tube flange (Replaces O-ring P330402)

1шт.

24

P3743380

BLOCK ASSY.

VALVE ASSEMBLY - pressure regulating, parts list Figure 8-150

1шт.

25

814-10040

BOLT,Hex, M10 x 1.5 x 40mm, Cl 8.8

- hex, 10 - 1.5 x 40 mm (Replaces bolt P933818)

2шт.

26

P4328730

WASHER

SPACER - bolt, 20 mm thick

2шт.

27

P37233

TEE

- at pressure regulating valve

1шт.

28

P7747697

PIPE

TUBE - pump to pressure regulating valve Continued on next figure

1шт.

Выбрано товаров: 0