Запчасти Case 170C (8-020) - HYDRAULIC CIRCUIT RETURN LINES, TO OIL COOLER AND FAN MOTOR (08) - HYDRAULICS

Схема запчастей Case 170C - (8-020) - HYDRAULIC CIRCUIT RETURN LINES, TO OIL COOLER AND FAN MOTOR (08) - HYDRAULICS
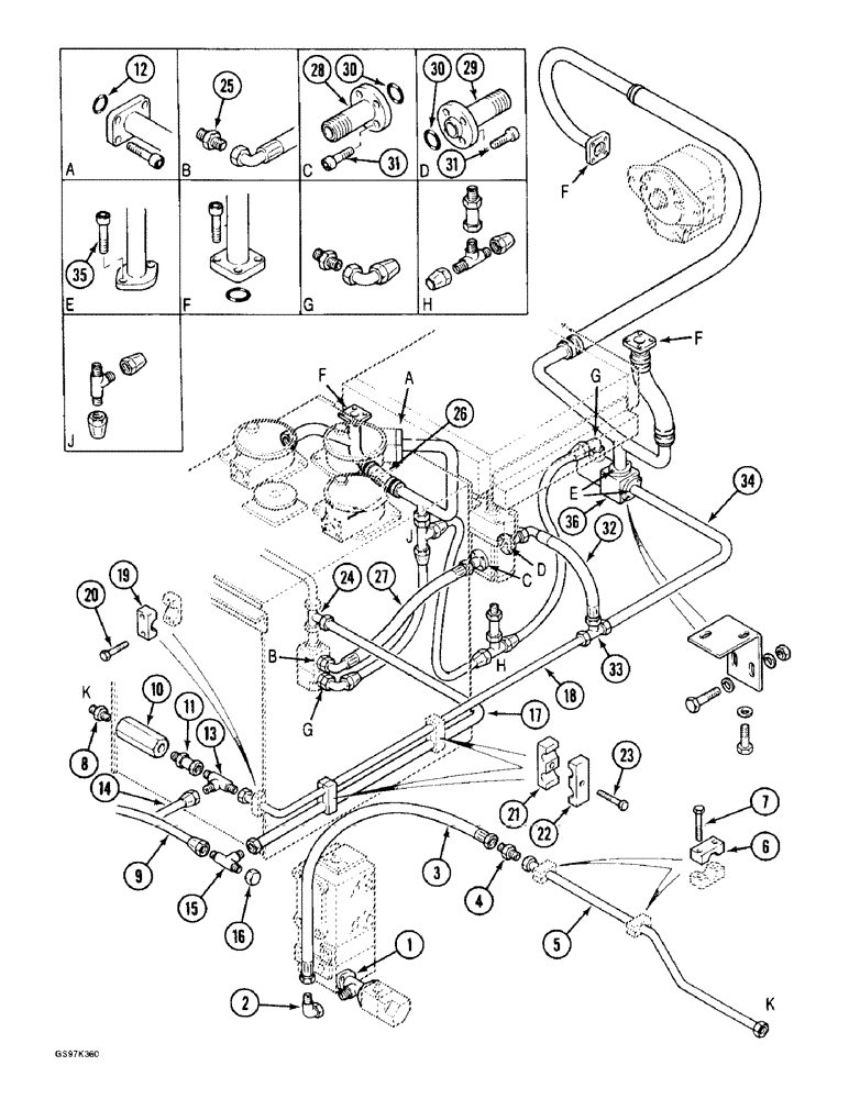
FIT
1:1
100%

Артикул

Название

Примечание

Количество

1

P3050109

MANIFOLD

TUBE - return, at regulating valve

1шт.

2

P37078

ELBOW-CONNECTION

ELBOW - 90 degree, at return tube

1шт.

3

P3731957

HOSE

- return to cooler, 500 mm (19-11/16 inch) long

1шт.

4

P37554

UNION

ADAPTER - straight

1шт.

5

P8047603

PIPE

TUBE - return, to check valve

1шт.

6

P723438

SHIN

CLAMP - tube

2шт.

7

614-10035

BOLT,Hex, M10 x 1.5 x 35mm, Cl 8.8, Full Thd

- hex, full threads, 10 - 1.5 x 35 mm

4шт.

8

P3037506

UNION

ADAPTER ASSEMBLY - straight, at check valve, Includes: O-ring P945294

1шт.

P945294

SEAL

O-RING - adapter

1шт.

9

REF

INSTRUCTION

HOSE - to pilot circuit, see page 8-39 for continuation of circuit

1шт.

10

P2043310

BLOCK ASSY.

VALVE ASSEMBLY - check, parts list Figure 8-154

1шт.

11

P3037507

FITTING

ADAPTER ASSEMBLY - check valve to tee, Includes: O-ring P945294

1шт.

P945294

SEAL

O-RING - adapter

1шт.

12

P1230493

O-RING

-, Serial Range: flange-filter

1шт.

13

P1237222

TEE

- return, Serial Range: tubes-cooler

1шт.

14

REF

INSTRUCTION

TUBE - to pilot circuit, see page 8-39 for continuation of circuit

1шт.

15

P1237221

TEE

- to pilot circuit

1шт.

16

P2537407

BLANK-OFF PLUG

CAP - tee

1шт.

17

P6947103

PIPE

TUBE - to pilot circuit tee

1шт.

18

P6947101

PIPE

TUBE - return, to cooler fan motor and regulator valve

1шт.

19

P820357

SHIN

CLAMP - tube, to tapped block

1шт.

20

P28374

SCREW

BOLT - hex, 12 mm x 50 mm

2шт.

21

P1023403

SUPPORT

CLAMP - inner, double tube

2шт.

22

P1023404

SHIN

CLAMP - outer, double tube

2шт.

23

814-12045

BOLT,Hex, M12 x 1.75 x 45mm, Cl 8.8

- hex, 12 mm - 1.75 x 45 mm, plated

2шт.

24

P37233

TEE

- at pressure regulating valve

1шт.

25

P3037521

UNION

ADAPTER ASSEMBLY - straight, Includes: O-ring P945294

1шт.

P945294

SEAL

O-RING - adapter

1шт.

26

REF

INSTRUCTION

HOSE - return to reservoir, 400 mm (15-3/4 inch) long, cut from bulk hose P1103610 below

1шт.

27

P3731901

HOSE

- to cooler fan motor, 630 mm (24-13/16 inch) long

1шт.

28

P3837759

SHIN

ADAPTER - hose to cooler fan motor

1шт.

29

P3837760

SHIN

ADAPTER - hose to cooler fan motor

1шт.

30

238-6121

O-RING,0.103" Thk x 1.049" ID, -121, Cl 6, 90 Duro

Adapter to motor (Replaces O-ring D54277) -121, 90 Duro, 1.049" ID x .103" Thk

2шт.

31

P732958

SCREW

BOLT - hex socket, 6 mm x 20 mm, class 10.9

8шт.

32

P3231997

HOSE

- cooler fan motor to tee, 630 mm (24-13/16 inch) long

1шт.

33

P537203

TEE

- return tube

1шт.

34

P6947137

PIPE

TUBE - return, to regulator valve

1шт.

35

14420331

HEX SOC SCREW,M10 x 1.5 x 35mm, Cl 10.9, Full Thd

4шт.

36

P3743379

BLOCK ASSY.

VALVE ASSEMBLY - pressure regulating, 13 bar, parts list Figure 8-152

1шт.

P1103610

PIPE

HOSE - bulk, sold by the meter Continued on next figure

1шт.

Выбрано товаров: 40