Запчасти Case 170C (8-024) - HYDRAULIC CIRCUIT RETURN LINES, OPTIONAL OIL TEMPERATURE REGULATING VALVE PARTS (08) - HYDRAULICS

Схема запчастей Case 170C - (8-024) - HYDRAULIC CIRCUIT RETURN LINES, OPTIONAL OIL TEMPERATURE REGULATING VALVE PARTS (08) - HYDRAULICS
FIT
1:1
100%

Артикул

Название

Примечание

Количество

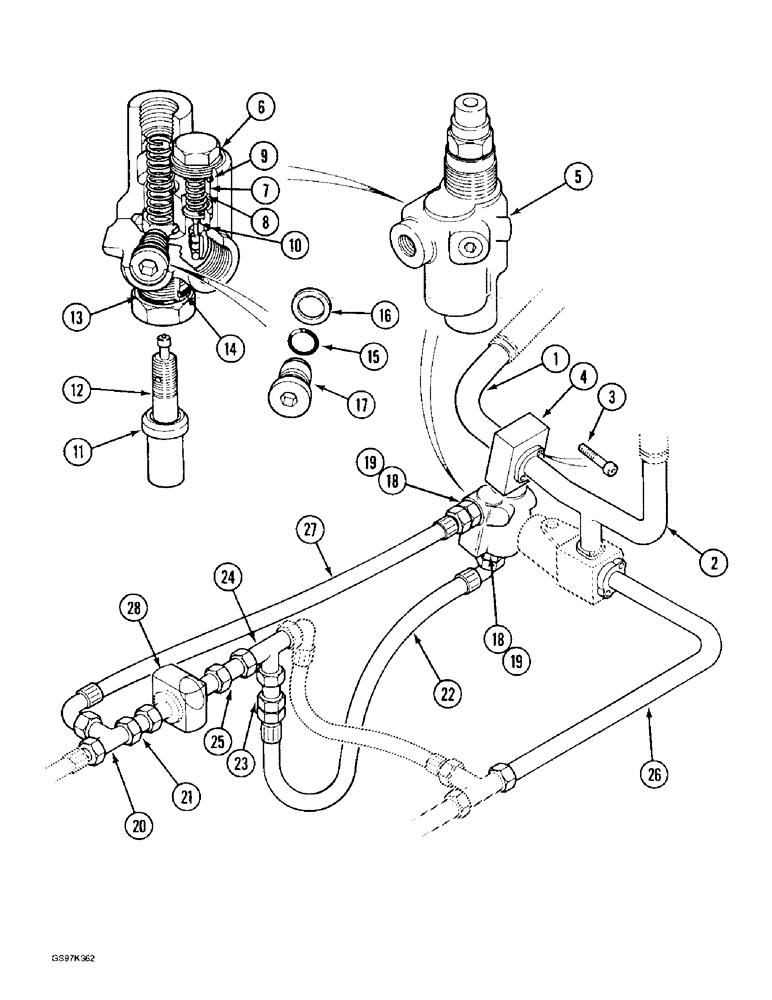
1

P7147182

PIPE

TUBE - oil cooler pump to manifold block

1шт.

2

P3750196

MANIFOLD

TUBE - manifold, block and pressure regulating valve to oil cooler

1шт.

3

J532918

SCREW,Hex Skt, M12 x 40mm, Cl 10.9

4шт.

4

P5137759

BODY

BLOCK - manifold, cooler and pump tubes to temperature regulating valve

1шт.

5

P5137748

SHIN

VALVE ASSEMBLY - oil temperature regulating, Includes: Ref. 6-17

1шт.

6

NSS

NOT SOLD SEPARAT

BODY - valve, order valve asembly P5137748

1шт.

7

P1943314

VALVE

- relief

1шт.

8

P1038254

SPRING

- relief valve

1шт.

9

P8846093

SEAL

- valve, upper

1шт.

10

P8846094

SEAL

- valve, lower

1шт.

P5449680

KIT

- repair, valve, Includes: Ref. 11-17

1шт.

11

NSS

NOT SOLD SEPARAT

VALVE - regulator, order kit P5449680

1шт.

12

NSS

NOT SOLD SEPARAT

SEAL - regulator valve, order kit P5449680

1шт.

13

NSS

NOT SOLD SEPARAT

O-RING - valve body, order kit P5449680

1шт.

14

NSS

NOT SOLD SEPARAT

SEAL - valve body, order kit P5449680

1шт.

15

NSS

NOT SOLD SEPARAT

O-RING - plug, order kit P5449680

1шт.

16

NSS

NOT SOLD SEPARAT

RING - backup, plug O-ring, order kit P5449680

1шт.

17

NSS

NOT SOLD SEPARAT

PLUG - valve body, order valve assembly P5137748

1шт.

18

P237586

UNION

ADAPTER - straight, hose to temperature regulating valve

2шт.

19

P245217

WASHER, SEALING

SEAL - adapter

2шт.

20

P37230

TEE

- bypass hose

1шт.

21

P1137673

TUBE,16.75 mm OD x 45 mm L

- adapter, fan motor outlet

1шт.

22

P3731901

HOSE

- temperature regulating valve to inlet tee, 630 mm (24-13/16 inch) long

1шт.

23

P137532

FITTING

TUBE - adapter, hose to inlet tee

1шт.

24

P37233

TEE

- hose to cooler fan inlet

1шт.

25

P2337687

PIPE

TUBE - adapter, at cooler fan inlet

1шт.

26

REF

INSTRUCTION

TUBE - return, to regulator valve, see pages 8-19 and 8-21 for continuation of circuit

1шт.

27

P4931964

HOSE

- fan motor bypass, valve totee, 630 mm (24-13/16 inch) long

1шт.

28

REF

INSTRUCTION

MOTOR ASSEMBLY - cooler fan, parts list Figure 8-160 or 8-162, see Figure 8-4 or 8-6 for mounting

1шт.

Выбрано товаров: 29