Запчасти Case 170C (8-056) - CRANING VALVE HYDRAULIC CONTROL CIRCUIT (08) - HYDRAULICS

Схема запчастей Case 170C - (8-056) - CRANING VALVE HYDRAULIC CONTROL CIRCUIT (08) - HYDRAULICS
FIT
1:1
100%

Артикул

Название

Примечание

Количество

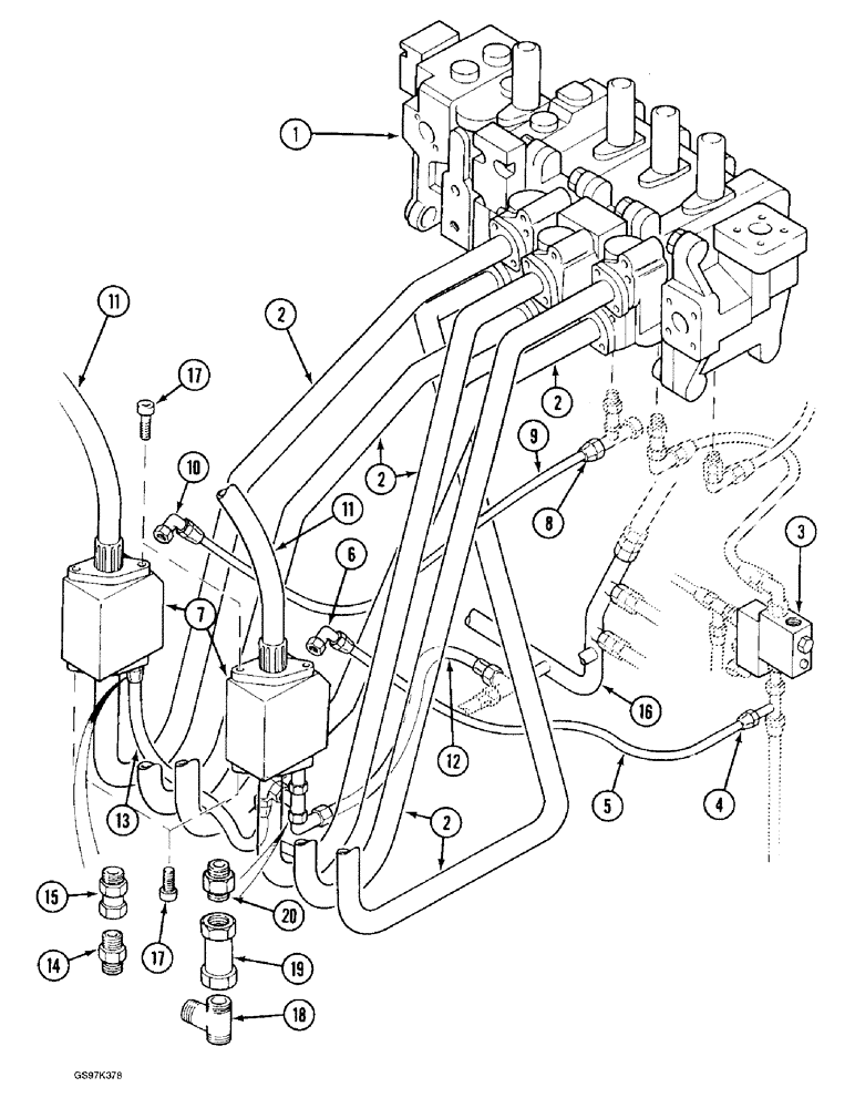
1

REF

INSTRUCTION

VALVE ASSEMBLY - control, attachment, parts list Figures 8-100 through 8-110

1шт.

2

REF

INSTRUCTION

TUBE - attachment circuit, see page 8-63 for correct tubes

6шт.

3

P3143306

BLOCK

VALVE ASSEMBLY - control, parallel supply, parts list Figure 8-136

1шт.

4

P4037588

END FITTING

ADAPTER - straight

1шт.

5

REF

INSTRUCTION

HOSE - control circuit, 1600 mm (63 inch) long, cut from bulk hose P1103640 below

1шт.

6

P4037590

END FITTING

ADAPTER - 90 degree, control circuit hose

1шт.

7

P4343314

BLOCK ASSY.

BLOCK ASSEMBLY - manifold, parts list Figure 8-148

2шт.

8

P4037588

END FITTING

ADAPTER - straight, control circuit hose

1шт.

9

REF

INSTRUCTION

HOSE - control circuit, 1600 mm (63 inch) long, cut from bulk hose P1103640 below

1шт.

10

P4037590

END FITTING

ADAPTER - 90 degree, control circuit hose

1шт.

11

P6731988

HOSE

- manifold block out, 1600 mm (63 inch) long

2шт.

12

P3231995

HOSE

- tee to return tee, 1000 mm (39-3/8 inch) long

1шт.

13

P3731901

HOSE

- manifold block to tee, 630 mm (24-13/16 inch) long

1шт.

14

P37550

UNION

ADAPTER - straight, hose to tube, used with boom and arm craning hydraulic circuit

1шт.

14

P537588

UNION

ADAPTER - straight, hose to tube, used with boom craning hydraulic circuit

1шт.

15

P2337593

FITTING

ADAPTER ASSEMBLY - long, to manifold block, Includes: O-ring P945293

1шт.

P945293

WASHER, SEALING

O-RING - adapter

1шт.

16

REF

INSTRUCTION

TUBE - manifold, leak return hoses, see Figures 8-34 and 8-36 for leak return lines to filter, see page 8-37 for, Serial Range: hoses-filter

1шт.

17

J532918

SCREW,Hex Skt, M12 x 40mm, Cl 10.9

8шт.

18

P37247

TEE

- manifold block return circuit

1шт.

19

P37548

PIPE

TUBE -, Serial Range: tee-adapter

1шт.

20

P2337592

UNION

ADAPTER ASSEMBLY - straight, hose to manifold block, Includes: O-ring P945293

1шт.

P945293

WASHER, SEALING

O-RING - adapter

1шт.

P1103640

PIPE

HOSE - bulk, sold by the meter

1шт.

Выбрано товаров: 24