Запчасти Case 170C (8-066) - CRANING VALVE HYDRAULIC CIRCUIT, ARM AND BOOM CYLINDERS (08) - HYDRAULICS

Схема запчастей Case 170C - (8-066) - CRANING VALVE HYDRAULIC CIRCUIT, ARM AND BOOM CYLINDERS (08) - HYDRAULICS
FIT
1:1
100%

Артикул

Название

Примечание

Количество

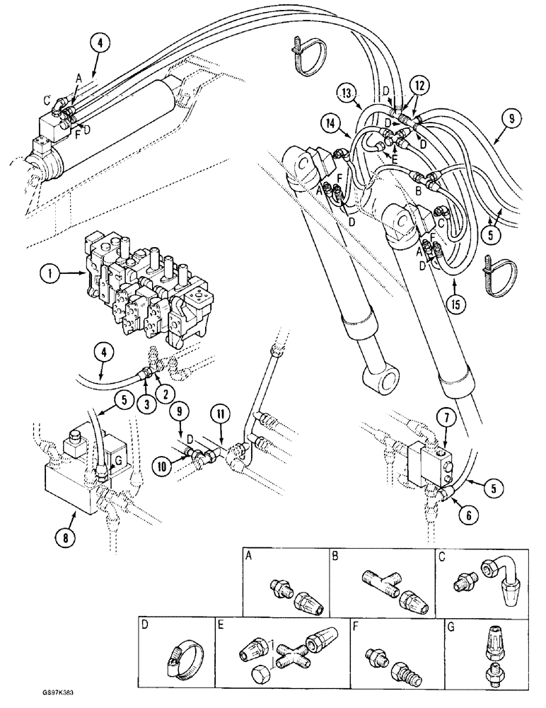
1

REF

INSTRUCTION

VALVE ASSEMBLY - control, attachment, parts list Figures 8-100 through 8-110

1шт.

2

REF

INSTRUCTION

TEE - control circuit, see Figures 8-48 and 8-50 for hydraulic control circuit to main control valves

1шт.

3

P4037588

END FITTING

ADAPTER - straight, hose

1шт.

4

REF

INSTRUCTION

HOSE - tee to craning valve at arm cylinder, 12200 mm (480 inch) long, cut from bulk hose P1103640 below

1шт.

5

REF

INSTRUCTION

HOSE - tee to parallel supply valve and tee to solenoid control valve, 7000 mm (276 inch) long, cut from bulk hose P1103640 below

2шт.

6

P4037588

END FITTING

ADAPTER - straight, hose

1шт.

7

P3143306

BLOCK

VALVE ASSEMBLY - control, parallel supply, parts list Figure 8-136

1шт.

8

REF

INSTRUCTION

BLOCK - manifold, solenoid valve, see Figure 8-132 for correct block

1шт.

9

REF

INSTRUCTION

HOSE - return, tee to tube, 4500 mm (177-5/8 inch) long, cut from bulk hose P31901

1шт.

10

P3837686

PIPE

TUBE - at manifold tee

1шт.

11

REF

INSTRUCTION

TUBE - manifold, leak return hoses, see page 8-35 for leak return lines to filter, see page 8-37 for, Serial Range: hoses-filter

1шт.

12

P3050114

PIPE

TEE - return hoses

2шт.

13

REF

INSTRUCTION

HOSE - craning valve at right-hand boom cylinder to tee, 2000 mm (78-3/4 inch) long, cut from bulk hose P31901 below

1шт.

14

REF

INSTRUCTION

HOSE - tee to craning valve at right-hand boom cylinder, 2000 mm (78-3/4 inch) long, cut from bulk hose P1103640 below

1шт.

15

REF

INSTRUCTION

HOSE - craning valve at right-hand boom cylinder to tee, 2000 mm (78-3/4 inch) long, cut from bulk hose P31901 below

1шт.

P1103640

PIPE

HOSE - bulk, sold by the meter

1шт.

P31901

HOSE, BULK

HOSE - bulk, sold by the meter Continued on next figure

1шт.

Выбрано товаров: 17