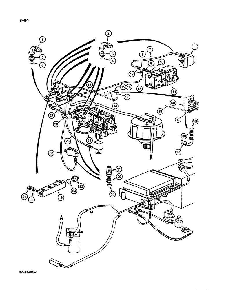
Запчасти Case 125B (8-084) - HYDRAULIC COMPONENTS LEAK RETURN CIRCUIT, LINES FROM VALVES, P.I.N. 74251 THROUGH 74844 (08) - HYDRAULICS

Схема запчастей Case 125B - (8-084) - HYDRAULIC COMPONENTS LEAK RETURN CIRCUIT, LINES FROM VALVES, P.I.N. 74251 THROUGH 74844 (08) - HYDRAULICS
FIT
1:1
100%

Артикул

Название

Примечание

Количество

1

REF

INSTRUCTION

VALVE ASSEMBLY - power sensing, parts list Figure 8-250

1шт.

2

P4037537

END FITTING

ADAPTER - 90 degree, leak return circuit hose

10шт.

3

P3037546

UNION

ADAPTER - straight

9шт.

4

L33215

O-RING,0.737" ID x 0.943" OD x 0.103"

- adapter

9шт.

5

P2337591

UNION

ADAPTER - straight

1шт.

6

P1230443

O-RING

- adapter

1шт.

7

REF

INSTRUCTION

HOSE - leak return circuit, 2.3 ft (0.7 m) long, cut from P1103640

1шт.

8

P37236

TEE

- leak return circuit hose

1шт.

9

P3037561

FITTING

ADAPTER - tube, Serial Range: tee-valve

1шт.

10

L33215

O-RING,0.737" ID x 0.943" OD x 0.103"

- adapter

1шт.

11

REF

INSTRUCTION

VALVE ASSEMBLY - swing and drive, parts list Figures 8-216 through 8-222

1шт.

12

P4037535

END FITTING

ADAPTER - straight, leak return circuit hose

2шт.

13

REF

INSTRUCTION

HOSE - leak return circuit, 6.6 ft (2.0 m) long, cut from P1103640

1шт.

14

REF

INSTRUCTION

VALVE ASSEMBLY - solenoid control, parts list Figure 8-244, Serial Range: 74251-74281

1шт.

14a

REF

INSTRUCTION

VALVE ASSEMBLY - solenoid control, parts list Figure 8-246, Start Serial: 74282

1шт.

15

P4037504

UNION

ADAPTER - straight, used with reference number 14

1шт.

16

P930474

O-RING,0.103" Thk x 0.612" ID, -114, Cl 5, 75 Duro

- adapter, used with reference number 14

1шт.

P4037504

UNION

ADAPTER ASSEMBLY - straight, used with reference number 14A, Includes: Ref. 16A and 16B

1шт.

16a

NSS

NOT SOLD SEPARAT

ADAPTER - straight

1шт.

16b

P7046042

SEAL

- adapter

1шт.

17

P4037537

END FITTING

ADAPTER - 90 degree, leak return circuit hose

1шт.

18

REF

INSTRUCTION

HOSE - leak return circuit, 4.3 ft (1.3 m) long, cut from P1103640

1шт.

19

P1443359

BLOCK ASSY.

MANIFOLD - leak return hose

1шт.

20

P3528799

WASHER

SPACER - manifold stud

2шт.

21

P234513

SAFETY NUT

NUT - hex, manifold stud

2шт.

22

P3037504

UNION

ADAPTER -, Serial Range: manifold-tube

1шт.

23

P1230443

O-RING

- adapter

1шт.

24

REF

INSTRUCTION

HOSE - leak return circuit, 2.3 ft (0.7 m) long, cut from P1103640

1шт.

25

REF

INSTRUCTION

HOSE - leak return circuit, 2.6 ft (0.8 m) long, cut from P1103640

1шт.

26

REF

INSTRUCTION

HOSE - leak return circuit, 4.3 ft (1.3 m) long, cut from P1103640

1шт.

27

REF

INSTRUCTION

HOSE - leak return circuit, 1.7 ft (0.5 m) long, cut from P1103640

1шт.

28

REF

INSTRUCTION

HOSE - leak return circuit, 2.6 ft (0.8 m) long, cut from P1103640

1шт.

29

P3037546

UNION

ADAPTER - straight

3шт.

30

L33215

O-RING,0.737" ID x 0.943" OD x 0.103"

- adapter

3шт.

31

P4037535

END FITTING

ADAPTER - straight, leak return circuit hose

3шт.

Выбрано товаров: 35