Запчасти Case 125B (8-086) - HYDRAULIC COMPONENTS LEAK RETURN CIRCUIT, LINES FROM VALVES, P.I.N. 74251 THROUGH 74844 (08) - HYDRAULICS

Схема запчастей Case 125B - (8-086) - HYDRAULIC COMPONENTS LEAK RETURN CIRCUIT, LINES FROM VALVES, P.I.N. 74251 THROUGH 74844 (08) - HYDRAULICS
FIT
1:1
100%

Артикул

Название

Примечание

Количество

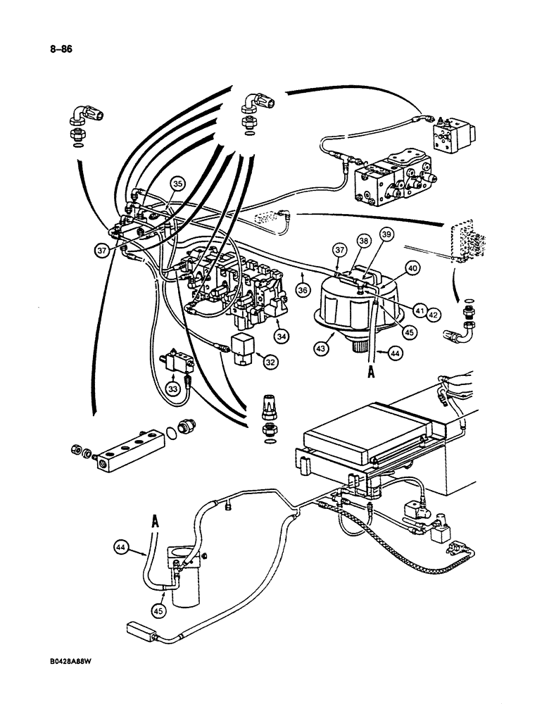
32

REF

INSTRUCTION

VALVE ASSEMBLY - pressure regulator, parts list Figure 8-256

1шт.

33

REF

INSTRUCTION

VALVE ASSEMBLY - parallel supply, parts list Figure 8-248, mounting hardware on Figure 8-90

1шт.

34

REF

INSTRUCTION

VALVE ASSEMBLY - attachment control, parts list Figures 8-204 through 8-214

1шт.

35

P5847163

PIPE

TUBE - 90 degree, manifold to return hose

1шт.

36

REF

INSTRUCTION

HOSE - return, manifold to tee, 5.3 ft (1.6 m) long, cut from P1103608

1шт.

37

P36902

COLLAR CLAMP

CLAMP - hose

2шт.

38

P3837628

PIPE

TUBE - straight, to tee at swing motor

1шт.

39

P37233

TEE

- at swing motor

1шт.

40

P7447613

PIPE

TUBE - bent, to tee at swing motor

1шт.

41

P2337556

FITTING

TUBE - adapter, tee to swing motor

1шт.

42

P145274

SEAL

O-RING - adapter tube

1шт.

43

REF

INSTRUCTION

MOTOR ASSEMBLY - hydraulic swing, parts list Figures 8-272 and 8-274

1шт.

44

REF

INSTRUCTION

HOSE - return, tee to swivel, 2.6 ft (0.8 m) long, cut from P1103608

1шт.

45

P36902

COLLAR CLAMP

CLAMP - hose

2шт.

Выбрано товаров: 14