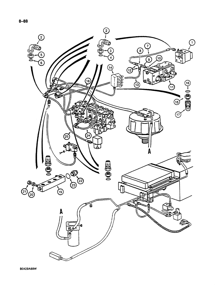
Запчасти Case 125B (8-088) - HYDRAULIC COMPONENTS LEAK RETURN CIRCUIT, LINES FROM VALVES (08) - HYDRAULICS

Схема запчастей Case 125B - (8-088) - HYDRAULIC COMPONENTS LEAK RETURN CIRCUIT, LINES FROM VALVES (08) - HYDRAULICS
FIT
1:1
100%

Артикул

Название

Примечание

Количество

1

REF

INSTRUCTION

VALVE ASSEMBLY - power sensing, parts list Figure 8-250

1шт.

2

P4037590

END FITTING

ADAPTER - 90 degree, leak return circuit hose

11шт.

3

P4037573

UNION

ADAPTER ASSEMBLY - straight

8шт.

P945295

SEAL

- adapter

1шт.

4

P4037574

UNION

ADAPTER ASSEMBLY - straight

1шт.

P945293

WASHER, SEALING

SEAL - adapter

1шт.

5

P4037577

FITTING

ADAPTER ASSEMBLY - tube, Serial Range: tee-valve

1шт.

6

P4037571

UNION

ADAPTER ASSEMBLY - straight

2шт.

P7046042

SEAL

- adapter

1шт.

7

REF

INSTRUCTION

HOSE - leak return circuit, 27-1/2" (700 mm) long, cut from P1103640

1шт.

8

P1237220

CROSS

TEE - leak return circuit hose

1шт.

P945295

SEAL

- adapter

1шт.

9

P3037504

UNION

ADAPTER ASSEMBLY -, Serial Range: manifold-tube

1шт.

P945293

WASHER, SEALING

SEAL - adapter

1шт.

10

P4037573

UNION

ADAPTER ASSEMBLY - straight

5шт.

P945295

SEAL

- adapter

1шт.

11

REF

INSTRUCTION

VALVE ASSEMBLY - swing and drive, parts list Figures 8-216 through 8-222

1шт.

12

P4037588

END FITTING

ADAPTER - straight, leak return circuit hose

2шт.

13

REF

INSTRUCTION

HOSE - leak return circuit, 78-3/4" (2000 mm) long, cut from P1103640

1шт.

14

REF

INSTRUCTION

VALVE ASSEMBLY - solenoid control, parts list Figure 8-246

1шт.

15

REF

INSTRUCTION

HOSE - return, tee to swivel, 31-1/2" (800 mm) long, cut from P1103608

1шт.

16

P36902

COLLAR CLAMP

CLAMP - hose

2шт.

17

P4037588

END FITTING

ADAPTER - straight, leak return circuit hose

1шт.

18

REF

INSTRUCTION

HOSE - leak return circuit, 31-1/2" (800 mm) long, cut from P1103640

1шт.

19

P1443359

BLOCK ASSY.

MANIFOLD - leak return hose

1шт.

20

P3528799

WASHER

SPACER - manifold stud

4шт.

21

P234513

SAFETY NUT

NUT - hex, manifold stud

2шт.

22

P146097

DEUTZ PART

SEAL - adapter tube

1шт.

23

REF

INSTRUCTION

MOTOR ASSEMBLY - hydraulic swing, parts list Figures 8-272 and 8-274

1шт.

24

REF

INSTRUCTION

HOSE - leak return circuit, 27-1/2" (700 mm) long, cut from P1103640

1шт.

25

REF

INSTRUCTION

HOSE - leak return circuit, 31-1/2" (800 mm) long, cut from P1103640

1шт.

Выбрано товаров: 31