Запчасти Case 125B (8-090) - HYD. COMPONENTS LEAK RETURN CIRCUIT, LINES FROM VALVES, P.I.N. 74845-74963, 21801-21868, 26801 & AFT (08) - HYDRAULICS

Схема запчастей Case 125B - (8-090) - HYD. COMPONENTS LEAK RETURN CIRCUIT, LINES FROM VALVES, P.I.N. 74845-74963, 21801-21868, 26801 & AFT (08) - HYDRAULICS
FIT
1:1
100%

Артикул

Название

Примечание

Количество

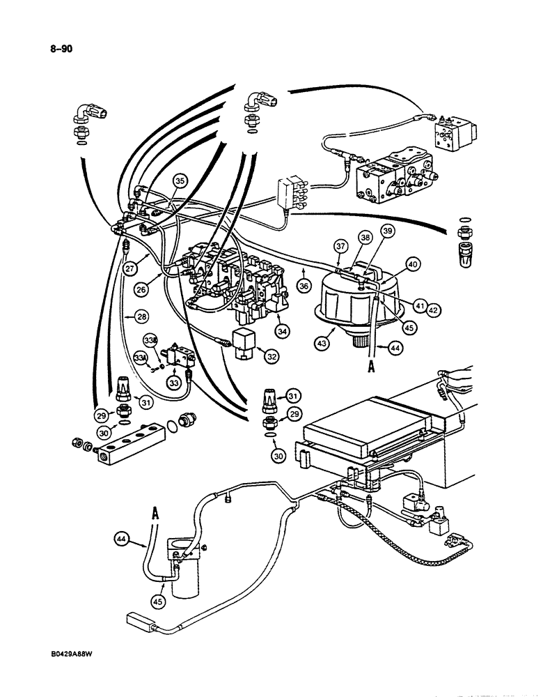
26

REF

INSTRUCTION

HOSE - leak return circuit, 27-1/2" (700 mm) long, cut from P1103640

1шт.

27

REF

INSTRUCTION

HOSE - leak return circuit, 19-11/16" (500 mm) long, cut from P1103640

2шт.

28

REF

INSTRUCTION

HOSE - leak return circuit, 39-3/8" (1000 mm) long, cut from P1103640

1шт.

29

120104

BOLT,Hex, M8 x 1.25 x 20mm, Cl 8.8

BOLT, Hex, M8 x 20, 8.8, Valve mounting

2шт.

Ref #29 - Should be P4037573 Union

1шт.

30

P3528794

WASHER

SPACER - mounting bolt

2шт.

Ref #30 - Should be P945295 Seal

1шт.

31

P4037588

END FITTING

ADAPTER - straight, leak return circuit hose

5шт.

32

REF

INSTRUCTION

VALVE ASSEMBLY - pressure regulator, parts list Figure 8-262

1шт.

33

REF

INSTRUCTION

VALVE ASSEMBLY - parallel supply, parts list Figure 8-248

1шт.

34

REF

INSTRUCTION

VALVE ASSEMBLY - attachment control, parts list Figures 8-204 through 8-214

1шт.

35

P3837628

PIPE

TUBE - manifold to return hose

1шт.

36

REF

INSTRUCTION

HOSE - return, manifold to tee, 51-1/8" (1300 mm) long, cut from P1103608

1шт.

37

P36902

COLLAR CLAMP

CLAMP - hose

2шт.

38

P3837628

PIPE

TUBE - straight, to tee at swing motor

1шт.

39

P37233

TEE

- at swing motor

1шт.

40

P7447613

PIPE

TUBE - bent, to tee at swing motor

1шт.

41

P2337556

FITTING

TUBE - adapter, tee to swing motor

1шт.

42

P234513

SAFETY NUT

NUT - hex, 6 mm

2шт.

43

P32918

SCREW

BOLT - hex, 6 mm x 45 mm

2шт.

44

P3143660

BLOCK ASSY.

VALVE SELECTOR, Serial Range: 74880-74963

1шт.

44

P3143660

BLOCK ASSY.

VALVE SELECTOR, Serial Range: 21801-21868

1шт.

44

P3143660

BLOCK ASSY.

VALVE SELECTOR, Start Serial: 26801

1шт.

REF#44 This is not a correct discription-- for a view of this part look in part cat#8-3092 (170B) Fig #8-174 ref#33. G.R.

1шт.

45

P1437455

PLUG

ASSEMBLY - valve selector

1шт.

P7046042

SEAL

O-RING - plug

1шт.

Выбрано товаров: 26